Verdrahtungsplan für das Modul TM3DQ16TK

Einführung

Das Erweiterungsmodul ist mit einem integrierten Anschlussstecker HE10 (MIL 20) für die Verbindung von Ausgängen und Spannungsversorgung ausgestattet.

Verdrahtungsregeln

Siehe Best Practices für die Verdrahtung

Verdrahtungsplan mit Litzenkabeln mit frei liegenden Leitern

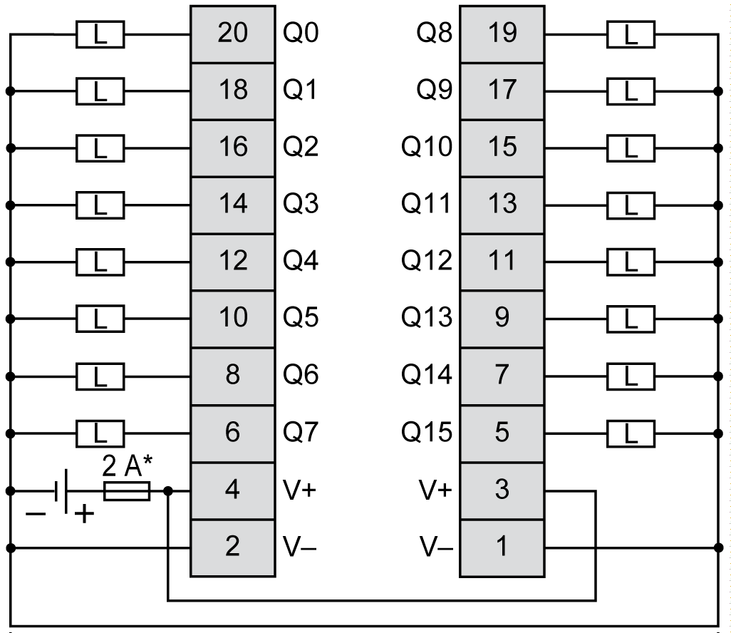
Die folgende Abbildung zeigt die Verbindung zwischen den Ausgängen, den Aktoren und ihren gemeinsamen Leitungen:

G-SE-0022620.1.gif-high.gif

 

*   Sicherung Typ T

Weitere Informationen über die 24-V-Spannungsversorgung finden Sie unter Kenndaten der DC-Spannungsversorgung.

Weitere Informationen zur Kabelfarbe für die Steuerungen TWDFCW30K / TWDFCW50K finden Sie in der Beschreibung des Kabels TWDFCW••K.