Analoges Eingangsmodul 4AI ±10 V / 0-20 mA

Überblick

Das analoge Elektronikmodul 4AI ±10 V / 0-20 mA ist mit vier 12-Bit-Eingängen ausgestattet.

Alle Kanäle können sowohl Strom- als auch Spannungssignale konvertieren. Für die verschiedenen Signale sind unterschiedliche Verbindungspunkte auf der Klemmenleiste verfügbar.

Der jeweils gewünschte Eingangssignaltyp muss konfiguriert werden:

oSpannungssignal -10 bis +10 VDC (Standard)

oStromsignal 0 bis 20 mA

Status-LEDs

Die nachstehende Abbildung zeigt die LEDs für das Elektronikmodul 4AI ±10 V / 0-20 mA:

G-SE-0007812.1.gif-high.gif

 

 

Die nachstehende Tabelle zeigt die Status-LEDs für das Elektronikmodul 4AI ±10 V / 0-20 mA:

LEDs

Farbe

Status

Beschreibung

r

Grün

Aus

Keine Spannungsversorgung

Einmaliges Blinken

Reset-Zustand

Blinkend

Anlaufstatus

Ein

Normalbetrieb

e

Rot

Aus

OK oder keine Spannungsversorgung

Ein

Erkannter Fehler oder Reset-Zustand

Zweifaches Blinken

Erkannter Systemfehler:

oZykluszeitüberschreitung

oErkannter Synchronisationsfehler

0-3

Grün

Aus

Kanal nicht konfiguriert oder offene Verbindung oder Sensor getrennt

Ein

Der Analog-Digital-Wandler wird ausgeführt, Wert ist verfügbar

Eingangskenndaten

Danger_Color.gifGEFAHR

BRANDGEFAHR

Verwenden Sie für die maximale Stromleistung der E/A-Kanäle und Spannungsversorgungen ausschließlich angemessene Drahtstärken.

Die Nichtbeachtung dieser Anweisungen führt zu Tod oder schweren Verletzungen.

Warning_Color.gifWARNUNG

UNBEABSICHTIGTER GERÄTEBETRIEB

Überschreiten Sie keinen der in den umgebungsspezifischen und elektrischen Kenndatenta­bellen angegebenen Nennwerte.

Die Nichtbeachtung dieser Anweisungen kann Tod, schwere Verletzungen oder Sachschäden zur Folge haben.

Die nachstehende Tabelle enthält die Kenndaten des Elektronikmoduls 4AI ±10 V / 0-20 mA:

Eigenschaft

Eingangsspannung

Stromeingang

Anzahl der Eingangskanäle

4

Eingangsbereich

-10 bis +10 VDC

0 bis 20 mA

Eingangsimpedanz

Min. 20 MΩ

-

Lastimpedanz

-

Max. 400 Ω

Abtastzeit

400 µs für alle Eingänge ohne Filterung

1 ms für alle Eingänge ohne Filterung

Eingangstyp

Differenzial

Konvertierungsmodus

Aufeinanderfolgende annähernde Register

Eingangsfilter

Tiefpass der 3. Ordnung / Grenzfrequenz 1 kHz

Eingangstoleranz - max. Abweichung bei 25°C (77°F) Umgebungstemperatur

< 0,08 % des Messwerts

< 0,08 % der Messung

Eingangstoleranz - Temperaturabweichung

0,006 % / °C des Messwerts

0,009 % / °C des Messwerts

Eingangstoleranz - Nichtlinearität

< 0,025 % des Skalenendwerts (20 V)

< 0,05 % des Skalenendwerts (20 mA)

Digitale Auflösung

12 Bit + Vorzeichen

12 Bit

Auflösungswert

2.441 mV

4,883 µA

Gleichtaktunterdrückung

DC

70 dB min.

50 Hz

Min. 70 dB

Kabeltyp

Abgeschirmtes Kabel erforderlich

Unterdrückung des Nebensprechens zwischen Kanälen

Min. 70 dB

Isolation zwischen Kanälen

Nicht isoliert

Isolation zwischen Kanälen und Bus

Siehe Hinweis 1.

Zugelassenes Eingangssignal

Max. ± 30 VDC

Max. ± 50 mA

Eingangsschutz

Schutz gegen Verdrahtungsfehler mit 24-VDC-Netzspannung

Zulässige Gleichtaktspannung zwischen Kanälen

Max. ± 12 VDC

1 Die Isolierung des Elektronikmoduls liegt bei 500 VAC effektiv zwischen der vom TM5-Leistungsbus versorgten Elektronik und dem Teil, der durch das mit dem Modul verbundene 24-VDC-E/A-Leistungssegment versorgt wird. In der Praxis gibt es eine Brücke zwischen dem TM5-Leistungsbus und dem 24-VDC-E/A-Leistungssegment. Die zwei Leistungsschaltungen sind über spezifische Komponenten mit derselben Funktionserde (FE) verbunden. Diese Komponenten wurden speziell auf eine Reduzierung der Folgen elektromagnetischer Störungen ausgerichtet. Sie sind für eine Nennspannung von 30 VDC bzw. 60 VDC ausgelegt. Dadurch kann die Isolierung des gesamten Systems von den effektiv 500 VAC deutlich reduziert werden.

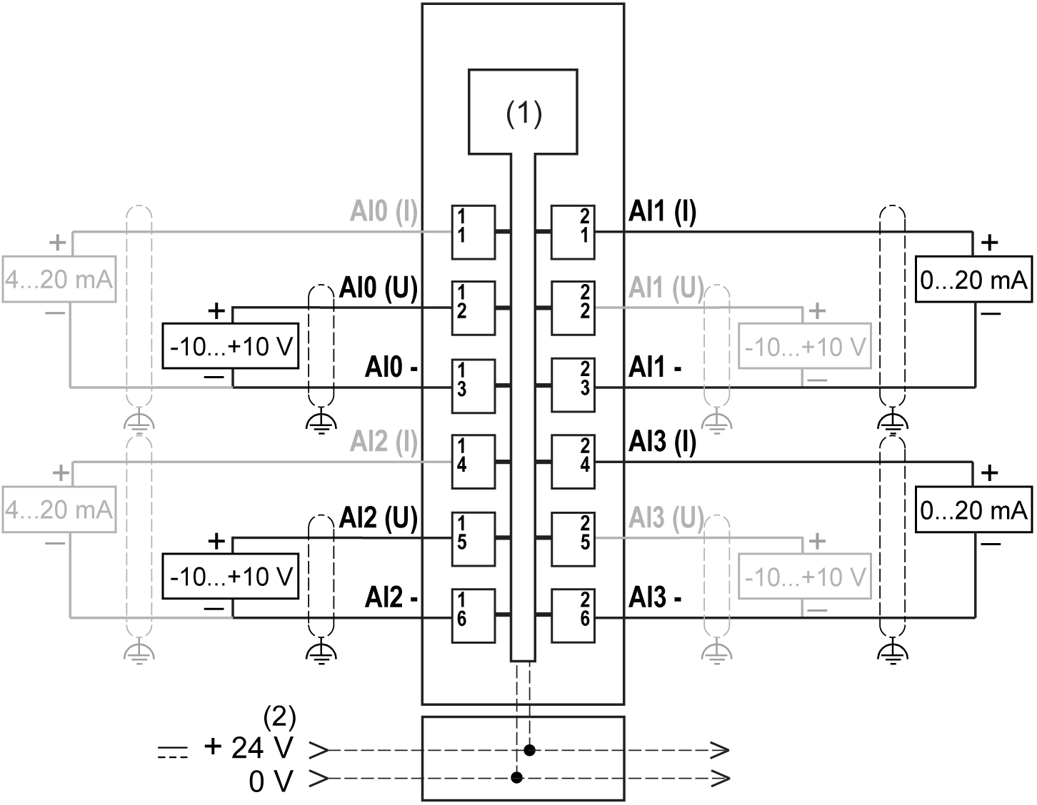
Verdrahtungsplan

Die nachstehende Abbildung zeigt den Verdrahtungsplan für das Elektronikmodul 4AI ±10 V / 0-20 mA:

G-SE-0007819.1.gif-high.gif

 

1   Interne Elektronik

2   24-VDC-E/A-Leistungssegment, in die Busbasis integriert

I   Strom

U   Spannung

Wenn Sie den Analogkanal physisch für ein Spannungssignal verdrahtet haben und Sie den Kanal in EcoStruxure Machine Expert für ein Stromsignal konfigurieren, kann die Analogschaltung dadurch beschädigt werden.

HINWEIS

GERÄT NICHT BETRIEBSBEREIT

Vergewissern Sie sich, dass die physische Verdrahtung der Analogschaltung mit der Software­konfiguration für den Analogkanal kompatibel ist.

Die Nichtbeachtung dieser Anweisungen kann Sachschäden zur Folge haben.

Warning_Color.gifWARNUNG

UNBEABSICHTIGTER GERÄTEBETRIEB

oVerwenden Sie geschirmte Kabel für schnelle E/A-, analoge E/A- und Kommunikationssignale.

oErden Sie die geschirmten Kabel für die Übertragung von analogen E/A-, schnellen E/A- und Kommunikationssignalen an einem Punkt.1.

oVerlegen Sie Kommunikations- und E/A-Kabel getrennt von den Stromkabeln.

Die Nichtbeachtung dieser Anweisungen kann Tod, schwere Verletzungen oder Sachschäden zur Folge haben.

1 Eine Erdung an mehreren Punkten ist zulässig, wenn Verbindungen zu einer äquipotenzialen Erdungsplatte hergestellt werden, die dazu ausgelegt ist, eine Beschädigung der Kabelschirme bei Kurzschlussströmen im Leistungssystem verhindern.

Weitere Informationen finden Sie unter Verdrahtungsregeln und -empfehlungen für das TM-System.

Warning_Color.gifWARNUNG

UNBEABSICHTIGTER GERÄTEBETRIEB

Verbinden Sie keine Drähte mit ungenutzten Anschlüssen und/oder mit Anschlüssen, die als No Connection (N.C.) gekennzeichnet sind.

Die Nichtbeachtung dieser Anweisungen kann Tod, schwere Verletzungen oder Sachschäden zur Folge haben.