Digitalausgang 6Out

Überblick

Das digitale Elektronikmodul 6Out ist mit 6 Strom abgebenden Ausgängen ausgestattet.

Status-LEDs

Die folgende Abbildung zeigt die LEDs für 6Out:

G-SE-0007811.1.gif-high.gif

 

 

In der folgenden Tabelle werden die Status-LEDs des Moduls 6Out beschrieben:

LEDs

Farbe

Status

Beschreibung

r

Grün

Aus

Keine Spannungsversorgung

Einmaliges Blinken

Reset-Zustand

Blinkend

Anlaufstatus

Ein

Normalbetrieb

e

Rot

Aus

OK oder keine Spannungsversorgung

Einmaliges Blinken

Fehler auf einem Ausgangskanal festgestellt(1)

e+r

Leuchten Rot /

Einmaliges Blinken Grün

Ungültige Firmware

0-5

Gelb

Aus

Entsprechender Ausgang deaktiviert

Ein

Entsprechender Ausgang aktiviert

HINWEIS:

(1) Die LED "e" blinkt, wenn einer der folgenden Fehler auf Ausgangskanälen festgestellt wird:

oKurzschluss

oÜberlast

Ausgangskenndaten

Danger_Color.gifGEFAHR

BRANDGEFAHR

Verwenden Sie für die maximale Stromleistung der E/A-Kanäle und Spannungsversorgungen ausschließlich angemessene Drahtstärken.

Die Nichtbeachtung dieser Anweisungen führt zu Tod oder schweren Verletzungen.

Warning_Color.gifWARNUNG

UNBEABSICHTIGTER GERÄTEBETRIEB

Überschreiten Sie keinen der in den umgebungsspezifischen und elektrischen Kenndatenta­bellen angegebenen Nennwerte.

Die Nichtbeachtung dieser Anweisungen kann Tod, schwere Verletzungen oder Sachschäden zur Folge haben.

Zusätzliche wichtige Informationen zum Schutz schneller Ausgänge finden Sie unter Schutz der Ausgänge vor einer Beschädigung durch induktive Last.

In der nachstehenden Tabelle werden die Kenndaten des Elektronikmoduls 6Out aufgeführt:

Merkmal

Wert

Ausgangskanäle

6

Verdrahtungstyp

1 oder 2 Drähte

Ausgangstyp

Transistor

Signaltyp

Quelle

Ausgangsstrom

Max. 0,5 A pro Ausgang

Gesamtausgangsstrom

Max. 3 A

Ausgangsnennspannung

24 VDC

Ausgangsspannungsbereich

20,4 bis 28,8 VDC

Spannungsabfall

Max. 0,3 VDC bei 0,5 mA Nennstrom

Leckstrom im ausgeschalteten Zustand

5 µA

Einschaltzeit

Max. 300 µs

Abschaltzeit

Max. 300 µs

Ausgangsschutz

Kurzschluss-, Überlast- und Überhitzungsschutz

Kurzschluss-Ausgangsspitzenstrom

Max. 12 A

Automatisches Wiedereinschalten nach Kurzschluss oder Überlast

Ja, mind. 10 ms je nach interner Temperatur

Verpolungsschutz

Ja

Grenzspannung

Typ. 50 VDC

Schaltfrequenz

Ohmsche Last

Max. 500 Hz

Induktive Last

Siehe Kenndaten beim Schalten induktiver Lasten

Isolation

Zwischen Eingang und internem Bus

Siehe Hinweis 1

Zwischen Kanälen

Nicht isoliert

1 Die Isolierung des Elektronikmoduls liegt bei 500 VAC effektiv zwischen der vom TM5-Leistungsbus versorgten Elektronik und dem Teil, der durch das mit dem Modul verbundene 24-VDC-E/A-Leistungssegment versorgt wird. In der Praxis gibt es eine Brücke zwischen dem TM5-Leistungsbus und dem 24-VDC-E/A-Leistungssegment. Die zwei Leistungsschaltungen sind über spezifische Komponenten mit derselben Funktionserde (FE) verbunden. Diese Komponenten wurden speziell auf eine Reduzierung der Folgen elektromagnetischer Störungen ausgerichtet. Sie sind für eine Nennspannung von 30 VDC bzw. 60 VDC ausgelegt. Dadurch kann die Isolierung des gesamten Systems von den effektiv 500 VAC deutlich reduziert werden.

Schalten induktiver Lasten

Die nachstehenden Kurven zeigen die besonderen Eigenschaften des Schaltvorgangs für induktive Lasten für das Elektronikmodul 6Out.

G-SE-0003660.1.gif

 

1   Spulenwiderstand in Ω

2   Spuleninduktivität

3   Max. Betriebszyklen/Sekunde

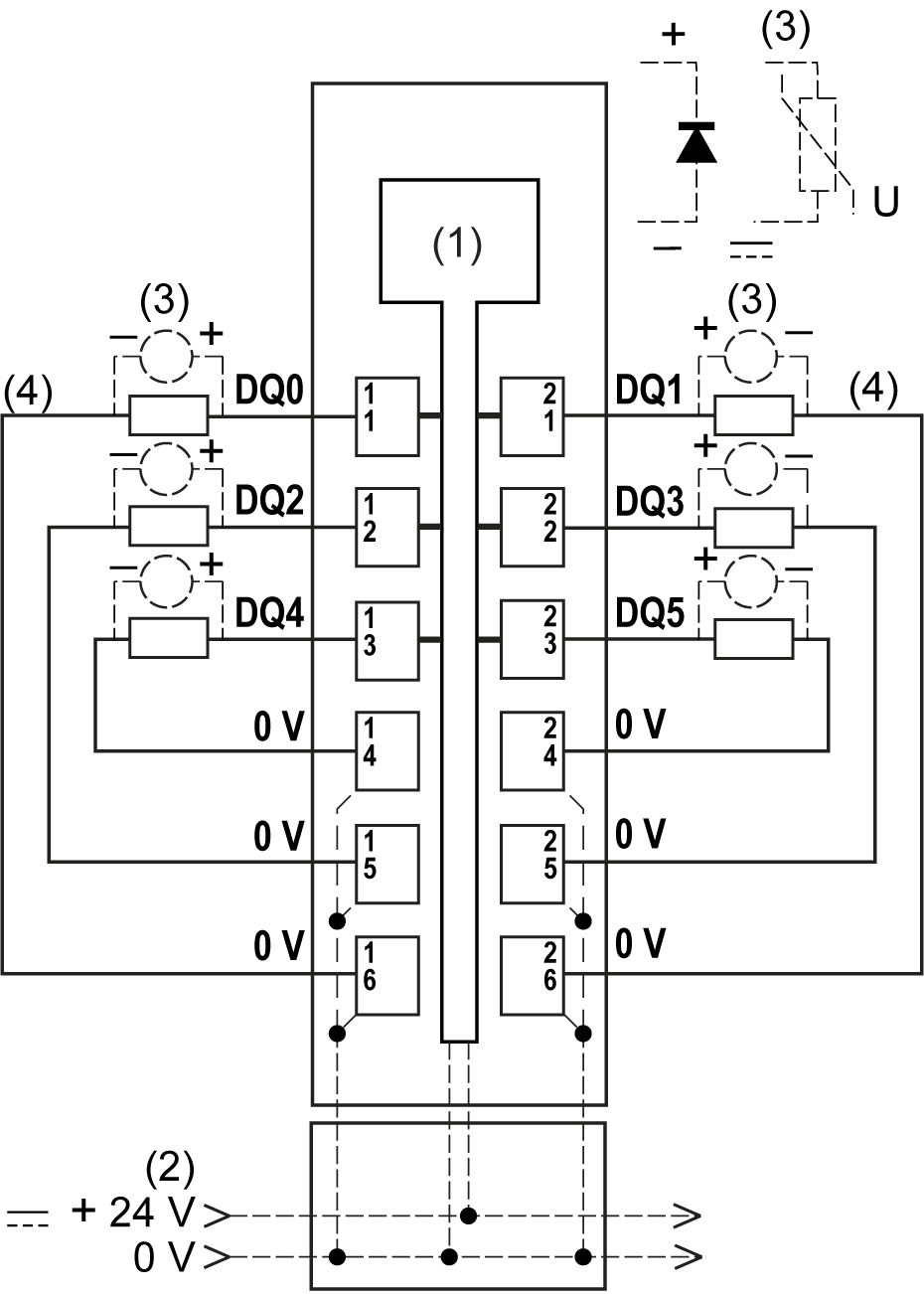
Verdrahtungsplan

Die nachstehende Abbildung zeigt den Verdrahtungsplan von 6Out:

G-SE-0007818.1.gif-high.gif

 

1   Interne Elektronik

2   24-VDC-E/A-Leistungssegment, in die Busbasis integriert

3   Schutz vor induktiver Last

4   2-Draht-Last

Warning_Color.gifWARNUNG

UNBEABSICHTIGTER GERÄTEBETRIEB

Verbinden Sie keine Drähte mit ungenutzten Anschlüssen und/oder mit Anschlüssen, die als No Connection (N.C.) gekennzeichnet sind.

Die Nichtbeachtung dieser Anweisungen kann Tod, schwere Verletzungen oder Sachschäden zur Folge haben.