Display Dimensions

Display 4:3 12” Dimensions

G-SE-0057267.1.gif-high.gif

 

 

Display 4:3 12” Dimensions with Fasteners

G-SE-0059334.1.gif-high.gif

 

 

Display W12” Dimensions

G-SE-0057629.1.gif-high.gif

 

 

Display W12” Dimensions with Fasteners

G-SE-0059333.1.gif-high.gif

 

 

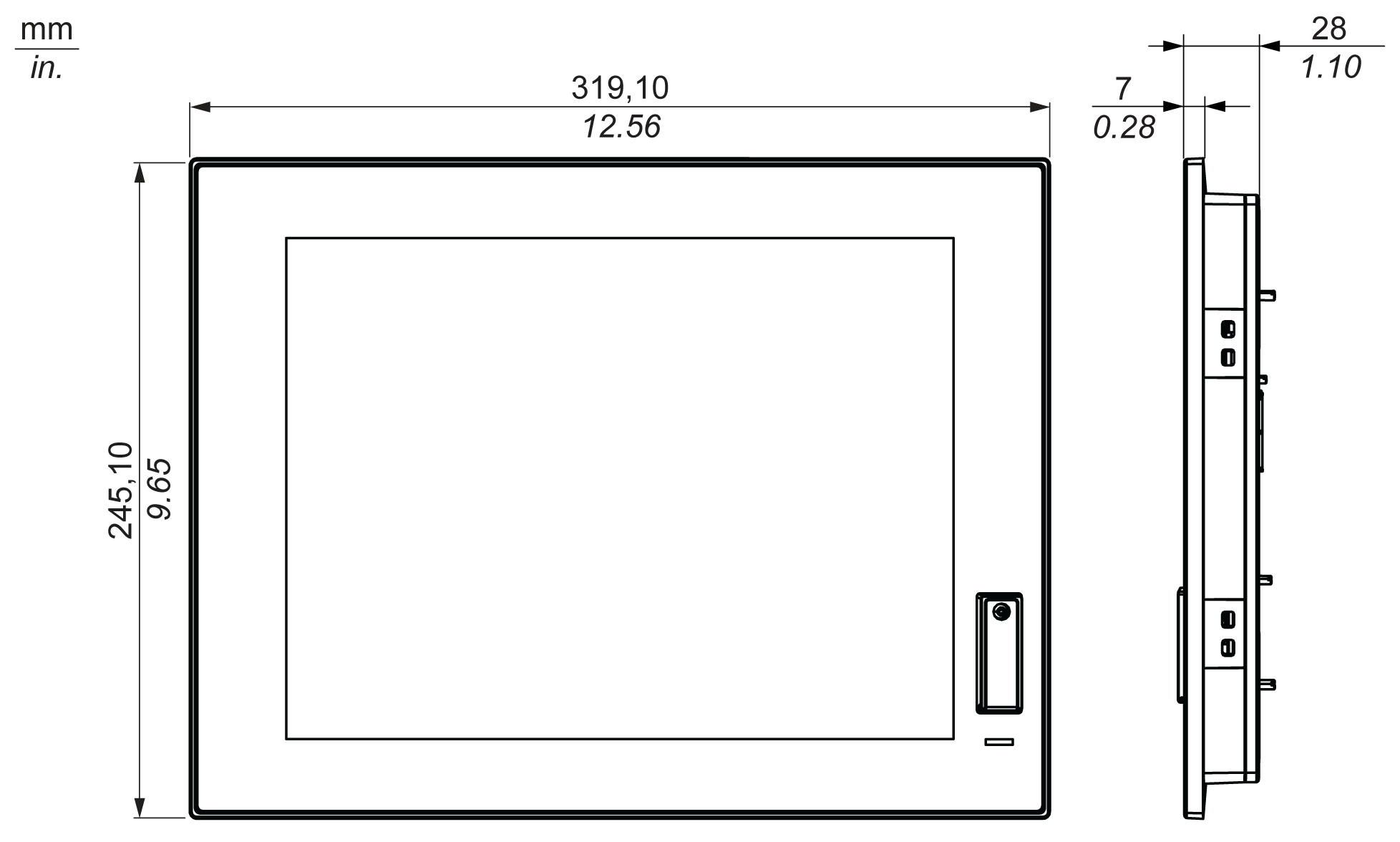
Display 4:3 15” Dimensions

G-SE-0041568.3.gif-high.gif

 

 

Display 4:3 15” Dimensions with Fasteners

G-SE-0059337.1.gif-high.gif

 

 

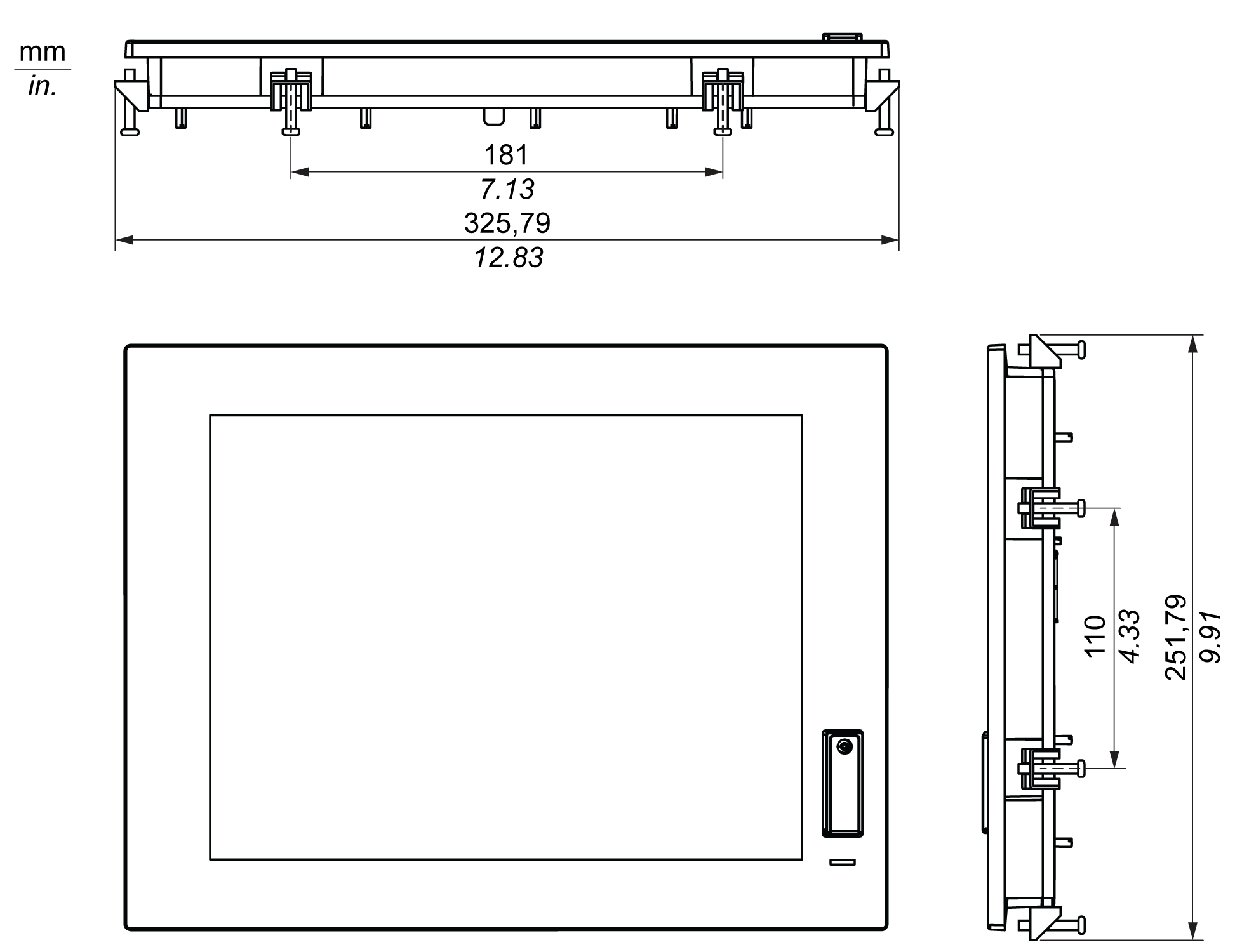
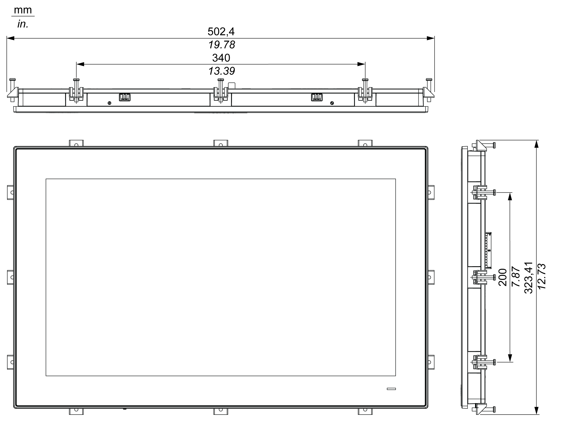
Display W15” Dimensions

G-SE-0041569.3.gif-high.gif

 

 

Display W15” Dimensions with Fasteners

G-SE-0059336.1.gif-high.gif

 

 

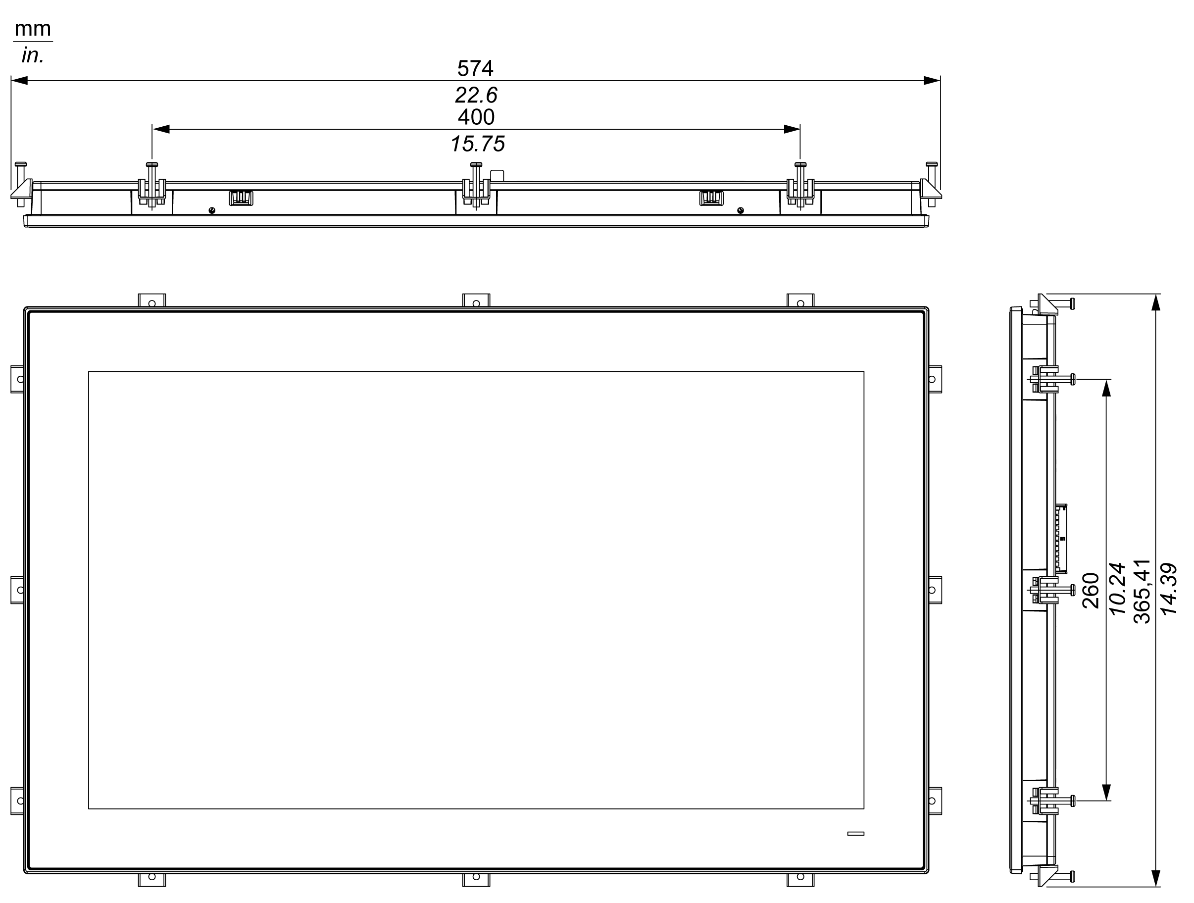
Display W19” Dimensions

G-SE-0041570.3.gif-high.gif

 

 

Display W19” Dimensions with Fasteners

G-SE-0059338.1.gif-high.gif

 

 

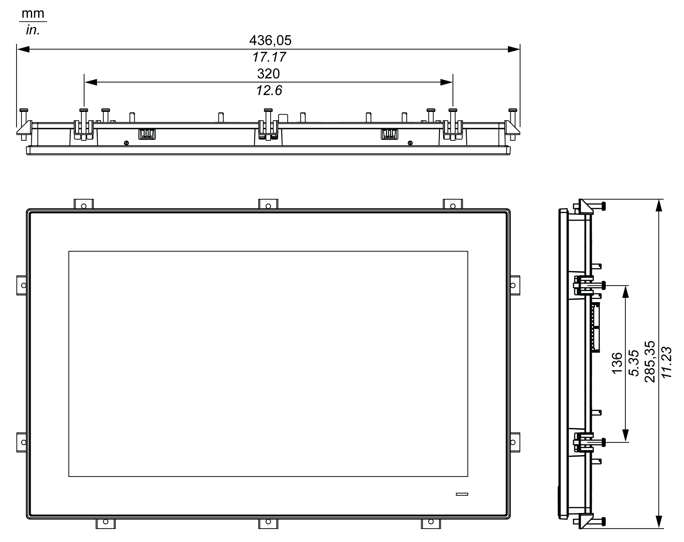
Display W22” Dimensions

G-SE-0041567.3.gif-high.gif

 

 

Display W22” Dimensions with Fasteners

G-SE-0059339.2.gif-high.gif

 

 

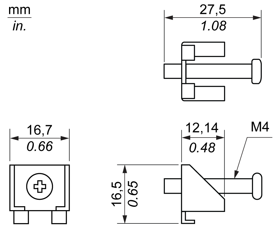
Installation Fastener Dimensions

G-SE-0059335.2.gif-high.gif

 

 

Dimensional Tolerances

The table indicates the general tolerance for the dimensions:

Nominal measurement range

General tolerance acc. DIN ISO 2768 medium

6...30 mm (0.236...1.181 in)

±0.2 mm (±0.0078 in)

30...80 mm (1.181...3.149 in)

±0.25 mm (±0.0098 in)

80...180 mm (3.149...7.08 in)

±0.3 mm (±0.012 in)

180...600 mm (7.08...23.62 in)

±0.5 mm (±0.02 in)