TM218LDA40DR4PHN Relay Output

Overview

See Output Management for more information on managing outputs.

Danger_Color.gifDANGER

FIRE HAZARD

oUse only the correct wire sizes for the current capacity of the I/O channels and power supplies.

oFor relay output (2 A) wiring, use conductors of at least 0.5 mm2 (AWG 20) with a temperature rating of at least 80 °C (176 °F).

oFor common conductors of relay output wiring (4 A), or relay output wiring greater than 2 A, use conductors of at least 1.0 mm2 (AWG 16) with a temperature rating of at least 80 °C (176 °F).

Failure to follow these instructions will result in death or serious injury.

Warning_Color.gifWARNING

UNINTENDED EQUIPMENT OPERATION

Do not exceed any of the rated values specified in the environmental and electrical characteristics tables.

Failure to follow these instructions can result in death, serious injury, or equipment damage.

Relay Output Characteristics

The table below describes the characteristics of the M218 controller relay outputs:

Characteristic

Value

Rated voltage

24 Vdc, 220 Vac

Input range

5...30 Vdc, 100...250 Vac

Rated current

Maximum 2 A for each point (see de-rating curve below)

Current/group (4 points)

4 A (see de-rating curve below)

Inrush values

Maximum switching voltage

250 Vac, 30 Vdc

Current/point

5 A

Isolation

Between channels within same category:

None

Between channels in different categories:

1780 Vac / 2500 Vdc

Between channels and internal logic:

1780 Vac / 2500 Vdc

Maximum output frequency

With maximum load

0.1 Hz

Without load

5 Hz

Contact opening time

Typically 5 ms

Contact closing time

Typically 2 ms

Resistive load

2 A/point for 24 Vdc/220 Vac

Mechanical life

20 million operation minimum at 25 °C (77 °F) for maximum current and voltage ratings

Cable length

Non-shielded: 150 m (492 ft)

Protection against short-circuit

No

Terminal blocks

Type: Screw, 7.62 mm (0.29 in.) pitch

2 rows are removable

NOTE: Refer to Protecting Outputs from Inductive Load Damage for additional information on this topic.

The following illustration shows the relay outputs de-rating curve:

G-SE-0020964.1.gif-high.gif

 

 

NOTE: 50% de-rating when all the relay outputs are used at 55 °C (131 °F).

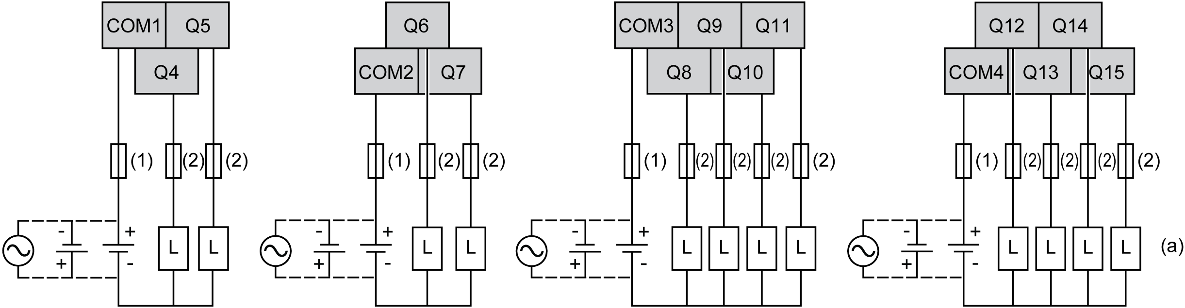
Wiring Diagram

The following illustration shows the wiring diagram of the M218 controller’s relay outputs:

G-SE-0007324.5.gif-high.gif

 

(1)   4 A Type T fuse

(2)   2 A Type T fuse

NC   Not Connected (N.C.)

(a) To improve the lifetime of the contacts, and to protect from potential inductive load damage, it is recommended to connect:

oa free wheeling diode in parallel to each inductive DC load

oa RC snubber in parallel of each inductive AC load

NOTE: The assigned fuse values have been specified for the maximum current characteristics of the controller I/O and associated commons. You may have other considerations that are applicable based on the unique types of input and output devices you connect, and you should size your fuses accordingly.