Funciones de sincronización y habilitación

Introducción

En esta sección se presentan las funciones utilizadas por FreqGen/PWM:

oFunción de sincronización

oFunción de habilitación

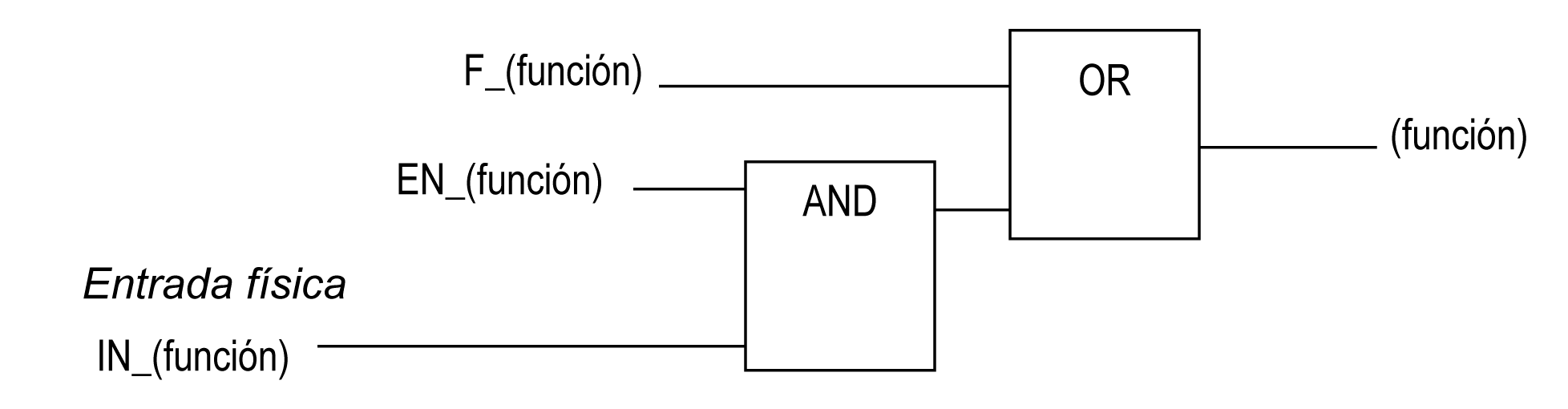
Cada función utiliza los dos bits de bloques de funciones siguientes:

oBit EN_(función): establecer este bit en 1 permite que la (función) opere en una entrada física externa si se ha configurado.

oBit F_(función): establecer este bit en 1 fuerza la (función).

En el diagrama siguiente se explica cómo se gestiona la función:

G-SE-0005524.3.gif-high.gif

 

 

NOTA: (función) hace referencia a Enable (para la función de habilitación) o Sync (para la función de sincronización).

Si se requiere la entrada física, habilítela en la pantalla de configuración.

Función de sincronización

La función Sincronización se utiliza para interrumpir el ciclo de FreqGen/PWM actual y reiniciar un nuevo ciclo.

Función Habilitar

La función Habilitar se utiliza para activar FreqGen/PWM:

G-SE-0002548.2.gif-high.gif