Características del módulo TM2DMM8DRT

Introducción

En esta sección se proporciona una descripción de la limitación de alimentación y las características eléctricas, de las entradas y de las salidas del módulo TM2DMM8DRT.

Consulte también las Características ambientales.

Danger_Color.gifPELIGRO

PELIGRO DE INCENDIO

oUtilice únicamente los tamaños de cable recomendados para la capacidad de corriente máxima de los canales de E/S y las fuentes de alimentación.

oPara el cableado de las salidas de relé (2 A), utilice conductores de al menos 0,5 mm2 (AWG 20) con una temperatura nominal de al menos 80 °C (176 °F).

oPara los conductores comunes del cableado de salidas de relé (7 A) o cableado de salidas de relé superior a 2 A, utilice conductores de al menos 1,0 mm2 (AWG 16) con una temperatura nominal de como mínimo 80 °C (176 °F).

El incumplimiento de estas instrucciones podrá causar la muerte o lesiones serias.

Warning_Color.gifADVERTENCIA

FUNCIONAMIENTO IMPREVISTO DEL EQUIPO

No supere ninguno de los valores nominales que se especifican en las tablas de características medioambientales y eléctricas.

El incumplimiento de estas instrucciones puede causar la muerte, lesiones serias o daño al equipo.

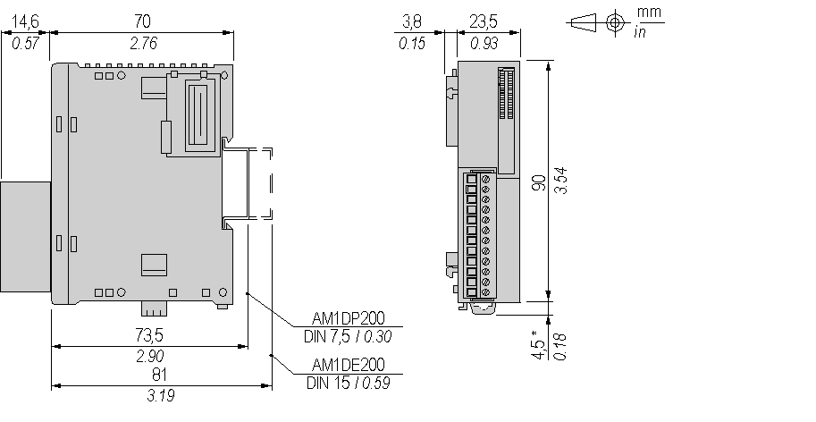
Dimensiones

En los diagramas siguientes se muestran las dimensiones del módulo TM2DMM8DRT.

G-RU-0010259.1.gif-high.gif

 

 

NOTA: * 8,5 mm (0,33 pulg.) cuando se retira la abrazadera.

Características eléctricas de TM2DMM8DRT

Durabilidad de conexiones y desconexiones del conector

Más de 100 veces

Consumo de corriente en el bus interno de 5 V CC

25 mA (todas las entradas y salidas activadas)

5 mA (todas las entradas y salidas desactivadas)

Consumo de corriente en el bus interno de 24 V CC

20 mA (todas las entradas y salidas activadas)

0 mA (todas las entradas y salidas desactivadas)

Características de las entradas de TM2DMM8DRT

Número de canales de entrada

4

Líneas comunes

1

Tipo de señales de entrada

común positivo o común negativo

Tensión de entrada nominal

24 V CC

Rango de tensión de entrada

20.4...28.8 V CC

Corriente nominal de entrada a 24 V CC

7 mA

Impedancia de entrada

3,4 kΩ

Estado OFF

U<5 Vcc

Estado ON

U>15 Vcc

I>2 mA

Tiempo de encendido

4 ms

Tiempo de apagado

4 ms

Aislamiento entre entrada y bus interno

500 V CA

Aislamiento entre los terminales de entrada

No

Tipo de entrada

Tipo 1 (IEC 61131-2)

Características de las salidas de TM2DMM8DRT

Canales de salida

4

Líneas comunes

1 línea común para cuatro canales

Corriente de salida

2 A máx. por salida

7 A máx. por línea común

Tensión nominal

24 V CC

230/240 V CA

Tensión máx.

30 V CC

264 V CA

Corriente de llamada

2 A máx.

Carga de conmutación mínima

0,1 mA

0,1 V CC

Resistencia de contacto

45 mΩ máx.

Vida útil mecánica

Mínimo de 20 millones de operaciones (sin carga 1.800 operaciones/h)

Carga resistiva

Carga inductiva

Carga capacitiva

Consulte las limitaciones de alimentación

Aislamiento entre salida y bus interno

2300 V CA

Aislamiento entre la salida y los terminales de 0 V:

1.500 V CA

Grupos de salida entre aislamiento

1.500 V CA

Activar hora

12 ms

Desactivar hora

10 ms

Límites de uso

Cuando se utiliza TM2DMM8DRT:

G-RU-0010260.3.gif

 

1   A una temperatura ambiente de 55 °C (131 °F) en la dirección normal de montaje, limite las entradas y las salidas, respectivamente, que se activan simultáneamente en la curva.

2   A 45 °C (113 °F), todas las entradas y salidas se pueden activar simultáneamente a 28,8 V CC tal como se indica con la curva.

Limitación de alimentación del módulo TM2DMM8DRT

En la siguiente tabla se muestra la limitación de alimentación del módulo TM2DMM8DRT en función de la tensión, el tipo de carga y el número de operaciones requeridas.

Este módulo no admite cargas capacitivas:

Warning_Color.gifADVERTENCIA

SALIDAS DE RELÉ SOLDADAS Y CERRADAS

oProteja siempre las salidas de relé contra daños de carga de corriente alterna inductiva utilizando un circuito o dispositivo protector externo adecuado.

oNo conecte salidas de relé a cargas capacitivas.

El incumplimiento de estas instrucciones puede causar la muerte, lesiones serias o daño al equipo.

Tensión

24 V CC

120 V CC

240 V CC

Número de operaciones

Alimentación de cargas resistivas

AC-12

 

240 VA

80 VA

480 VA

160 VA

100.000

300.000

Alimentación de cargas inductivas

AC-15 (cos x=0,3)

 

60 VA

18 VA

120 VA

36 VA

100.000

300.000

Alimentación de cargas inductivas

AC-14 (cos x=0,7)

 

120 VA

36 VA

240 VA

72 VA

100.000

300.000

Alimentación de cargas resistivas

DC-12

48 W

16 W

 

 

100.000

300.000

Alimentación de cargas inductivas

DC-13 L/R=7ms

24 W

7,2 W

 

 

100.000

300.000