Diagrama de cableado de TMC4TI2

Introducción

Para conectar las entradas, este cartucho tiene un bloque de terminales de resorte extraíble.

Cableado

Consulte la sección Prácticas recomendadas relativas al cableado.

Diagrama de cableado

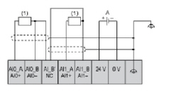
En la figura siguiente se muestra un ejemplo de las conexiones de la sonda de termoelemento y RTD de tres conductores:

G-SE-0031628.1.gif-high.gif

 

(1):   RTD

(2):   Termoelemento

A:   Fuente de alimentación externa

En la figura siguiente se muestra un ejemplo de un par de conexiones RTD de tres conductores:

G-SE-0056064.1.jpg

 

(1):   RTD

A:   Fuente de alimentación externa

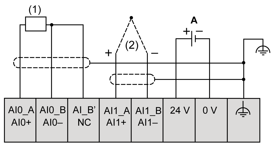
En la figura siguiente se muestra un ejemplo de un par de conexiones de termoelemento:

G-SE-0047126.1.gif-high.gif

 

(2):   Termoelemento

A:   Fuente de alimentación externa

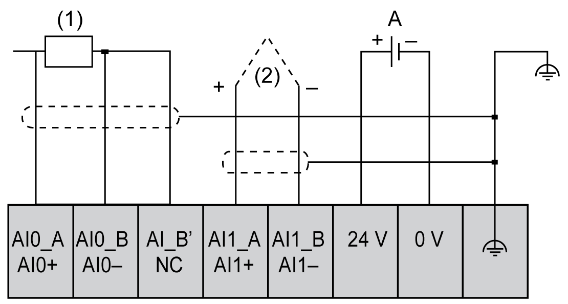
En la figura siguiente se muestra un ejemplo de las conexiones de termoelemento y RTD de cuatro conductores:

G-SE-0047123.1.gif-high.gif

 

(1):   RTD

(2):   Termoelemento

A:   Fuente de alimentación externa

NOTA: Cada entrada se puede conectar tanto a una sonda de termoelemento como a un RTD.

Warning_Color.gifADVERTENCIA

FUNCIONAMIENTO IMPREVISTO DEL EQUIPO

No conecte ningún cable a conexiones reservadas y no utilizadas o a conexiones designadas como "No Connection (N.C.)".

El incumplimiento de estas instrucciones puede causar la muerte, lesiones serias o daño al equipo.