Schéma de câblage des modules TM3AQ2 / TM3AQ2G

Introduction

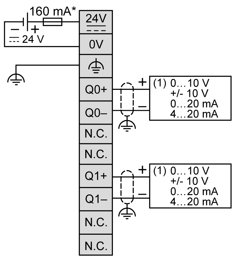
Ces modules d'extension comportent un bornier à vis ou à ressort débrochable pour la connexion des sorties et de l'alimentation.

Règles de câblage

Consultez la section Bonnes pratiques en matière de câblage.

Schéma de câblage

La figure suivante montre le raccordement entre les sorties, les actionneurs et leurs lignes communes :

G-SE-0030400.2.gif-high.gif

 

*   Fusible de type T

(1)   Préactionneur de tension/intensité

Warning_Color.gifAVERTISSEMENT

FONCTIONNEMENT IMPREVU DE L'EQUIPEMENT

Ne raccordez aucun fil à des connexions réservées, inutilisées ou portant la mention « No Connection (N.C.) ».

Le non-respect de ces instructions peut provoquer la mort, des blessures graves ou des dommages matériels.