Caratteristiche del TM3SAC5R / TM3SAC5RG
Questa sezione fornisce una descrizione delle caratteristiche dei moduli safety TM3SAC5R/TM3SAC5RG.
Vedere anche Caratteristiche ambientali.
|
FUNZIONAMENTO IMPREVISTO DELL'APPARECCHIATURA |
Non superare i valori nominali specificati nelle tabelle delle caratteristiche ambientali ed elettriche. |
Il mancato rispetto di queste istruzioni può provocare morte, gravi infortuni o danni alle apparecchiature. |
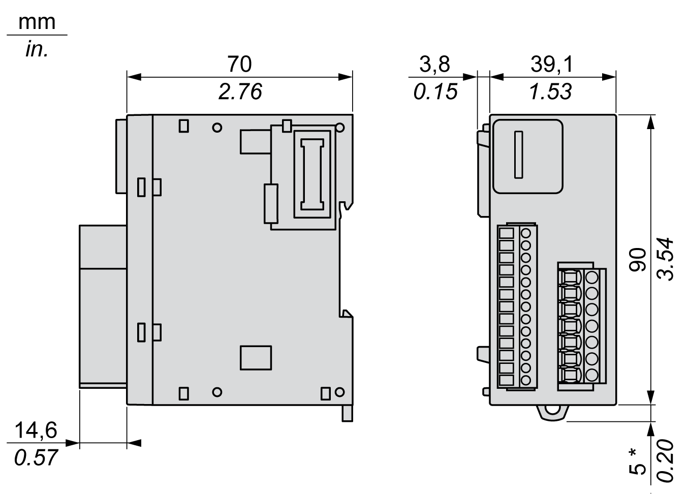
Questo schema mostra le dimensioni esterne dei moduli safety TM3SAC5R/TM3SAC5RG:
* 8,5 mm (0.33 in.) con la graffa estratta.
TM3SAC5R• è un modulo safety per il monitoraggio degli arresti di emergenza e dei finecorsa sui sistemi di sorveglianza di protezione secondo ISO/EN 13849, IEC/EN 62061, IEC/EN 61058. Il modulo dispone delle seguenti caratteristiche relative alla sicurezza:
Caratteristiche |
Valore |
Progettato per le specifiche |
---|---|---|
Livello di integrità della sicurezza (SIL) |
2 |
IEC/EN 61508-1:2010 |
Limite del livello di integrità della sicurezza richiesto (SILCL) |
2 |
IEC/EN 62061:2005 |
Frazione di guasto in sicurezza (SFF) |
95 % |
IEC/EN 61508-1:2010 |
Tolleranza di guasti hardware (HFT) |
1 |
IEC/EN 61508-1:2010 |
Tipo |
A |
IEC/EN 61508-1:2010 |
Modalità di funzionamento |
Modalità domanda di funzionamento alta |
IEC/EN 61508-1:2010 |
Probabilità di guasti pericolosi all'ora (PFHd) |
30 * 10-9 / h (1) |
IEC/EN 61508-1:2010 |
5 * 10-9 / h (2) |
||
Tempo medio prima di guasti pericolosi (MTTFd) |
85 anni (1) |
ISO/EN 13849-1:2008 |
500 anni (2) |
||
Livello di performance (PL) categoria (cat.) |
PL d. cat. 3 |
ISO/EN 13849-1:2008 |
Copertura diagnostica (DC) |
95 % |
ISO/EN 13849-1:2008 |
Durata di vita |
20 anni |
– |
Tempo di risposta |
20 ms |
– |
Intervallo test di prova (PTI) |
Nessuno |
– |
Categoria arresto |
0 |
IEC/EN 60204-1 |
Avvio |
Manuale o automatico |
– |
Percorsi |
• 3 percorsi di abilitazione • 1 percorso di segnalazione |
– |
Feedback |
Loop di feedback per il monitoraggio dei contattori esterni. |
– |
Stato sicuro definito |
I moduli TM3 safety sono nello stato sicuro definito quando le uscite sono spente (relé interni non alimentati, percorso di uscita aperto). |
– |
NOTA: Questi moduli contengono relè elettromeccanici, per cui i valori attuali MTTFd e PFHd variano a seconda del carico dell'applicazione e del ciclo di lavoro. (1) 60 cicli di funzionamento all'ora a DC-13 24 Vdc 1 A (2) 1 ciclo di funzionamento all'ora a DC-13 24 Vdc 4 A |
Questa tabella descrive le caratteristiche di alimentazione del modulo TM3 safety:
Caratteristiche |
Valore |
|
---|---|---|
Tensione di alimentazione |
IEC 60038 |
24 Vdc -15.. .+20 % |
Protezione con fusibile esterno (max.) |
4 A ad azione lenta (classe gG) |
|
Consumo di potenza |
Tensione di alimentazione di 24 Vdc |
3,6 W |
Bus TM3 (5 Vdc) |
0,2 W |
Questa tabella descrive le caratteristiche del circuito di controllo del modulo TM3 safety:
Caratteristiche |
Valore |
|
---|---|---|
Tensione di ingresso (alta) |
Minimo |
20,4 Vdc |
Nominale |
24 Vdc |
|
Massimo |
28,8 Vdc |
|
Tensione di ingresso (bassa) |
Nominale |
0 Vdc |
Corrente di ingresso (alta) |
Nominale |
70 mA |
Massimo |
150 mA |
|
Corrente di ingresso (bassa) |
Nominale |
0 mA |
Tempo di risposta |
≤ 20 ms |
|
Ritardo |
Acceso |
≤ 100 ms |
Restart |
≤ 300 ms |
Questa tabella descrive le caratteristiche del circuito di uscita del modulo TM3 safety:
Caratteristiche |
Valore |
|
---|---|---|
Corrente di commutazione massima di ogni uscita |
AC-15: 230 Vac |
5 A |
DC-13: 24 Vdc |
4 A |
|
Corrente e tensione minima di commutazione (nuovo contatto mai usato con carichi più alti) |
17 V, 10 mA |
|
Corrente massima |
Per percorso di uscita |
6 A |
Somma della corrente di tutti i percorsi di uscita |
≤ 18 A |
|
Protezione con fusibile esterno (max.) |
Fusibile ad azione lenta (classe gG) |
4 A |
Fusibile a intervento rapido |
6 A |
|
Operazioni di commutazione massima |
107 |