TM2AMO2HTN 接线图

接线规则

该模块配备有可插拔式螺钉端子块,用于连接模拟量输出。

Danger_Color.gif危险

火灾危险

o仅对 I/O 通道和电源的电流容量使用正确的导线规格。

o对于继电器输出 (2 A) 接线,请使用横截面积至少为 0.5 平方毫米 (AWG 20) 且额定温度至少为 80 °C (176 °F) 的导体。

o对于继电器输出接线 (4 A) 的通用接线,或者继电器输出接线大于 2 A 的通用接线,请使用横截面积至少为 1.0 平方毫米 (AWG 16) 且额定温度至少为 80 °C (176 °F) 的接线。

不遵循上述说明将导致人员伤亡。

Warning_Color.gif警告

意外的设备操作

请勿超过环境和电气特性表中指定的任何额定值。

不遵循上述说明可能导致人员伤亡或设备损坏。

下表显示可插拔螺钉端子块的特性:

特性

描述

端子类型

可插拔螺钉端子块

可容纳的电线数量

1

可容纳的电线规格

最小值

0.5 平方毫米 (20 AWG)

最大值

1 平方毫米 (18 AWG)

接线图

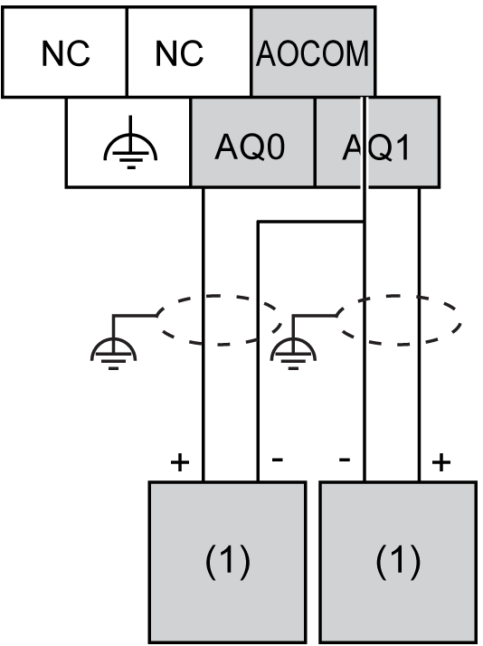
下图显示了 TM2AMO2HTN 扩展模块的模拟量输出接线图:

G-SE-0015540.1.gif-high.gif

 

(1)   电压/电流预执行器

NC   禁止连接 (N.C.)

Warning_Color.gif警告

意外的设备操作

请勿将电缆连接至未使用的端子和/或标记为“No Connection (N.C.)”的端子。

不遵循上述说明可能导致人员伤亡或设备损坏。

Warning_Color.gif警告

意外的设备操作

o对所有快速 I/O、模拟量 I/O 和通讯信号使用屏蔽电缆。

o对所有快速 I/O、模拟量 I/O 和通讯信号使用屏蔽电缆进行单点接地1

o将电源电缆与通讯电缆和 I/O 电缆分开布线。

不遵循上述说明可能导致人员伤亡或设备损坏。

1如果连接至等电位接地面,以避免在出现电源系统短路电流时损坏电缆屏蔽层,则允许进行多点接地。

有关详细信息,请参阅 TM2...N 系统接线规则和建议

如果以物理方式连接用于电压信号的模拟量通道,并在 EcoStruxure Machine Expert 中将此通道配置用于电流信号,则可能会损坏模拟量电路。