TM3DQ8R/TM3DQ8RG 接线图

简介

这些扩展模块具有用于连接输出和电源的内置可插拔螺钉或卡簧端子块。

接线规则

请参阅接线优化方法

接线图

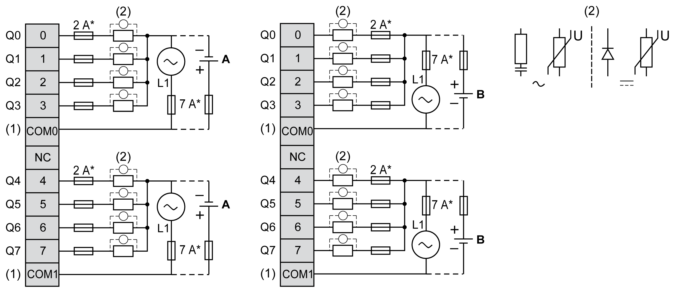
下图说明了输出、执行器及其公共端之间的连接:

G-SE-0028779.2.gif-high.gif

 

*   T 型熔断器

(1)   COM0 和 COM1 端子未在内部连接

(2)   为了延长触点的使用寿命,以及防止潜在的电感式负载损坏,您必须将续流二极管并行连接到每个电感式直流负载或将 RC 缓冲器并行连接到每个电感式交流负载或任一种负载的变阻器。

A   源型接线(正逻辑)

B   漏型接线(负逻辑)

注意: 将 TM3 扩展模块与 TM3 以太网总线耦合器一起使用时,必须先将 RC 缓冲器并行连接到每个电感式交流负载。

有关 24 Vdc 电源的信息,请参阅 DC 电源特征

Warning_Color.gif警告

意外的设备操作

请勿将导线连接至未使用的端子和/或标记为“No Connection (N.C.)”的端子。

不遵循上述说明可能导致人员伤亡或设备损坏。