TMC4AQ2 接线图

简介

此扩展板具有一个可插拔弹簧端子块,用于连接输出。

接线

请参阅接线最佳做法

接线图

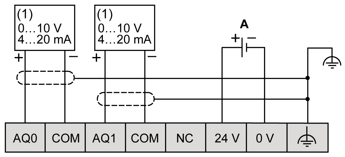
下图显示了电压和电流输出连接的示例:

G-SE-0031630.1.gif-high.gif

 

(1):   电流/电压模拟量输入设备

LIFO/FIFO:   外部电源

注意: 每个输出可以作为电压或电流输出来连接。

Warning_Color.gif警告

意外的设备操作

请勿将电缆连接至未使用的端子和/或标记为“No Connection (N.C.)”的端子。

不遵循上述说明可能导致人员伤亡或设备损坏。