Das Rückmodul ist mit 16 digitalen Eingängen ausgestattet.
|
|
|
BRANDGEFAHR |
|
Verwenden Sie für die Stromleistung der E/A-Kanäle und Spannungsversorgungen ausschließlich angemessene Drahtstärken. |
|
Die Nichtbeachtung dieser Anweisungen führt zu Tod oder schweren Verletzungen. |
Verfügbarkeit von Funktionen bei der Eingangsverwaltung
In der nachstehenden Tabelle wird eine Verwendungsmöglichkeit für die Eingänge des Rückmoduls beschrieben:
|
Funktion |
Eingangsfunktion |
HSC/PTO/PWM-Funktion |
||||||
|---|---|---|---|---|---|---|---|---|
|
Keine |
Run/Stop |
Statusspeicherung |
Ereignisse |
HSC |
PTO |
PWM |
||
|
Filtertyp |
Integrator |
Integrator |
Prelleffekt |
Prelleffekt |
||||
|
Schneller Eingang1 |
FI0 |
X |
X |
X |
X |
A |
– |
– |
|
FI1 |
X |
X |
X |
X |
B/EN |
– |
– |
|
|
Standard- eingang |
DI0 |
X |
X |
– |
– |
SYNC |
– |
– |
|
DI1 |
X |
X |
– |
– |
CAP |
– |
– |
|
|
DI2 |
X |
X |
– |
– |
– |
AUX - Laufwerk bereit |
EN |
|
|
DI3 |
X |
X |
– |
– |
– |
– |
SYNC |
|
|
DI4 |
X |
X |
– |
– |
– |
– |
EN |
|
|
DI5 |
X |
X |
– |
– |
– |
– |
SYNC |
|
|
DI6 |
X |
X |
– |
– |
– |
– |
– |
|
|
DI7 |
X |
X |
– |
– |
– |
– |
– |
|
|
DI8 |
X |
X |
– |
– |
– |
– |
– |
|
|
DI9 |
X |
X |
– |
– |
– |
– |
– |
|
|
DI10 |
X |
X |
– |
– |
– |
– |
– |
|
|
DI11 |
X |
X |
– |
– |
– |
– |
– |
|
|
DI12 |
X |
X |
– |
– |
– |
– |
– |
|
|
DI13 |
X |
X |
– |
– |
– |
– |
– |
|
|
X Ja – Nein 1 Auch als Standardeingang verwendbar |
||||||||
HINWEIS: Sie können Filter und Funktionen zur Verwaltung der HMI-Steuerungseingänge einsetzen.
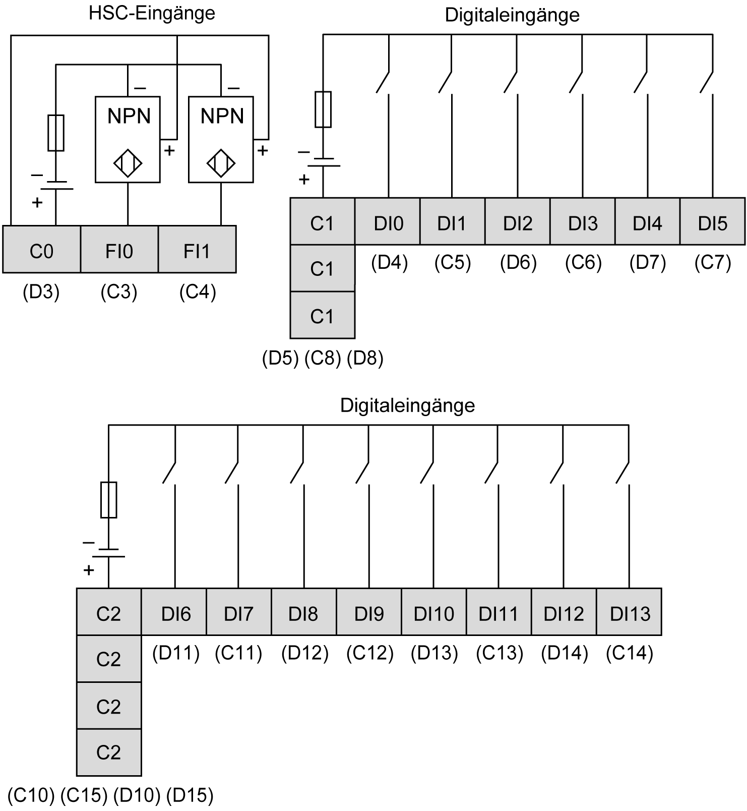
Die Abbildung beschreibt den Verdrahtungsplan von HMISCU6A5-, HMISCU8A5- und HMISAC-Digitaleingangs vom Typ ‚Sink‘ (Senke) (positive Logik):
HINWEIS: Die Digitaleingänge sind vom Typ Sink (Strom ziehend, positive Logik).
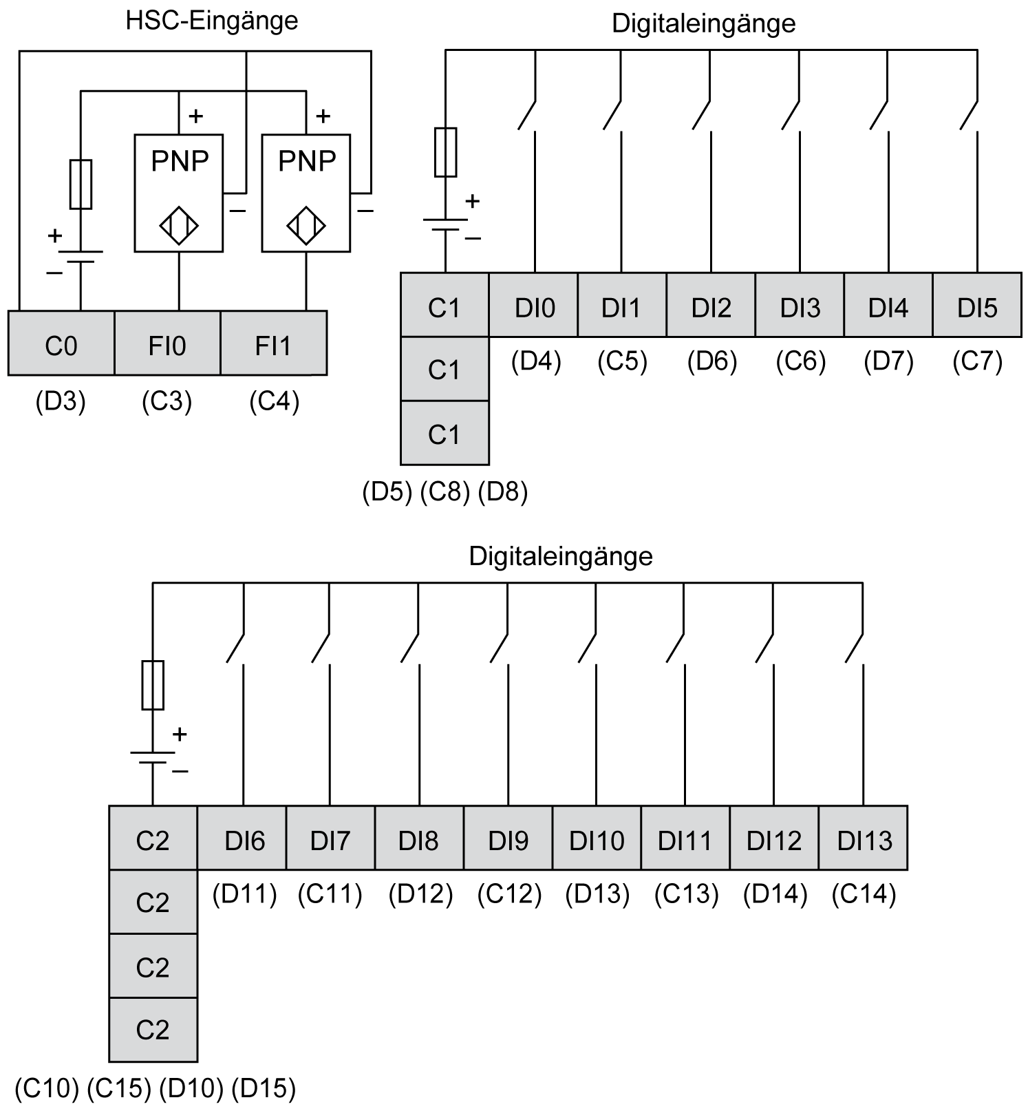
Die Abbildung beschreibt den Verdrahtungsplan von HMISCU6A5-, HMISCU8A5- und HMISAC-Digitaleingangs vom Typ ‚Source‘ (Quelle) (negative Logik):
HINWEIS: Die Digitaleingänge sind vom Typ Source (Strom gebend, negative Logik).
|
|
|
UNBEABSICHTIGTER GERÄTEBETRIEB |
|
Verbinden Sie keine Drähte mit ungenutzten Anschlüssen und/oder mit Anschlüssen, die als No Connection (N.C.) gekennzeichnet sind. |
|
Die Nichtbeachtung dieser Anweisungen kann Tod, schwere Verletzungen oder Sachschäden zur Folge haben. |
|
|
|
UNBEABSICHTIGTER GERÄTEBETRIEB |
|
Verwenden Sie das Sensoren- und Aktorennetzteil ausschließlich zur Spannungsversorgung der an das Modul angeschlossenen Sensoren oder Aktoren. |
|
Die Nichtbeachtung dieser Anweisungen kann Tod, schwere Verletzungen oder Sachschäden zur Folge haben. |