Ausgangsverwaltung

Einführung

Das HMISCU Controller-System umfasst Standardausgänge und schnelle Ausgänge.

Für schnelle Ausgänge können folgende Ausgangsfunktionen konfiguriert werden:

oPTO (Pulsfolgeausgang)

oPWM (Pulsweitenmodulation)

HINWEIS: Alle Ausgänge können als Standardausgänge verwendet werden.

Verfügbare Verwaltung schneller Ausgänge

Die nachstehenden Informationen gelten für alle HMISCU Controller-Systeme mit schnellen Ausgängen:

Funktion

PTO / PWM

Kanalnummer

Kanalname

Transistorausgang

FQ0

PTO0 Ausgang0

FQ1

PTO1 Ausgang1

Fehlerausweichmodi (Verhalten der Ausgänge im Stop-Zustand)

Wenn die Steuerung aus einem beliebigen Grund in den STOP- oder EXCEPTION-Zustand wechselt, werden die lokalen Ausgänge auf die Fehlerausweichwerte gesetzt. Zwei Modi sind verfügbar:

Alle Ausgänge auf Standardwert setzen: Jeder Ausgang wird auf den konfigurierten Standardwert, entweder 0 oder 1, gesetzt (in der Konfiguration werkseitig auf 0 eingestellt).

Werte beibehalten: Jeder Ausgang behält seinen aktuellen Status bei.

Die ggf. konfigurierten Fallback-Einstellungen (Fehlerausweichmodus: Zurücksetzen auf 0, Setzen auf 1 oder Beibehalten des aktuellen Status) gelten nicht für schnelle Ausgänge, wenn diese Ausgänge für eine integrierte Funktion konfiguriert wurden. Wenn ein aufgetretener Fehler dazu führt, dass die Steuerung in den Fehlerausweichmodus wechselt, werden diese Ausgänge auf 0 gesetzt, ungeachtet der konfigurierten Fallback-Einstellung.

Warning_Color.gifWARNUNG

UNBEABSICHTIGTER GERÄTEBETRIEB

Wenn Sie schnelle Ausgänge für eine integrierte Funktion verwenden, konzipieren und programmieren Sie Ihr System so, dass das gesteuerte Gerät in einen sicheren Zustand übergeht, wenn die Steuerung in den Fehlerausweichmodus wechselt.

Die Nichtbeachtung dieser Anweisungen kann Tod, schwere Verletzungen oder Sachschäden zur Folge haben.

HINWEIS:

oDie Fallback-Konfiguration für Ausgänge wird nicht angewendet, wenn schnelle Ausgänge für eine integrierte Funktion verwendet werden. In diesen Fällen ist der Fehlerausweichmodus grundsätzlich 0.

oIm Fehlerausweichmodus für die integrierte Funktion PTO werden alle laufenden Bewegungen mit einer fallenden Rampe auf 0 abgebrochen (kontrolliertes Stoppen).

Kurzschluss oder Überstrom an Ausgängen

Bei einem Kurzschluss oder Überstrom an Ausgängen sind 2 Gruppen von Ausgängen zu berücksichtigen:

oGruppe 3: Schnelle Ausgänge

oGruppe 1 und 2: Relaisausgänge

Für Gruppe 1 ist ein Kurzschlussschutz von den Ausgängen zu V- vorhanden. Allerdings ist kein anderer Kurzschlussschutz an den Ausgängen verfügbar.

HMISCU•A5 (type DIO): Bei einem Kurzschluss oder Überstrom an Ausgängen sind 2 unterschiedliche Ausgangsgruppen zu berücksichtigen:

oGruppe 3 (FQ0 bis FQ1): 2 schnelle Ausgänge

oGruppe 1 und 2 (DQ0 bis DQ7): 8 Standardausgänge

HMISCU•B5 (type DIO and AIO): Bei einem Kurzschluss oder Überstrom an Ausgängen sind 2 unterschiedliche Ausgangsgruppen zu berücksichtigen:

oGruppe 3 (FQ0 bis FQ1): 2 schnelle Ausgänge

oGruppe 1 und 2 (DQ0 bis DQ5): 6 Standardausgänge

HINWEIS: Die Gruppen sind in der Beschreibung der Klemmenleisten im allgemeinen Einführungskapitel zu jeder Steuerung definiert.

In der nachstehenden Tabelle wird das Verhalten bei Auftreten eines Kurzschlusses beschrieben:

Wenn...

dann...

ein Kurzschluss bei 0 V an Gruppe 3 vorliegt,

wechselt Gruppe 3 automatisch in den Überhitzungsschutzmodus (alle schnellen und PWM-Ausgänge werden auf 0 gesetzt, die PTO-Ausgänge führen einen Soforthalt aus) und wird in regelmäßigen Zeitabständen (alle 10 Sekunden) wiedereingeschaltet, um den Verbindungsstatus zu testen (siehe nachstehenden Warnhinweis).

ein Kurzschluss bei 24 V an Gruppe 3 vorliegt,

wechselt Gruppe 3 automatisch in den Schutzmodus und wird in regelmäßigen Zeitabständen (alle 200 Mikrosekunden) wiedereingeschaltet, um den Verbindungsstatus zu testen.

HINWEIS: Die Informationen in der Tabelle gelten nicht für Relaisausgänge.

Weitere Informationen zum Schutz der Ausgänge können Sie dem Verdrahtungsplan der Steuerung sowie den allgemeinen Verdrahtungsregeln entnehmen.

HINWEIS: Die Kurzschluss-Diagnose für jede Kategorie wird von der Funktion GetshortcutStatus sichergestellt.

Die Standardausgänge dieses Geräts sind nicht mit einem integrierten Verpolungsschutz ausgerüstet. Eine falsche Polarität kann an den Ausgangskreisen bleibende Schäden verursachen oder zu einem unbeabsichtigten Geräteverhalten führen.

HINWEIS

BESCHÄDIGUNG DER SCHNELLAUSGÄNGE

oSorgen Sie an der Spannungsversorgung der Schnellausgänge für einen angemessenen Kurzschlussschutz.

oLegen Sie an keine der DC-Schnellausgangsklemmen eine positive Spannung an.

oBeachten Sie die Verdrahtungspläne im Anschluss an diese Hinweise.

Die Nichtbeachtung dieser Anweisungen kann Sachschäden zur Folge haben.

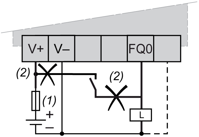
Beispiel für eine ungültige Verdrahtung:

G-SE-0023207.1.gif-high.gif

 

1   Flinke 2-A-Sicherung

2   Falsche Verdrahtung

Warning_Color.gifWARNUNG

UNBEABSICHTIGTER MASCHINENSTART

Unterbinden Sie das automatische Wiedereinschalten der Ausgänge, falls dieses Verhalten für die Maschine oder den Prozess nicht wünschenswert ist.

Die Nichtbeachtung dieser Anweisungen kann Tod, schwere Verletzungen oder Sachschäden zur Folge haben.

Hinweise zur Verdrahtung

HINWEIS: Die Spannungsversorgung der PTO/PWM-Schaltung wird vor der Systemversorgung eingeschaltet, andernfalls tritt ein PTO/PWM-Fehler auf.

Warning_Color.gifWARNUNG

UNBEABSICHTIGTER GERÄTEBETRIEB

Verdrahten Sie die Ausgänge ordnungsgemäß in Übereinstimmung mit den Verdrahtungsplänen.

Die Nichtbeachtung dieser Anweisungen kann Tod, schwere Verletzungen oder Sachschäden zur Folge haben.

Wenn Ihre Steuerung oder Ihr Modul Relaisausgänge umfasst, bieten diese Ausgänge Unterstützung für bis zu 240 VAC. Eine Beschädigung dieser Art Ausgänge durch induktive Lasten kann zu Schweißkontakten und Steuerungsverlust führen. Induktive Lasten müssen mit einer Schutzeinrichtung ausgestattet sein, wie z. B. einem RC-Spitzenwertbegrenzer, einem RC-Stromkreis oder einer Schutzdiode. Kapazitive Lasten werden von diesen Relais nicht unterstützt.

Warning_Color.gifWARNUNG

VERSCHWEISSUNG DER RELAISAUSGÄNGE

oSchützen Sie Relaisausgänge stets vor einer Beschädigung durch induktive Wechselstrom­lasten mithilfe einer geeigneten externen Schutzschaltung oder -vorrichtung.

oSchließen Sie Relaisausgänge niemals an kapazitive Lasten an.

Die Nichtbeachtung dieser Anweisungen kann Tod, schwere Verletzungen oder Sachschäden zur Folge haben.