TM3RDM32R Characteristics

Introduction

This section provides a description of the electrical and input/output characteristics of the TM3RDM32R expansion modules.

See also Environmental Characteristics.

Danger_Color.gifDANGER

FIRE HAZARD

oUse only the correct wire sizes for the current capacity of the I/O channels and power supplies.

oFor relay output (2 A) wiring, use conductors of at least 0.5 mm2 (AWG 20) with a temperature rating of at least 80 °C (176 °F).

oFor common conductors of relay output wiring (4 A), or relay output wiring greater than 2 A, use conductors of at least 1.0 mm2 (AWG 16) with a temperature rating of at least 80 °C (176 °F).

Failure to follow these instructions will result in death or serious injury.

Warning_Color.gifWARNING

UNINTENDED EQUIPMENT OPERATION

Do not exceed any of the rated values specified in the environmental and electrical characteristics tables.

Failure to follow these instructions can result in death, serious injury, or equipment damage.

Overview

TM3RDM32R digital expansion module:

o16 channel 24 Vdc sink/source inputs

o2 common lines for inputs

o16 channel 2 A relay outputs

o4 common lines for outputs

oRemovable screw terminal block

Status LEDs

The following figure shows the status LEDs:

G-SE-0042686.1.gif-high.gif

 

 

This table describes the status LEDs:

LED

Color

Status

Type

Description

0...15

Green

On

Input

The channel is activated

Off

The channel is deactivated

0...15

Green

On

Output

The channel is activated

Off

The channel is deactivated

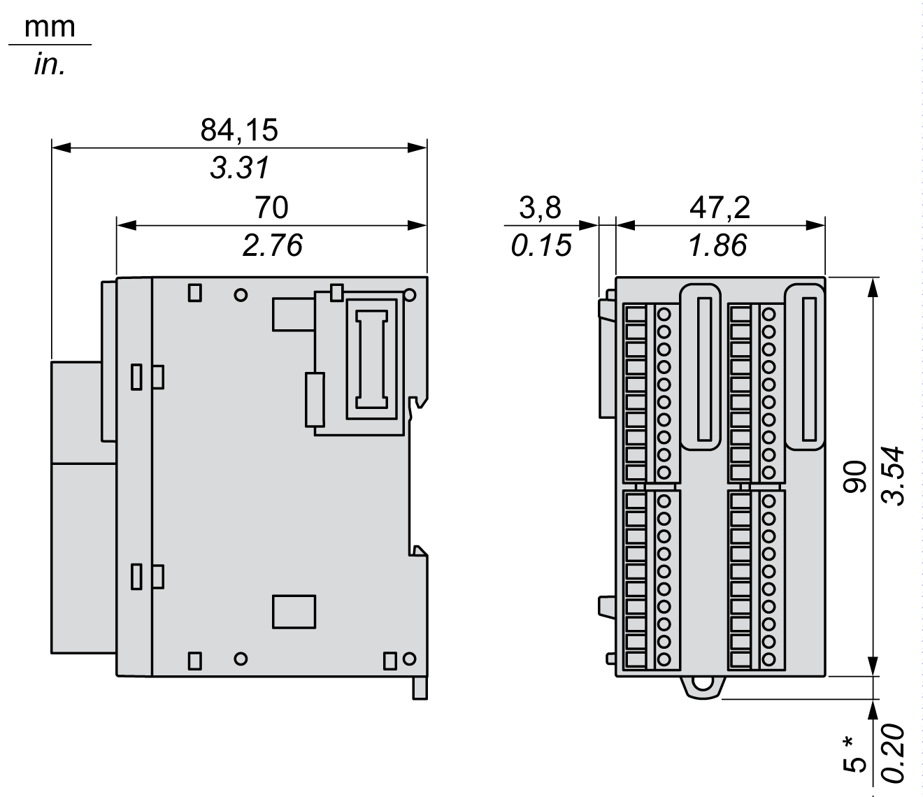
Dimensions

The following diagrams show the external dimensions for the TM3RDM32R expansion modules:

G-SE-0042687.1.gif-high.gif

 

 

NOTE: * 8.5 mm (0.33 in) when the clamp is pulled out.

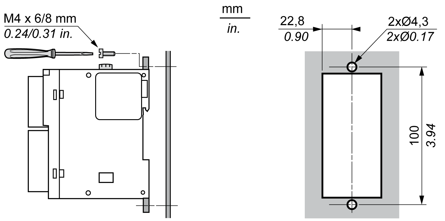
Panel Mounting

Insert the mounting strip into the slot at the top of the module:

G-SE-0042844.1.gif-high.gif

 

 

The following diagram shows the mounting holes layout for the TM3RDM32R expansion module:

G-SE-0042846.1.gif-high.gif

 

 

Main Characteristics

Characteristic

Value

Input

Number of input channels

16 inputs

Input type

Type 1 (IEC/EN 61131-2)

Input Logic type

Sink/Source

Rated input voltage

24 Vdc

Output

Number of output channels

16 outputs

Contact type

NO (Normally Open)

Rated output voltage

24 Vdc / 220 Vdc

Rated output current

2 A

Connection and cable types

Connection type

Removable screw terminal blocks

Cable type and length

Type

Unshielded

Length

Input: max. 50 m (164 ft)

Output: max. 150 m (490 ft)

Weight

208 g (7.34 oz)

Input Characteristics

The table below describes the input characteristics of the TM3RDM32R:

Characteristic

Value

Number of input channels

16 inputs

Number of channels groups

2 common lines for 16 channels

Input type

Type 1 (IEC/EN 61131-2)

Logic type

Sink/source

Rated input voltage

24 Vdc

Input voltage range

0...28.8 Vdc

Rated input current

5 mA

Input impedance

4.7 kΩ

Input limit values

Voltage at state 1

 > 15 Vdc (15...28.8 Vdc)

Voltage at state 0

< 5 Vdc (0..5 Vdc)

Current at state 1

> 2.5 mA

Current at state 0

< 1.5 mA

Turn on time

4 ms

Turn off time

4 ms

De-rating

0...55 °C

(32...131 °F)

See Input de-rating

Isolation

Between input and internal logic

500 Vac / 800 Vdc

Between input group and output group

1500 Vac / 2500 Vdc

Between input groups

500 Vac / 800 Vdc

Connection type

Removable screw terminal block

Connector insertion/removal durability

Over 100 times

Current draw on 5 Vdc internal bus

95 mA

Current draw on 24 Vdc internal bus

80 mA

Input De-rating

When using TM3RDM32R:

G-SE-0039128.1.gif-high.gif

 

X   Ambient temperature (°C / °F)

Y   Input voltage

Output Characteristics

The table below describes the output characteristics of the TM3RDM32R

Characteristic

Value

Number of output channels

16

Number of channel groups

4 common line for 16 channels

Output type

Relay

Contact type

NO (Normally Open)

Rated output current

2 A per output

Maximum output current

2 A per output

4 A per common

Maximum output frequency

With max. load

0.1 Hz

Without load

5 Hz

Turn on time

Max. 10 ms

Turn off time

Max. 10 ms

De-rating

0...55 °C

(32...131 °F)

See Output de-rating

Mechanical life

20 million operations

Electrical life under resistive load 2 A

100,000 switching cycles at 45 °C (113 °F)

Protection against short circuit

No

Isolation

Between output and internal logic

1500 Vac / 2500 Vdc

Between input group and output group

1500 Vac / 2500 Vdc

Between output groups

1500 Vac / 2500 Vdc

Connection type

Removable screw terminal block

Connector insertion/removal durability

Over 100 times

Current draw on 5 Vdc internal bus

95 mA

Current draw on 24 Vdc internal bus

80 mA

NOTE: Refer to Protecting Outputs from Inductive Load Damage for additional information on this topic.

Output De-rating

When using TM3RDM32R:

G-SE-0039215.1.gif-high.gif

 

X   Ambient temperature (°C / °F)

Y   Output load current (%)

Power Limitation

This table describes the power limitation of the TM3RDM32R expansion modules depending on the voltage, the type of load, and the number of operations required.

These expansion modules do not support capacitive loads.

Warning_Color.gifWARNING

RELAY OUTPUTS WELDED CLOSED

oAlways protect relay outputs from inductive alternating current load damage using an appropriate external protective circuit or device.

oDo not connect relay outputs to capacitive loads.

Failure to follow these instructions can result in death, serious injury, or equipment damage.

Power Limitations

Voltage

24 Vdc

120 Vac

240 Vac

Number of operations

Power of resistive loads

AC-12

240 VA

80 VA

480 VA

160 VA

100,000

300,000

Power of inductive loads

AC-15 (cos ϕ = 0.35)

60 VA

18 VA

120 VA

36 VA

100,000

300,000

Power of inductive loads

AC-14 (cos ϕ = 0.7)

120 VA

36 VA

240 VA

72 VA

100,000

300,000

Power of resistive loads

DC-12

48 W

16 W

100,000

300,000

Power of inductive loads

DC-13 L/R = 7 ms

24 W

7.2 W

100,000

300,000