Characteristics of the TM2DDO16UK Module

Introduction

This section provides a description of the power limitation, the electrical and the output character­istics of the TM2DDO16UK module.

See also Environmental Characteristics.

Danger_Color.gifDANGER

FIRE HAZARD

Use only the correct wire sizes for the maximum current capacity of the I/O channels and power supplies.

Failure to follow these instructions will result in death or serious injury.

Warning_Color.gifWARNING

UNINTENDED EQUIPMENT OPERATION

Do not exceed any of the rated values specified in the environmental and electrical characteristics tables.

Failure to follow these instructions can result in death, serious injury, or equipment damage.

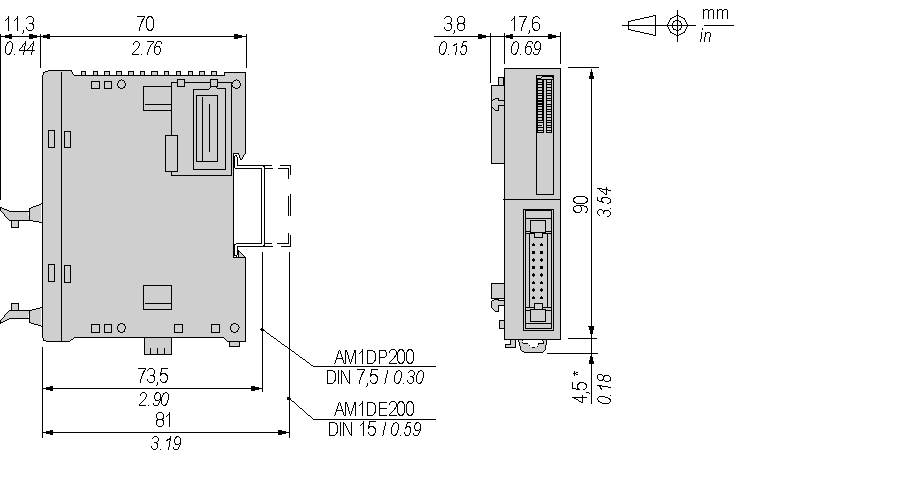
Dimensions

The following diagrams show the dimensions for the TM2DDO16UK module.

G-RU-0010315.1.gif-high.gif

 

 

NOTE: * 8.5 mm (0.33 in) when the clamp is pulled out.

TM2DDO16UK Electrical Characteristics

Isolation between output and internal bus

500 Vac

Isolation between output terminal

not isolated

Connector insertion/removal durability

Over 100 times

Current draw on 5 Vdc internal bus

10 mA (all outputs on)

5 mA (all outputs off)

Current draw on 24 Vdc internal bus

40 mA (all outputs on)

0 mA (all outputs off)

TM2DDO16UK Output Characteristics

Output channels

16

Common lines

1 common line for 16 channels

Output current

0.12 A max per output

2 A max per common line

Output voltage

24 Vdc

Output voltage range

20.4...28.8 Vdc

Voltage drop

0.4 Vdc max

Turn on time

300 µs

Turn off time

300 µs

Protection against overload and short circuit

External fuse (fast blow, 0.125 A Max)

Protection against reverse polarity

Not protected