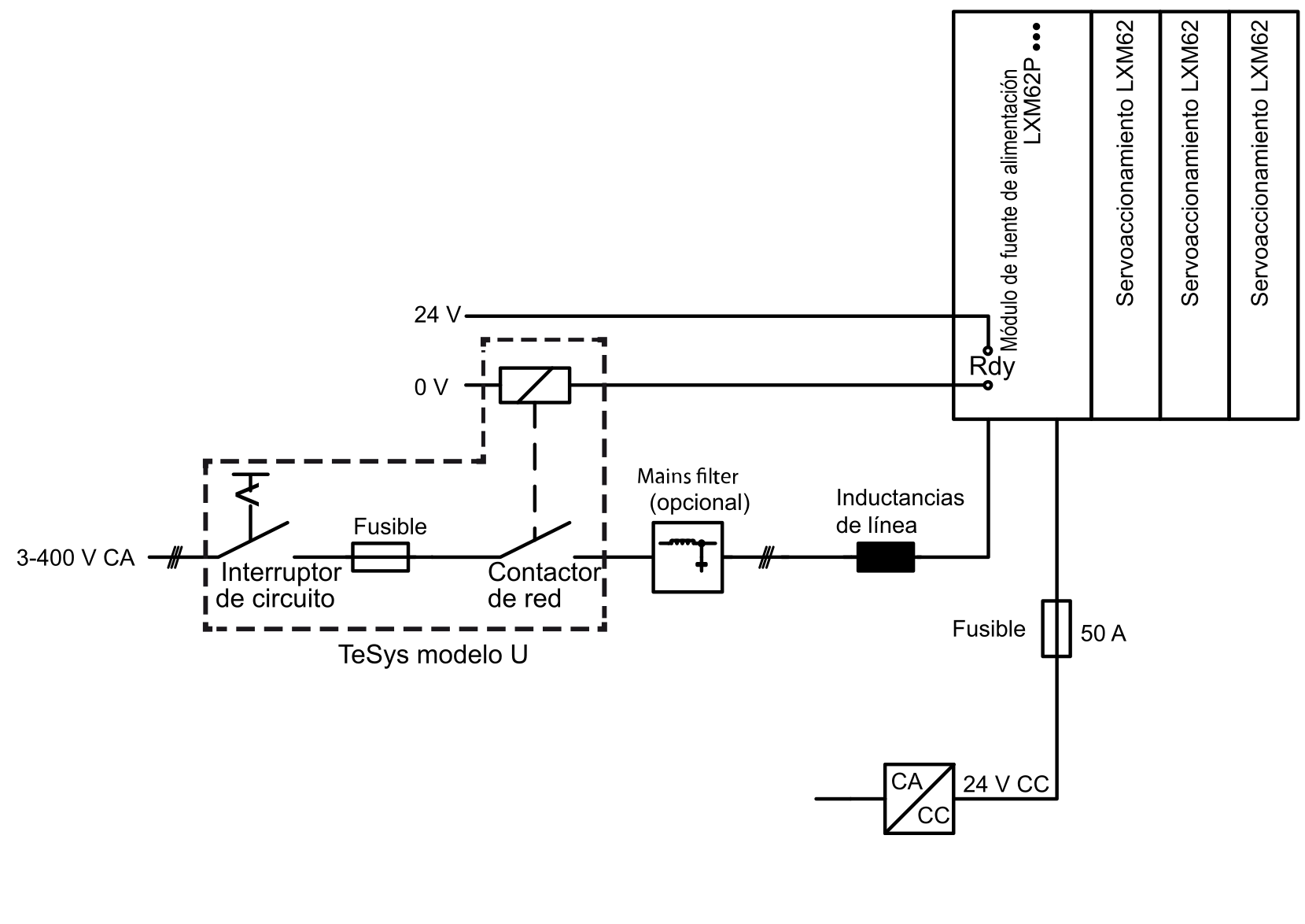
Conexión del Lexium 62 Power Supply

Descripción general

NOTA: La corriente de entrada de alimentación de 24 V CC debe estar limitada a 50 A. Para ello, puede usar un fusible de 50 A, tal y como se muestra anteriormente. Es obligatorio usar un fusible de 50 A si se utiliza una fuente de alimentación de 24 V CC sin limitación de corriente.

Para obtener más información, consulte Protección de la conexión de red con fusibles.