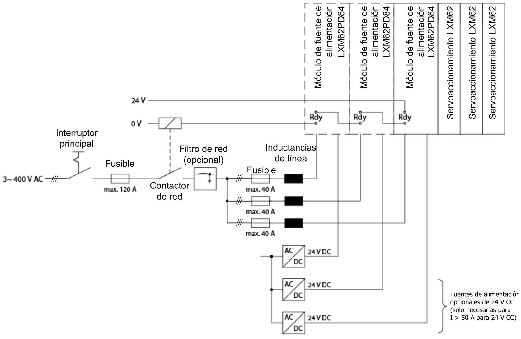
Conexión paralela de varios Lexium 62 Power Supply (LXM62PD84A11000)

Descripción general

Si se necesitan corrientes de bus DC que superen la capacidad nominal de un Lexium 62 Power Supply, se pueden conectar hasta 3 módulos de fuente de alimentación Lexium 62 de tipo LXM62PD84A11000 en paralelo.

Con una conexión paralela de varios Lexium 62 Power Supplies (LXM62PD84A11000), puede aumentar la corriente del bus DC disponible y, por tanto, aumentar la potencia.

También puede aumentar la capacidad máxima del bus DC que se puede conectar mediante una conexión paralela de dispositivos Lexium 62 Power Supply. La capacidad total del bus DC que se puede soportar mediante un único Lexium 62 Power Supply (Lexium 62 Power Supply) es de 12,5 mF. La capacidad adicional de un segundo LXM62PD84A11000 conectado o de cada dispositivo adicional conectado asciende a 9,4 mF.

Conexión paralela de hasta 3 Lexium 62 Power Supplies (LXM62PD84A11000)

Si se usa una fuente de alimentación adecuada de 24 V CC que garantice que la corriente de salida sea siempre inferior a 50 A, no se necesitan fusibles para las entradas de alimentación de 24 V CC.

Datos de potencia de la conexión paralela:

Número de Lexium 62 Power Supply LXM62PD84

Corriente del bus DC

Potencia de salida continua en la entrada de red de 400 V CA

Capacidad permisible del bus DC

Corriente continua

Corriente de pico

1

42,0 A

84,0 A

22,1 kW

12,5 mF (1)

2

73,9 A

147,0 A

38,9 kW

21,9 mF (1)

3

110,9 A

189,0 A

58,4 kW

31,3 mF (1)

(1) Suma total de las capacidades del bus DC de los dispositivos conectados a los módulos de Lexium 62 Power Supply, incluida la capacidad del bus DC de los propios módulos de Lexium 62 Power Supply.

NOTA: Se pueden conectar en paralelo hasta un máximo de tres módulos de Lexium 62 Power Supply del tipo LXM62PD84A11000 para no sobrecargar el módulo de barra de bus.
 PELIGRO
INCENDIO, DESCARGA ELÉCTRICA O ARCO ELÉCTRICO
  • No instale más de tres módulos Lexium 62 Power Supply en el mismo bus DC.
  • La corriente continua máxima en cualquier punto del enlace de CC y la conexión de 24 V/0 V no debe superar los 120 A.
Si no se siguen estas instrucciones, se producirán lesiones graves o la muerte.
NOTA: Para calcular la corriente del bus DC máxima de su Lexium 62 Drive System, consulte Cálculo de la corriente continua en el caso más desfavorable. Si en el cálculo se superan los 120 A, tendrá que añadir fusibles al bus DC para limitar la corriente. Para obtener más información, consulte Fusible externo.

La conexión paralela de varias fuentes de alimentación de Lexium 62 del tipo LXM62PD20A11000 no está permitida.

Tampoco está permitido el funcionamiento mixto en paralelo del Lexium 62 Power Supply de tipo LXM62PD20A11000 y el Lexium 62 Power Supply de tipo LXM62PD84A11000.

Aplicación: reactor de líneas de red

Cada Lexium 62 Power Supply (LXM62PD84A11000) debe suministrarse desde un reactor de líneas de red independiente. Entre otros motivos, el reactor de líneas de red ofrece una distribución más uniforme de la carga en el Lexium 62 Power Supply (LXM62PD84A11000).

Los reactores de líneas deben ser del mismo tipo para garantizar una distribución equitativa de la carga en los módulos individuales de Lexium 62 Power Supply.

El reactor de líneas de red debe estar protegido frente a sobrecargas.

Aplicación: contactor de red/preparado

Si un Lexium 62 Power Supply (LXM62PD84A11000) muestra un error, debe asegurarse de que todos los Lexium 62 Power Supplies (LXM62PD84A11000) conectados en paralelo se desconectan de la red al mismo tiempo.

Por lo tanto, las señales "Ready" del Lexium 62 Power Supply (LXM62PD84A11000) deben conectarse en serie y conducir a un mismo contactor de red.

Además, se debe aplicar la tensión de línea a todas las fuentes de alimentación a la vez. El contactor de red ayuda a garantizar que todos los módulos de Lexium 62 Power Supply involucrados reciben energía al mismo tiempo.

Si no aplica y elimina la tensión de línea en las fuentes de alimentación conjuntamente, puede sobrecargar el sistema de alimentación eléctrica.

 ADVERTENCIA
FUENTE DE ALIMENTACIÓN SOBRECARGADA
  • Asegúrese de que se suministra tensión de línea simultáneamente a todas las fuentes de alimentación en una instalación con varias fuentes de alimentación.
  • Asegúrese de que todas las fuentes de alimentación se deenergicen simultáneamente.
Si no se siguen estas instrucciones, pueden producirse lesiones graves, muerte o daños en el equipo.

Aplicación: fuente de alimentación de 24 V

Para máquinas con un suministro de 24 V hasta 50 A, es suficiente con utilizar una unidad de fuente de alimentación conectada a cualquier Lexium 62 Power Supply (LXM62PD84A11000).

La entrada de 24 V está limitada a 50 A por Lexium 62 Power Supply (LXM62PD84A11000).

La corriente por cada Lexium 62 Power Supply (LXM62PD84A11000) debe estar limitada a 50 A. Para lograrlo puede, por ejemplo, usar unidades de fuente de alimentación que reducen la tensión de salida tras alcanzar el límite de potencia.

Las conexiones paralelas deben estar aprobadas por el fabricante de la unidad de fuente de alimentación. La corriente total no debe superar los 120 A.

No use unidades de fuente de alimentación pasivas con fusibles para las conexiones paralelas. No son apropiadas para limitar la corriente a menos de 50 A ya que apagan la corriente en lugar de reducir la tensión. Por lo tanto, con este tipo de unidad de fuente de alimentación, no es posible distribuir la carga de forma uniforme.