Configuración, instalación y mantenimiento: comprobación del cableado

Descripción general

Para aplicaciones mixtas de las variantes C/D/G del Lexium 62 y las variantes E/F del Lexium 62 con una conexión Inverter Enable de dos canales (Propuesta de aplicación para las variantes de canal único puenteado y Propuesta de aplicación para las variantes C/D/G de dos canales con cableado protegido) para las variantes C/D/G del Lexium 62 con una conexión Inverter Enable de dos canales, es necesario realizar la siguiente comprobación del cableado.

Determinación del estado de Inverter Enable en EcoStruxure Machine Expert Logic Builder

El estado de la entrada Inverter Enable aparece en el EcoStruxure Machine Expert Logic Builder. Se puede utilizar para determinar si los accionamientos tienen el cableado correcto (1 canal o 2 canales).

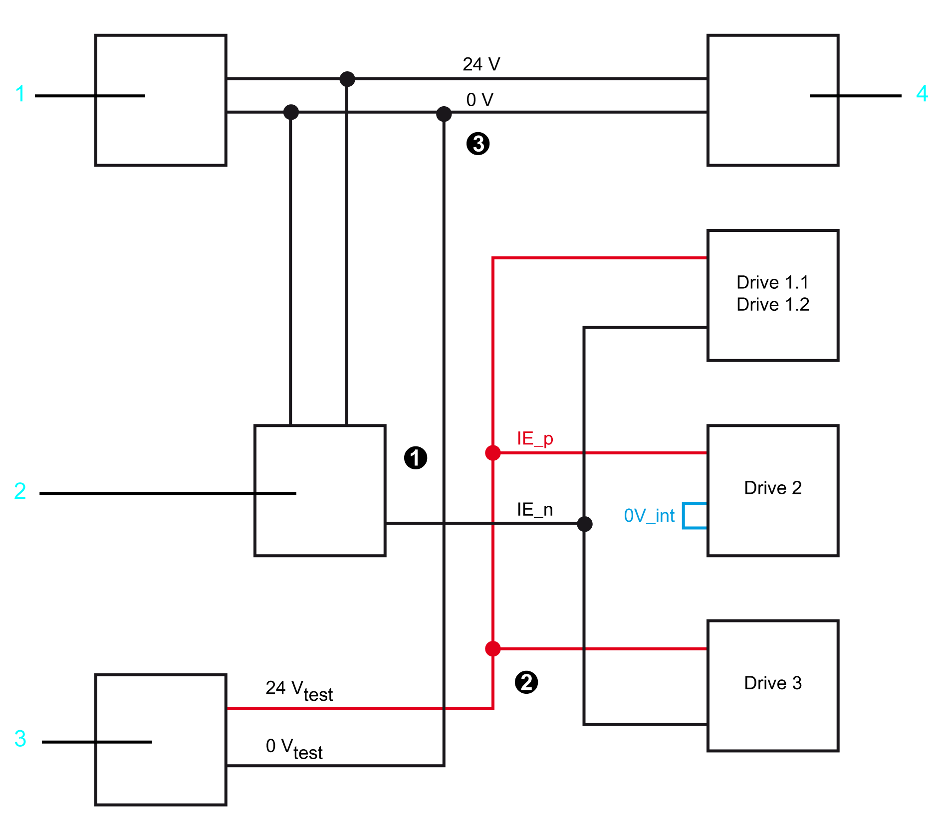
1 Unidad de fuente de alimentación de 24 V

2 Dispositivo de conmutación de seguridad

3 Unidad de fuente de alimentación externa de 24 V

4 Lexium 62 Power Supply

Procedimiento de medición

Paso

Acción

1

Cablee los canales de Inverter Enable y conecte los conectores a los accionamientos.

2

Desconecte la conexión IE_p (24 V) para los accionamientos en el dispositivo de conmutación de seguridad (consulte el paso 1 del siguiente gráfico).

3

Conecte la conexión IE_p desconectada (24 V) a una unidad de fuente de alimentación de 24 V externa (consulte el paso 2 del siguiente gráfico).

4

El polo negativo del Lexium 62 Power Supply debe conectarse al suministro de 0 V de los accionamientos (PIN 1 del conector CN5 del Lexium 62 Power Supply (consulte el paso 3 en el siguiente gráfico)).

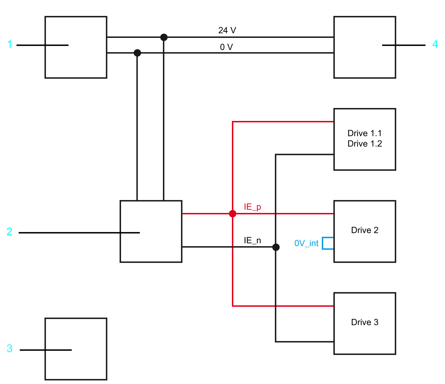
Comprobación del cableado de 1 canal

1 Unidad de fuente de alimentación de 24 V

2 Dispositivo de conmutación de seguridad

3 Unidad de fuente de alimentación externa de 24 V

4 Lexium 62 Power Supply

Paso

Acción

5

Compruebe el estado de la función IE (Inverter Enable) de cada accionamiento en EcoStruxure Machine Expert Logic Builder.

Resultado: En este caso, solo los accionamientos de 1 canal pueden estar activos.

6

Registre los valores de estado en una tabla. Si es necesario, puede crear también las capturas de pantalla en EcoStruxure Machine Expert Logic Builder.

Ejemplo: variante de 1 canal

Accionamiento

Conexión

Estado esperado

Estado mostrado

1.1

2 canales

Desconectado/0

1.2

2 canales

Desconectado/0

2

1 canales

Conectado/1

3

2 canales

Desconectado/0

Esta tabla se utiliza como ejemplo de la documentación, y es obligatorio completarla.

Debe introducir el resultado, legible en EcoStruxure Machine Expert Logic Builder, en la columna "Estado mostrado".

Paso

Acción

7

Retire la conexión de 0 V entre el Lexium 62 Power Supply y la unidad de fuente de alimentación externa (consulte el paso 4 del siguiente gráfico).

8

Desconecte la conexión IE_n (0 V) para los accionamientos de dos canales en el dispositivo de conmutación de seguridad (consulte el paso 5 del siguiente gráfico).

9

Conecte la conexión IE_n desconectada (0 V) a la unidad de fuente de alimentación de 24 V externa (consulte el paso 6 del siguiente gráfico).

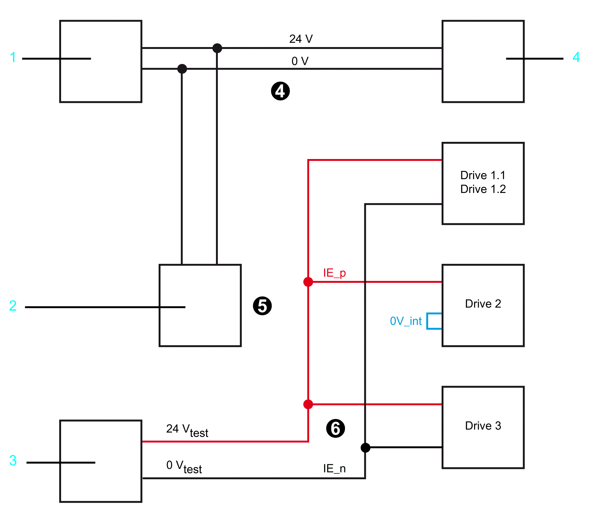
Comprobación del cableado de 2 canales

1 Unidad de fuente de alimentación de 24 V

2 Dispositivo de conmutación de seguridad

3 Unidad de fuente de alimentación externa de 24 V

4 Lexium 62 Power Supply

Paso

Acción

1

Compruebe el estado de la función IE (Inverter Enable) de cada accionamiento en EcoStruxure Machine Expert Logic Builder.

Resultado: En este caso, solo los accionamientos de 2 canal pueden estar activos.

2

Registre los valores de estado en una tabla. Si es necesario, puede crear también las capturas de pantalla en EcoStruxure Machine Expert Logic Builder.

Ejemplo: variante de 2 canales

Accionamiento

Conexión

Estado esperado

Estado mostrado

1.1

2 canales

Conectado/1

1.2

2 canales

Conectado/1

2

1 canales

Desconectado/0

3

2 canales

Conectado/1

Esta tabla se utiliza como ejemplo de la documentación, y es obligatorio completarla.

Debe introducir el resultado, legible en EcoStruxure Machine Expert Logic Builder, en la columna "Estado mostrado".

Paso

Acción

3

Vuelva a conectar la conexión IE_n al dispositivo de conmutación de protección.

4

Conecte la conexión IE_p (24 V) al dispositivo de conmutación de protección.

NOTA: El fabricante de la máquina debe conservar las tablas junto con el resto de documentos de la máquina para poder consultarlas.
NOTA: Compruebe el cableado cada vez que sustituya un componente relacionado con la seguridad.