Diagrama de cableado de TMC4HOIS01

Introducción

Para conectar las entradas, este cartucho tiene un bloque de terminales de resorte extraíble.

Cableado

Consulte la sección Prácticas recomendadas relativas al cableado.

Diagrama de cableado

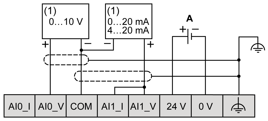
En la figura siguiente se muestra un ejemplo de la conexión de entrada de corriente y tensión:

G-SE-0031629.1.gif-high.gif

 

(1):   Dispositivo de salida analógica de tensión y corriente

A:   Fuente de alimentación externa

NOTA: Cada entrada se puede conectar a una entrada de tensión o corriente.