Gestion des sorties

Introduction

Le HMISCU Controller comprend des sorties normales et des sorties rapides.

Les fonctions de sorties suivantes sont configurables sur les sorties rapides :

osortie à train d'impulsions (PTO - Pulse Train Output)

omodulation de la largeur d'impulsion (PWM - Pulse Width Modulation)

NOTE : Par défaut, toutes les sorties peuvent être utilisées en tant que sorties normales.

Gestion des sorties rapides

Ces informations concernent tous les HMISCU Controller comportant des sorties rapides :

Fonction

PTO / PWM

Numéro de canal

Nom de canal

Sortie transistor

FQ0

PTO0 Output0

FQ1

PTO1 Output1

Modes de repli (Comportement des sorties en état Stop)

Lorsque le contrôleur passe en état STOP ou EXCEPTION pour une raison quelconque, les sorties locales prennent leurs valeurs de repli. Deux modes sont disponibles :

Ramener toutes les sorties à la valeur par défaut : Chaque sortie reprend sa valeur par défaut, 0 ou 1 (valeur initiale de 0 dans la configuration).

Conserver les valeurs : Chaque sortie conserve son état courant.

Les paramètres de repli configurables (repli à 0, repli à 1 ou repli à l'état actuel) ne s'appliquent pas aux sorties rapides si celles-ci sont configurées pour une fonction intégrée. Si une erreur détectée entraîne le basculement du contrôleur en mode de repli, ces sorties seront remises à 0 quel que soit le paramètre de repli configuré.

Warning_Color.gifAVERTISSEMENT

FONCTIONNEMENT INATTENDU DE L’EQUIPEMENT

Si vous utilisez des sorties rapides pour une fonction intégrée, concevez et programmez votre système afin que l'équipement contrôlé entre en état sécurisé lorsque le contrôleur passe en mode de repli.

Le non-respect de ces instructions peut provoquer la mort, des blessures graves ou des dommages matériels.

NOTE :

oLa configuration de repli des sorties ne s'applique pas aux sorties rapides utilisées pour des fonctions intégrées. Dans ces cas, la valeur de repli est toujours 0.

oEn cas de repli de la fonction intégrée PTO, tout mouvement en cours est arrêté et ramené à 0 (fonction d'arrêt contrôlé).

Court-circuit ou surintensité sur les sorties

En cas de court-circuit ou de surintensité sur les sorties, il y a 2 groupes de sorties :

oGroupe 3 : sorties rapides

oGroupes 1 et 2 : sorties à relais

Il existe une protection contre les courts-circuits pour le Groupe 1 depuis les sorties vers V-. En revanche, il n'y a pas d'autre protection anti court-circuit sur les sorties.

Pour le HMISCU•A5 (type DIO), en cas de court-circuit ou de surintensité sur les sorties, les considérations sont différentes pour les 2 groupes de sorties :

oGroupe 3 (FQ0 et FQ1) : 2 sorties rapides

oGroupe 1 et 2 (DQ0 à DQ7) : 8 sorties normales

Pour le HMISCU•B5 (type DIO and AIO), en cas de court-circuit ou de surintensité sur les sorties, les considérations sont différentes pour les 2 groupes de sorties :

oGroupe 3 (FQ0 et FQ1) : 2 sorties rapides

oGroupe 1 et 2 (DQ0 à DQ5) : 6 sorties normales

NOTE : Les groupes sont définis dans la description des borniers fournie par le chapitre consacré à chaque contrôleur.

Le tableau suivant décrit la détection :

Si...

alors...

vous avez un court-circuit à 0 V dans le groupe 3

le groupe 3 passe automatiquement en mode de protection thermique (toutes les sorties PWM rapides sont mises à 0 et les sorties PTO exécutent un arrêt immédiat), puis il est réarmé périodiquement toutes les 10 secondes pour tester l'état de la connexion (voir l'avertissemnt ci-après).

vous avez un court-circuit à 24 V dans le groupe 3

le groupe 3 passe automatiquement en mode de protection, puis il est réarmé périodiquement toutes les 200 microsecondes pour tester l'état de la connexion.

NOTE : Les informations de ce tableau ne s'appliquent pas aux sorties à relais.

Pour plus d'informations sur la protection des sorties, reportez-vous au schéma de câblage de votre contrôleur et aux règles générales de câblage.

NOTE : Le diagnostic de court-circuit pour chaque catégorie est fourni par la fonction GetshortcutStatus.

Les sorties normales de cet équipement ne possèdent aucune protection intégrée en cas de polarité inversée. Une polarité incorrecte peut endommager irrémédiablement les circuits de sortie ou perturber le fonctionnement de l'équipement.

AVIS

ENDOMMAGEMENT DES SORTIES RAPIDES

oVérifiez que vous disposez d'une protection adéquate contre les courts-circuits sur l'alimentation des sorties rapides.

oNe connectez pas une tension positive à l'une des bornes des sorties rapides CC.

oRespectez les schémas de câblage qui suivent ce message.

Le non-respect de ces instructions peut provoquer des dommages matériels.

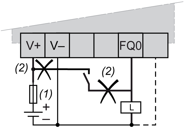
Exemple de câblage incorrect :

G-SE-0023207.1.gif-high.gif

 

1   Fusible à action rapide 2 A

2   Câblage incorrect

Warning_Color.gifAVERTISSEMENT

DEMARRAGE IMPREVU DE LA MACHINE

Désactivez le réarmement automatique des sorties si cette fonction provoque un comportement indésirable de la machine ou du processus.

Le non-respect de ces instructions peut provoquer la mort, des blessures graves ou des dommages matériels.

Considérations relatives au câblage

NOTE : L'alimentation du circuit PTO/PWM fonctionne avant l'alimentation du système, faute de quoi une erreur PTO/PWM se produit.

Warning_Color.gifAVERTISSEMENT

FONCTIONNEMENT INATTENDU DE L’EQUIPEMENT

Câblez les sorties conformément au schéma de câblage.

Le non-respect de ces instructions peut provoquer la mort, des blessures graves ou des dommages matériels.

Si votre contrôleur ou module contient des sorties à relais, ces types de sortie peuvent supporter jusqu'à 240 V CA. Les dommages inductifs subis par ces types de sorties peuvent provoquer des contacts soudés et des pertes de contrôle. Chaque charge inductive doit inclure un dispositif de protection, comme un écrêteur, un circuit RC ou une diode à accumulation. Ces relais ne prennent pas en charge les charges capacitives.

Warning_Color.gifAVERTISSEMENT

SORTIES DE RELAIS SOUDEES FERMEES

oProtégez toujours les sorties de relais contre les dommages par charge de courant alternatif, à l'aide d'un dispositif ou d'un circuit de protection externe.

oNe connectez pas de sorties de relais à des charges capacitives.

Le non-respect de ces instructions peut provoquer la mort, des blessures graves ou des dommages matériels.