TM5SDO2TFS Wiring

Pin Assignments / Connection Example

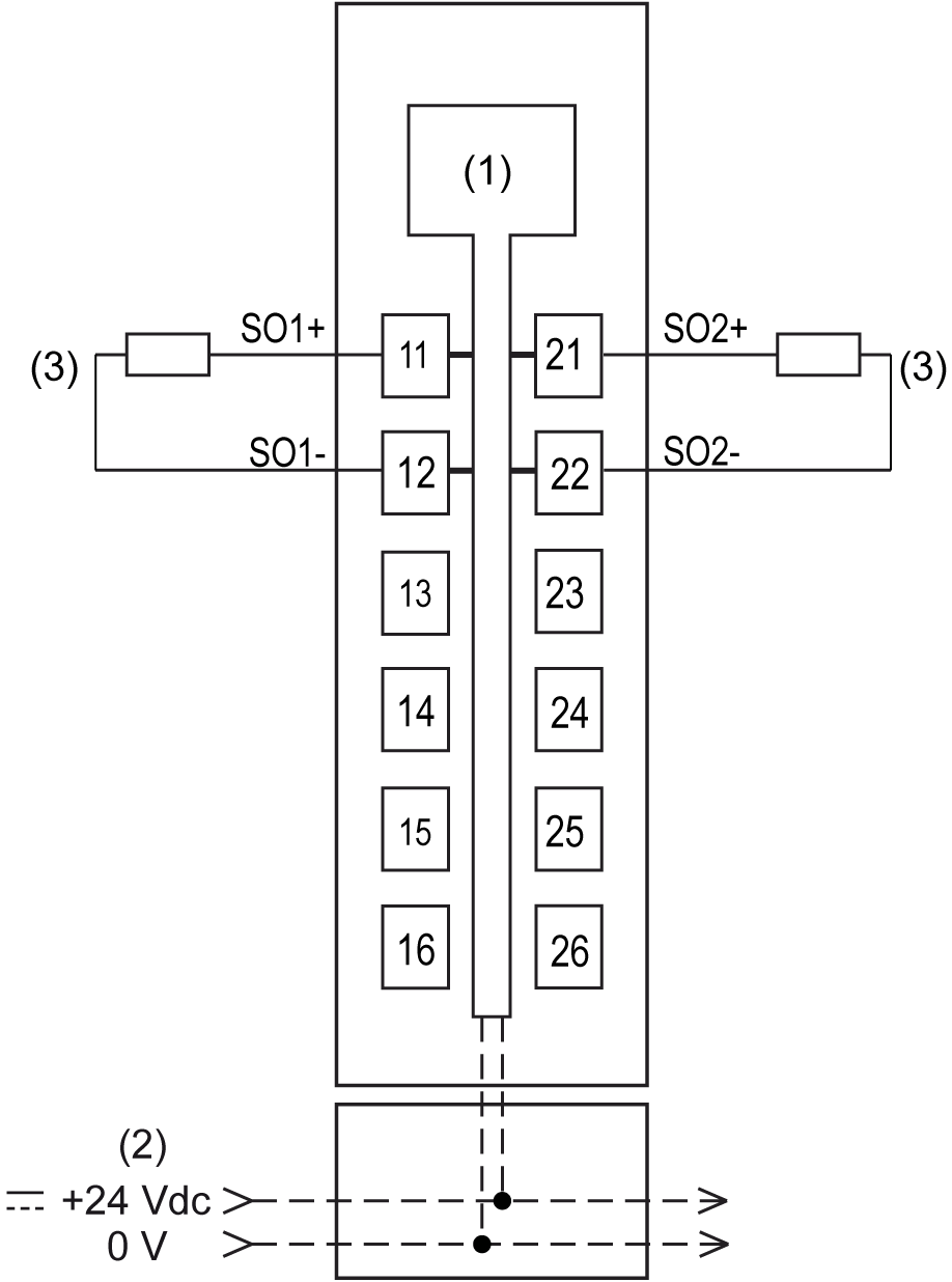
The following figure presents a connection example for the TM5SDO2TFS:

1 Internal electronics

2 24 Vdc I/O power segment integrated into the bus bases

3 Actuator 24 Vdc

 WARNING
UNINTENDED EQUIPMENT OPERATION
Do not connect wires to unused terminals and/or terminals indicated as “No Connection (N.C.)”.
Failure to follow these instructions can result in death, serious injury, or equipment damage.