Rack iPCPerformance 主板是一款先进的 Intel® C216 主板,专为要求高计算性能的工业服务器级别的应用打造。这款主板搭载 Intel® 4-Core Xeon® E3 处理器。超高的稳定性和出色的性能表现,让 Rack iPC 成为了工业网络应用的理想平台。
下面描述了 Rack iPC Performance 主板的特点:
oPCIe 架构:Intel® C216 PCH 芯片组支持 2 个 PCIe x16 插槽(Gen III x8 链路)、2 个 PCIe x4 插槽。
o高性能 I/O 能力:通过 PCIe 总线实现了 4 GB LAN 能力,同时还配备有 3 个 PCI 32 位/33 MHz PCI 插槽、4 个 USB 3.0 端口、10 个 USB 2.0 端口。(2 个 A 型 USB 2.0 端口)、2 个 SATA III 接口以及 4 个 SATA II 接口。
o兼具工业特点的标准 ATX 外形尺寸:产品寿命长,工作范围宽且工作稳定,配备看门狗定时器功能,等等。
o断电自动恢复:这些工业主板让用户能够将系统设置成在断电后自动恢复。参见详细的“AT”模式设置。
o8.0 主动管理技术:这套硬件和软件基础解决方案采用系统辅助电源层供电,以进行远程监视。
o网络系统:Intel AMT(iAMT) 将软硬件信息存储在非易失性存储器中。通过内置管理功能,能够提供带外管理,从而实现了远程发现并让 KVM 能够在检测到 OS 故障之后或者在系统崩溃时维修系统。借助警示和事件记录功能,能够下发停机指令,快速减少停机时间,从而提前阻截即将到来的威胁,在受感染的客户端对网络产生影响之前隔离这些客户端,并有效地向用户通知何时移除了关键软件代理。如要启用 iAMT,请参见 AMT 配置。Schneider Electric 提供了一款被称为 System Monitor 的软件工具,用于启用 iAMT 功能。请参见 System Monitor。
oSATA 硬盘驱动接口:6 个板载 SATA 接口:
2 个数据传输速率达 600 MB/s 的 SATA III 接口,以及
4 个数据传输速率达 300 MB/s 的 SATA II 接口
同时支持 Schneider Electric 主机控制器接口 (AHCI) 技术。
o系统芯片组:Intel® C216
RAM:通过 4 个 240 针 DIMM 插槽实现高达 32 GB 的容量,这些插槽支持双通道 DDR3 ECC 或非 ECC 1066/1333/1600 SDRAM。
Intel® C216 芯片组配备有:
oPCIe 插槽:2 个 PCIe x16 扩展槽(x8 链路)以及 2 个 PCIe x4 扩展槽
oPCI 总线:3 个 PCI 插槽,32 位,符合 33 MHz PCI 2.2 标准
o增强型并行端口:要么配置成 LPT1,要么被禁用。标准 DB-25 母接头电缆为选配附件。LPT1 支持 EPP/SPP/ECP。
o串行端口:2 个串行端口。(COM1 为后 I/O 端口,COM2 为板载接口)
oPS/2 键盘和鼠标接口:2 个 6 针 mini-DIN 接口位于安装支架上,以便于连接到 PS/2 键盘和鼠标。
oUSB 端口:支持多达 4 个传输速率达 5 Gbps 的 USB 3.0 端口以及多达 10 个传输速率达 480 Mbps/s 的 USB 2.0 端口。
oLPC:1 个 LPC 接口,支持 Schneider Electric LPC 模块,比如 TPM 模块。
oGPIO:Rack iPC Performance 藉由卓越的 I/O 功能支持 8 位 GPIO,适用于一般的控制应用。
o集成式 Intel HD 图形处理器
o显存:在安装了 2 GB 或更大系统内存的情况下,最大共享内存达 1 GB
oDVI-D:60 Hz 刷新率下的分辨率为 1920 x 1200(仅就 QG2 版本而言)
oCRT:75 Hz 刷新率下的分辨率为 2048 x 1536
o藉由数据传输速率为 300 MB/s 的 PCIe 总线,支持 2 个或 4 个 10/100/1000 Mbps/s 端口。
o接口:10/100/1000 Mbps/s
o控制器:LAN1:Intel 82579LM;LAN2/3/4:Intel 82574 L(LAN 3/4 仅适用于 G4 SKU)。
o看门狗定时器:用于生成系统复位或 NC。看门狗定时器是可编程的,每个单位等于 1 秒或 1 分钟(255 个级别)。
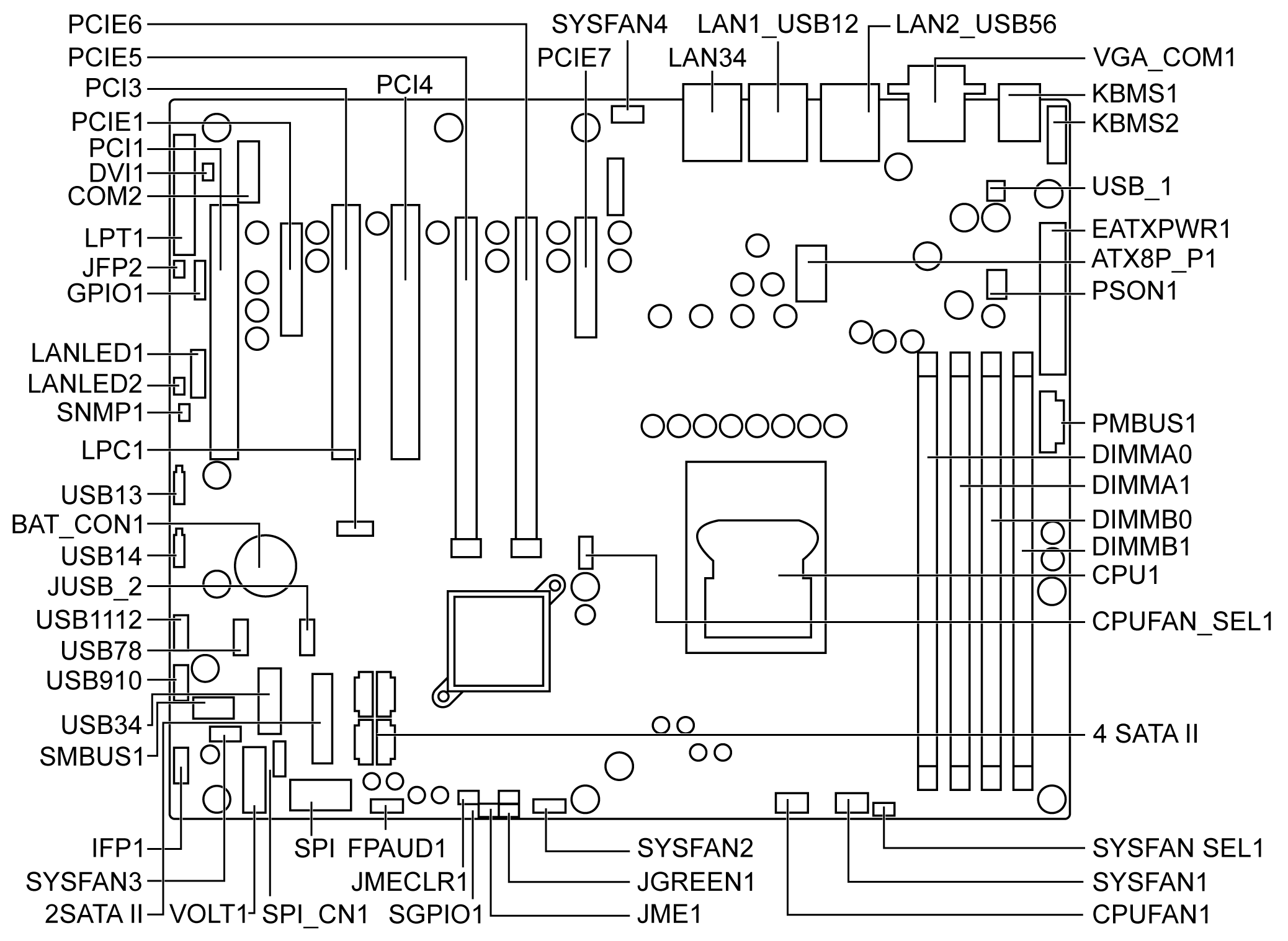
下图示出了主板布局和跳线位置:
下表描述了 Rack iPC Performance 跳线及其功能:
|
标签 |
功能 |
|---|---|
|
JCMOS1 |
清除 CMOS |
|
JME1 |
Intel ME 禁用用于 ME/BIOS 更新的跳线 |
|
JWDT1 |
看门狗复位 |
|
JGREEN1 |
深度休眠 Sx 模式 |
|
JUSB_1,JUSB_2 |
USB 端口以及 +5 VSB 与 +5 V 之间的 KBMS 电源切换 |
|
CPUFAN_SEL1, SYSFAN_SEL1 |
风扇 PWM(1-2)/DC 模式选择 (2-3) |
|
PSON1 |
AT(1-2) / ATX(2-3) |
下表描述了 Rack iPC Performance 接口及其功能:
|
标签 |
功能 |
|---|---|
|
ATX24P_P1 |
ATX 24 针主电源接口(适用于系统) |
|
ATX8P_P1 |
处理器电源接口(适用于 CPU) |
|
SATA0...1 |
SATA III (6 Gb/s) |
|
SATA2...5 |
SATA II (3 Gb/s) |
|
USB 12 |
USB 3.0 端口 1、2 |
|
USB 34 |
USB 3.0 端口 3、4(Header 型) |
|
USB 56 |
USB 2.0 端口 5、6 |
|
USB78, USB910, USB1112 |
USB 2.0 端口 7、8、9、10、11、12(Header 型) |
|
USB13, USB14 |
USB 2.0 端口 13、14(USB A 型) |
|
PCIE2, PCIE7 |
PCIE x4 插槽 |
|
PCIE5, PCIE6 |
PCIe x16 插槽(x8 链路) |
|
DIMMA0,DIMMA1,DIMMB0,DIMMB1 |
DDR3 插槽 |
|
CPUFAN1 |
CPU 风扇接口 |
|
SYSFAN1,SYSFAN2,SYSFAN 3,SYSFAN4 |
系统风扇接口 |
|
LAN1_USB12,LAN2_USB56 |
LAN1 / USB 3.0 端口 1、2 堆栈接口 LAN2 / USB 2.0 端口 5、6 堆栈接口 |
|
LAN34 |
LAN 3.4 堆栈接口 |
|
VGA_COM1 |
VGA+COM 接口 |
|
KBMS1 |
PS/2 键盘和鼠标接口 |
|
KBMS2 |
外接键盘和鼠标接口(6 针) |
|
SPI1 |
SPI 接口 |
|
SPI_CN1 |
SPI 闪存卡排针 |
|
LANLED1,LANLED2 |
LAN LED 扩展接口 |
|
SMBUS1 |
来自 PCH 的 SM 总线 |
|
SNMP1 |
来自 HW 监视 IC 的 SM 总线 |
|
GPIO1 |
GPIO 排针 |
|
FPAUD1 |
音频前面板排针 |
|
LPT1 |
并行端口 |
|
COM2 |
串行端口:RS-232 |
|
JFP1 |
前面板排针 |
|
LPC1 |
适用于 Schneider Electric TPM LPC 模块的低针数接口 |
|
LANLED1 |
LAN1/2 LED 扩展接口 |
|
LANLED2 |
LAN3/4 LED 扩展接口 |
|
VOLT1 |
电压显示 |
|
PMBUS1 |
用于与电源通讯的 PMBUS 接口 |
下图是 Performance 主板的框图: