您可以将控制器或接收器及其扩展模块安装在 35 毫米(1.38 英寸)顶帽型材导轨(DIN 导轨)上。DIN 导轨可接附到平坦的安装表面,或者悬挂于 EIA 机架或安装在 NEMA 机柜中。
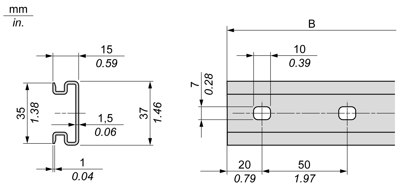
下图和下表显示适用于墙面安装系列的顶帽型材导轨(DIN 导轨)的型号:
型号 |
类型 |
导轨长度 (B) |
---|---|---|
NSYSDR50A |
A |
450 mm (17.71 in.) |
NSYSDR60A |
A |
550 mm (21.65 in.) |
NSYSDR80A |
A |
750 mm (29.52 in.) |
NSYSDR100A |
A |
950 mm (37.40 in.) |
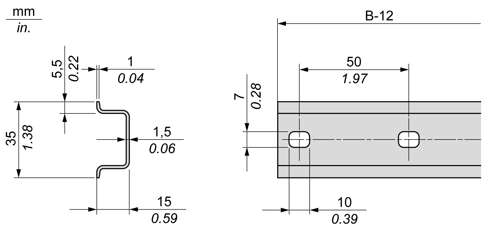
下图和下表显示适用于金属机壳系列的对称式顶帽型材导轨(DIN 导轨)的型号:
型号 |
类型 |
导轨长度 (B-12 mm) |
---|---|---|
NSYSDR60 |
A |
588 mm (23.15 in.) |
NSYSDR80 |
A |
788 mm (31.02 in.) |
NSYSDR100 |
A |
988 mm (38.89 in.) |
NSYSDR120 |
A |
1188 mm (46.77 in.) |
下图和下表显示 2000 毫米(78.74 英寸)对称式顶帽型材导轨(DIN 导轨)的型号
型号 |
类型 |
导轨长度 |
---|---|---|
NSYSDR2001 |
A |
2000 mm (78.74 in.) |
NSYSDR200D2 |
A |
|
1 无穿孔镀锌钢 2 穿孔镀锌钢 |
下图和下表显示适用于墙面安装系列的双侧面顶帽型材导轨(DIN 导轨)的型号:
型号 |
类型 |
导轨长度 (B) |
---|---|---|
NSYDPR25 |
W |
250 mm (9.84 in.) |
NSYDPR35 |
W |
350 mm (13.77 in.) |
NSYDPR45 |
W |
450 mm (17.71 in.) |
NSYDPR55 |
W |
550 mm (21.65 in.) |
NSYDPR65 |
W |
650 mm (25.60 in.) |
NSYDPR75 |
W |
750 mm (29.52 in.) |
下图和下表显示适用于落地式系列的双侧面顶帽型材导轨(DIN 导轨)的型号:
型号 |
类型 |
导轨长度 (B) |
---|---|---|
NSYDPR60 |
F |
588 mm (23.15 in.) |
NSYDPR80 |
F |
788 mm (31.02 in.) |
NSYDPR100 |
F |
988 mm (38.89 in.) |
NSYDPR120 |
F |
1188 mm (46.77 in.) |