Dieses Steckmodul verfügt über eine abnehmbare Federklemmenleiste für die Verbindung der Ausgänge.
Siehe Best Practices für die Verdrahtung
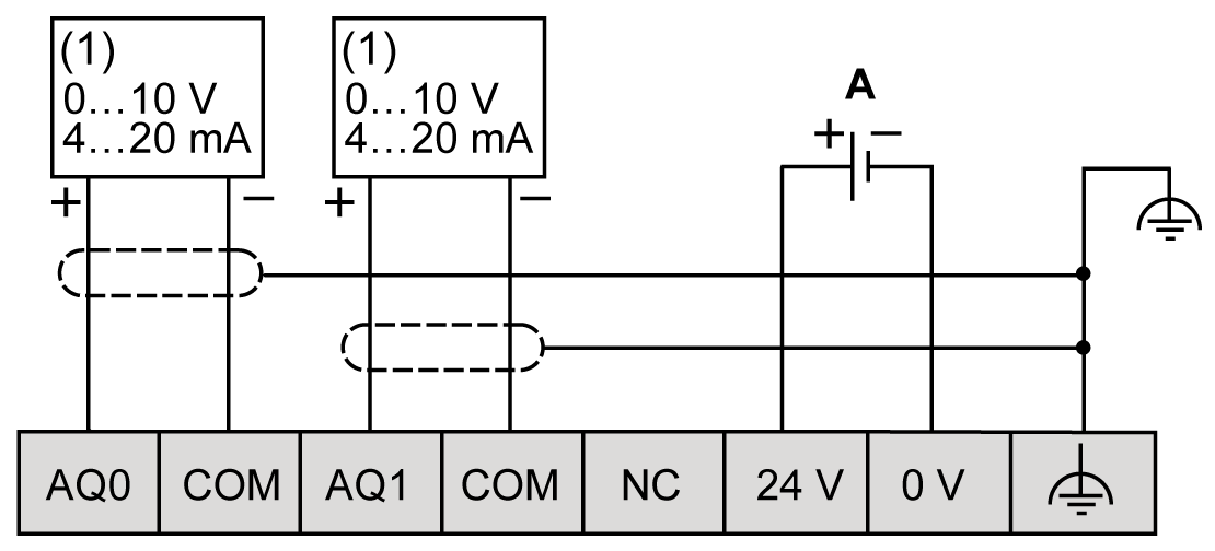
Die nachstehende Abbildung zeigt ein Beispiel für die Verbindung von Spannungs- und Stromausgängen:
 
  
(1): Strom-/Spannungs-Analogeingangsgerät
A: Externe Spannungsversorgung
HINWEIS: Jeder Eingang kann entweder mit einem Spannungs- oder mit einem Stromausgang verbunden werden.
| 
 | 
| UNBEABSICHTIGTER GERÄTEBETRIEB | 
| Verbinden Sie keine Drähte mit ungenutzten Anschlüssen und/oder mit Anschlüssen, die als No Connection (N.C.) gekennzeichnet sind. | 
| Die Nichtbeachtung dieser Anweisungen kann Tod, schwere Verletzungen oder Sachschäden zur Folge haben. |