TMC4TI2 – Verdrahtungsplan

Einführung

Dieses Steckmodul verfügt über eine abnehmbare Federklemmenleiste für die Verbindung der Eingänge.

Verdrahtung

Siehe Best Practices für die Verdrahtung

Verdrahtungsplan

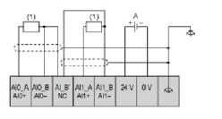
Die nachstehende Abbildung zeigt ein Beispiel für Verbindungen von 3-Draht RTD- und Thermoelement-Sonden:

G-SE-0031628.1.gif-high.gif

 

(1):   RTD

(2):   Thermoelement

A:   Externe Spannungsversorgung

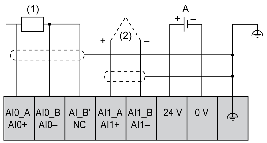
Die nachstehende Abbildung zeigt ein Beispiel für ein Paar 3-Draht RTD-Verbindungen:

G-SE-0056064.1.jpg

 

(1):   RTD

A:   Externe Spannungsversorgung

Die nachstehende Abbildung zeigt ein Beispiel für ein Paar Thermoelement-Verbindungen:

G-SE-0047126.1.gif-high.gif

 

(2):   Thermoelement

A:   Externe Spannungsversorgung

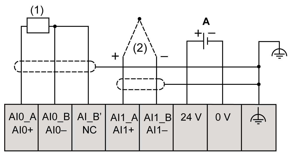
Die nachstehende Abbildung zeigt ein Beispiel für 4-Draht RTD- und Thermoelement-Verbindungen:

G-SE-0047123.1.gif-high.gif

 

(1):   RTD

(2):   Thermoelement

A:   Externe Spannungsversorgung

HINWEIS: Jeder Eingang kann entweder mit einer RTD- oder einer Thermoelement-Sonde verbunden werden.

Warning_Color.gifWARNUNG

UNBEABSICHTIGTER GERÄTEBETRIEB

Verbinden Sie keine Drähte mit ungenutzten Anschlüssen und/oder mit Anschlüssen, die als No Connection (N.C.) gekennzeichnet sind.

Die Nichtbeachtung dieser Anweisungen kann Tod, schwere Verletzungen oder Sachschäden zur Folge haben.