TM5SDO8TA Wiring Diagram

Wiring Diagram

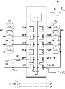
The following illustration shows the wiring diagram for the TM5SDO8TA:

G-SE-0001910.3.gif

 

1   Internal electronics

2   24 Vdc I/O power segment integrated into the bus bases

3   Inductive load protection

4   2-wire load

5   0 Vdc I/O power segment by external connection

6   PS1: External isolated power supply 24 Vdc(1)

7   External fuse, Type T slow-blow 8 A max., 250 V

(1) There is no connection between the module and the 24 Vdc I/O power segment on the bus base.

Warning_Color.gifWARNING

POTENTIAL OF OVERHEATING AND FIRE

oDo not connect the modules directly to line voltage.

oUse only isolating PELV systems according to IEC 61140 to supply power to the modules.

Failure to follow these instructions can result in death, serious injury, or equipment damage.

Warning_Color.gifWARNING

POTENTIAL EXPLOSION OR FIRE

Connect the returns from the devices to the same power source as the 24 Vdc I/O power segment serving the module.

Failure to follow these instructions can result in death, serious injury, or equipment damage.

Warning_Color.gifWARNING

UNINTENDED EQUIPMENT OPERATION

Do not connect wires to unused terminals and/or terminals indicated as “No Connection (N.C.)”.

Failure to follow these instructions can result in death, serious injury, or equipment damage.

Refer to Protecting Outputs from Inductive Load Damage for additional important information on this topic.