Bifurcación/Bobina en paralelo en FBD/LD/IL

Descripción general

En una red de Diagrama de bloques de funciones o de Diagrama de contactos, una bifurcación o una bobina en paralelo dividirá la línea de procesamiento a partir de la posición actual del cursor. La línea de procesamiento continuará en dos subredes que se ejecutarán una tras la otra de arriba abajo. Cada subred puede tener una bifurcación adicional y, por tanto, habrá varias bifurcaciones en una red.

Cada subred tendrá su propio marcador (el símbolo es un rectángulo vertical). Puede seleccionarlo (posición del cursor 11) para realizar acciones en esta rama de la bifurcación.

Marcadores de bifurcación

En FBD, inserte una bifurcación mediante el comando Insertar rama. Como alternativa, arrastre el elemento desde las herramientas. Sobre las posibles posiciones de inserción, consulte la descripción del comando Insertar rama.

NOTA: En las subredes no puede utilizarse el método de cortar y pegar.

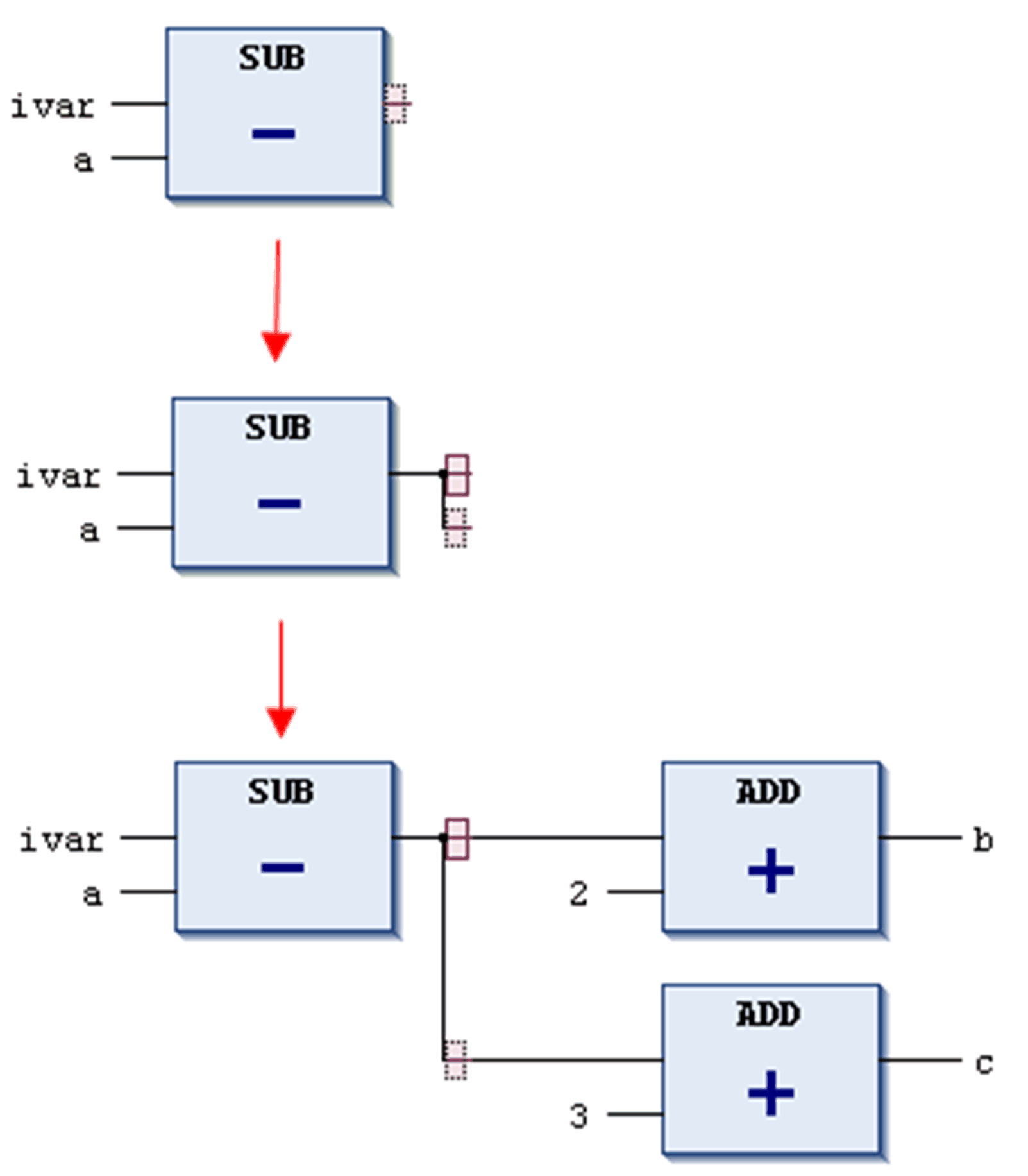
En el ejemplo siguiente, se ha insertado una bifurcación en la salida del módulo SUB. Esta acción ha creado dos subredes, y cada una se puede seleccionar mediante su marcador de subred. Después, se añadió un módulo ADD en cada subred.

Red en FBD con una bifurcación insertada

Para eliminar una subred, quite primero todos los elementos de la subred, es decir, todos los elementos que están situados a la derecha del marcador de la subred. A continuación, seleccione el marcador y ejecute el comando Eliminar estándar o pulse la tecla SUPR.

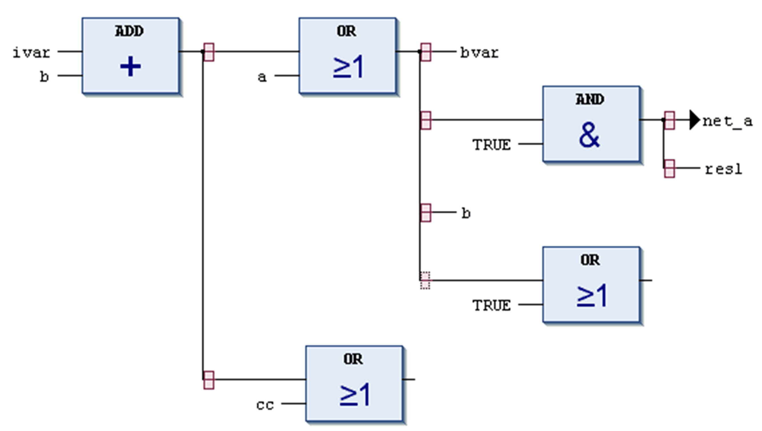
En la imagen siguiente, el elemento OR de 3 entradas tiene que borrarse primero para que pueda seleccionar y eliminar el marcador de la subred inferior.

Eliminar bifurcación o subred

Ejecución en modalidad online

Cada rama se ejecutará de izquierda a derecha y, después, de arriba abajo.

IL (lista de instrucciones)

La IL no admite redes con bifurcaciones. Se conservarán en su representación original.

Bifurcaciones simultáneas

Para configurar la evaluación de una bifurcación simultánea en redes LD, puede utilizar bifurcaciones simultáneas.

A diferencia de una rama abierta (sin punto de unión), las bifurcaciones simultáneas están cerradas. Tienen puntos de división y de unión comunes.