Diagrama de cableado de TM3SAK6R/TM3SAK6RG

Introducción

Estos módulos de seguridad tienen un bloque de terminales de tornillo o resorte extraíble integrado para la conexión de entradas y salidas.

Normas de cableado

Consulte Prácticas recomendadas de cableado

La fuente de alimentación de 24 V CC debe ser de muy baja tensión de protección (PELV) o de tensión extrabaja de seguridad (SELV) y cumplir los requisitos de la norma IEC/EN 60204-1. Estas fuentes de alimentación están aisladas entre los circuitos eléctricos de entrada y salida de la fuente de alimentación.

Warning_Color.gifADVERTENCIA

POSIBILIDAD DE SOBRECALENTAMIENTO E INCENDIO

oNo conecte el equipo directamente a la tensión de línea.

oUtilice solo fuentes de alimentación PELV o SELV aisladas para proporcionar energía al equipo.

El incumplimiento de estas instrucciones puede causar la muerte, lesiones serias o daño al equipo.

Warning_Color.gifADVERTENCIA

PÉRDIDA DE CONTROL

Coloque un fusible con la capacidad adecuada en la línea de alimentación de entrada primaria y en las salidas, como se describe en la documentación relacionada.

El incumplimiento de estas instrucciones puede causar la muerte, lesiones serias o daño al equipo.

Diagrama de cableado de la parada de emergencia

Tanto las condiciones de seguridad como las condiciones de inicio deben ser válidas antes de permitir la activación de las salidas.

Warning_Color.gifADVERTENCIA

FUNCIONAMIENTO IMPREVISTO DEL EQUIPO

No utilice el inicio monitorizado ni el inicio no monitorizado como función de seguridad.

El incumplimiento de estas instrucciones puede causar la muerte, lesiones serias o daño al equipo.

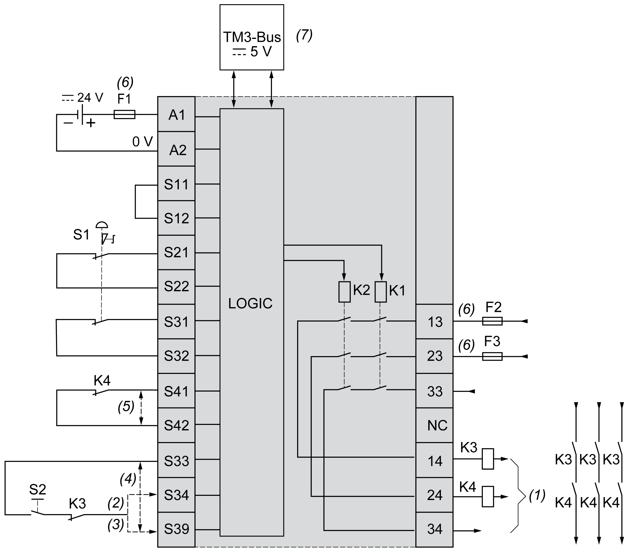
En esta figura se muestra un ejemplo de cableado de la parada de emergencia en un módulo TM3SAK6R•:

G-SE-0032737.1.gif-high.gif

 

 

S1: Conmutador de parada de emergencia

S2: Conmutador de inicio

(1): Salidas de seguridad

(2): Inicio monitorizado1

(3): Inicio no monitorizado1

(4): Para el inicio automático1, conecte directamente los terminales [S33] y [S39]

(5): Canal de monitorización de dispositivos externos secundarios1. Conecte los terminales [S41] y [S42] si no se utilizan.

(6): Fusibles. Consulte las características eléctricas para conocer los valores de los fusibles.

(7): Ninguna comunicación no relacionada con la seguridad de Bus de TM3 con el controlador lógico

1 Si desea obtener más información, consulte la guía de programación de los módulos de ampliación TM3 de su plataforma de software.

Warning_Color.gifADVERTENCIA

FUNCIONAMIENTO IMPREVISTO DEL EQUIPO

No utilice los datos transferidos con el Bus de TM3 para tareas funcionales relacionadas con la seguridad.

El incumplimiento de estas instrucciones puede causar la muerte, lesiones serias o daño al equipo.

Warning_Color.gifADVERTENCIA

FUNCIONAMIENTO IMPREVISTO DEL EQUIPO

No conecte ningún cable a conexiones reservadas y no utilizadas o a conexiones designadas como "No Connection (N.C.)".

El incumplimiento de estas instrucciones puede causar la muerte, lesiones serias o daño al equipo.

Cableado de dispositivos protectores

En esta figura se muestra un ejemplo de cableado de dispositivo protector de 2 canales a las entradas del módulo de seguridad:

G-SE-0032736.1.gif-high.gif

 

(1):   Dispositivo protector

Cableado de alfombra de seguridad

En la figura se muestra un ejemplo de cableado de alfombra de seguridad (sensible a la presión y que genera cortocircuitos) a las entradas del módulo de seguridad:

G-SE-0033011.1.gif-high.gif

 

(1):   Alfombra de seguridad

NOTA: Normalmente, la mayoría de las alfombras de seguridad no se adaptan bien al uso en combinación con el modalidad de inicio automático. Además, si utiliza la alfombra de seguridad en una aplicación que incluya el modo de inicio automático, debe tenerlo en cuenta en su análisis de riesgos.

Warning_Color.gifADVERTENCIA

FUNCIONAMIENTO IMPREVISTO DEL EQUIPO

Para la función de alfombra de seguridad, utilice únicamente dispositivos sensibles a la presión que generen cortocircuitos según la norma ISO/EN 13856-1:2013.

El incumplimiento de estas instrucciones puede causar la muerte, lesiones serias o daño al equipo.

Cableado de parada de emergencia de un canal

En esta figura se muestra un ejemplo de cableado de parada de emergencia de 1 canal a las entradas del módulo de seguridad:

G-SE-0033008.1.gif-high.gif

 

S1:   Conmutador de parada de emergencia

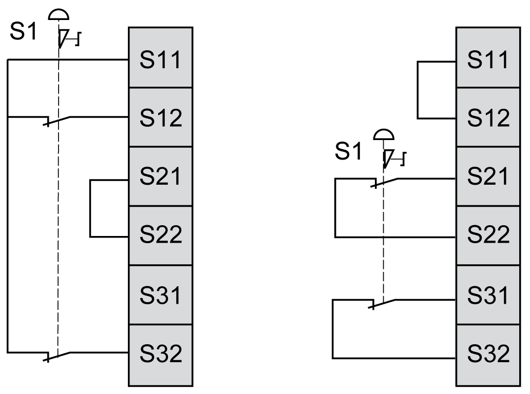
Cableado de parada de emergencia de dos canales

En esta figura se muestran dos ejemplos de cableado de parada de emergencia de 2 canales a las entradas del módulo de seguridad:

G-SE-0033009.1.gif-high.gif

 

S1:   Conmutador de parada de emergencia

NOTA: Las entradas S11 y S12 no están destinadas a la monitorización de cortocircuitos en el cableado externo.

Warning_Color.gifADVERTENCIA

FUNCIONAMIENTO IMPREVISTO DEL EQUIPO

No utilice las entradas S11 y S12 para crear aplicaciones SIL 3 a menos que excluya la posibilidad de cortocircuitos con medidas externas.

El incumplimiento de estas instrucciones puede causar la muerte, lesiones serias o daño al equipo.

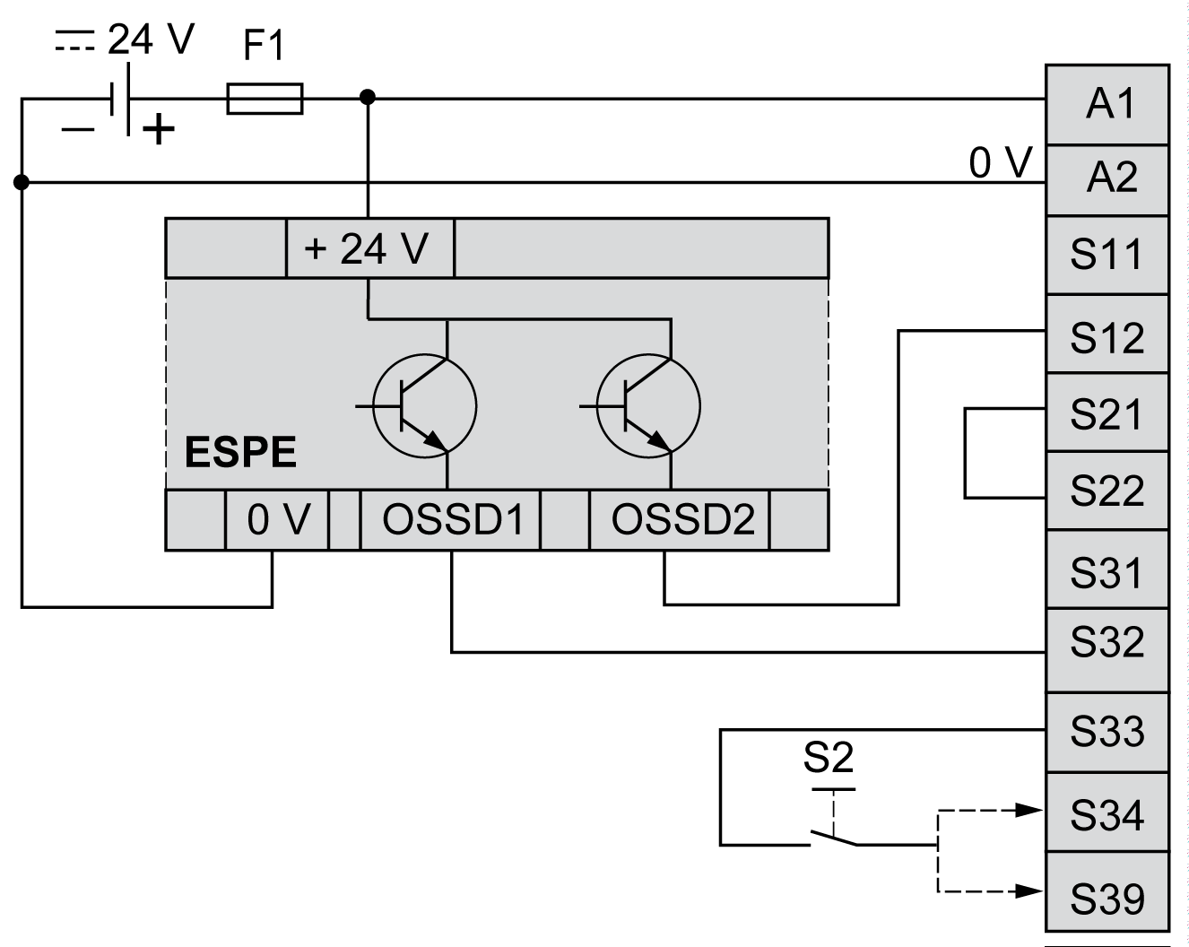
Cableado de equipos de protección electrosensibles (ESPE)

En esta figura se muestra un ejemplo de cableado de ESPE (salidas de tipo 4, IEC/EN 61496-1) a las entradas del módulo de seguridad:

G-SE-0033010.1.gif-high.gif

 

S2:   Conmutador de inicio

NOTA: Los ESPE deben estar alimentados por la misma fuente de alimentación PELV/SELV que el módulo de seguridad.

NOTA:

Las salidas (OSSD) de los ESPE pueden generar pulsos de prueba. En función de la duración y la frecuencia de los pulsos, se pueden producir los siguientes comportamientos:

oInterferencias electromagnéticas de los relés de módulo.

oEl diagnóstico de los relés K1 y K2 del controlador detecta estos pulsos. Para evitarlo, se puede definir en el controlador un filtro con un tiempo de retardo de como mínimo la duración del pulso.

oLos pulsos superiores a 1 ms pueden provocar que se desactiven las salidas del módulo.

NOTA: El OSSD de los ESPE suele generar pulsos de prueba con duraciones y frecuencias diferentes.

oEsto puede ocasionar que los relés del interior del módulo hagan algo de ruido.

oLos pulsos pueden ser visibles en la información de diagnóstico de K1/K2 del PLC. Para evitar esto, se puede definir un filtro con el retardo adecuado en el PLC.

oLos pulsos de prueba de más de 1 ms pueden hacer que las salidas del módulo se desactiven.

Cableado de sensores de proximidad sin detección de cortocircuito

En esta figura se muestra un ejemplo de cableado de una aplicación de 2 canales (2 × sensores PNP) a las entradas del módulo de seguridad:

G-SE-0033013.1.gif-high.gif

 

 

NOTA: Los sensores deben estar alimentados por la misma fuente de alimentación PELV/SELV que el módulo de seguridad.

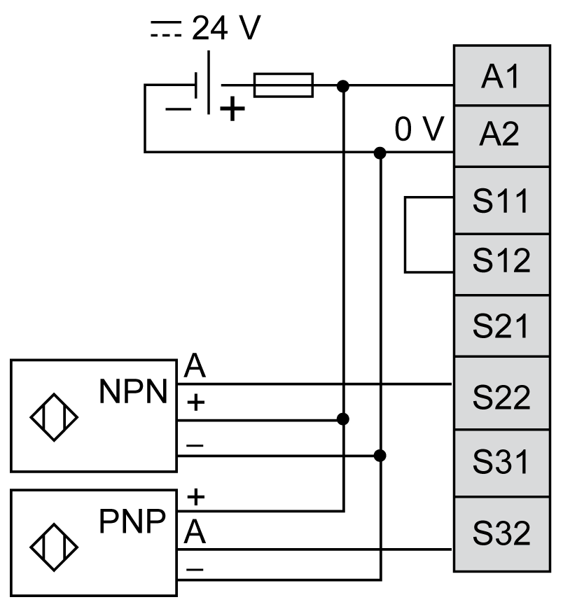
Cableado de sensores de proximidad con detección de cortocircuito

En esta figura se muestra un ejemplo de cableado de una aplicación de 2 canales (sensores complementarios PNP + NPN) a las entradas del módulo de seguridad:

G-SE-0033012.1.gif-high.gif

 

 

NOTA: Los sensores deben estar alimentados por la misma fuente de alimentación PELV/SELV que el módulo de seguridad.