Description de la distribution d'alimentation TM7

Présentation de la distribution d'alimentation

Le bloc d'E/S de l'interface du bus de terrain est le point de départ de la distribution d'alimentation pour la configuration distribuée TM7. Il distribue le courant au segment d'alimentation des E/S 24 VCC et génère le courant pour le bus d'alimentation TM7.

Dans une configuration distante, le module émetteur TM5SBET7 génère le courant pour le bus d'alimentation TM7. Le premier bloc d'E/S de la configuration distante après un module TM5SBET7 distribue le courant pour le premier segment d'alimentation des E/S 24 VCC.

Il existe des composants qui génèrent du courant supplémentaire pour le bus d'alimentation TM7 ou distribuent du courant pour créer des segments d'alimentation d'E/S 24 VCC distincts. Ainsi, des blocs de distribution d'alimentation (PDB) peuvent être ajoutés pour fournir du courant supplémentaire au bus d'alimentation TM7 si votre configuration d'E/S l'exige. Autre exemple, vous connectez une alimentation à un bloc d'E/S pour diviser le segment d'alimentation des E/S 24 VCC en plusieurs segments d'alimentation d'E/S 24 VCC distincts.

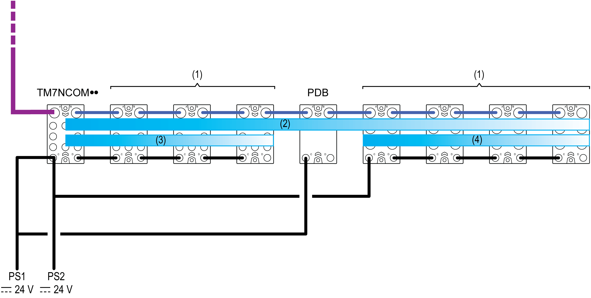
La figure ci-dessous illustre la distribution d'alimentation d'une configuration distante TM7. Reportez-vous à la section Câblage de l'alimentation pour plus d'informations sur le câblage des connecteurs :

G-SE-0008018.1.gif-high.gif

 

(1)   Blocs d'E/S TM7

(2)   Bus d'alimentation TM7

(3...4)   Segment d'alimentation des E/S 24 VCC

TM7NCOM••   Blocs d'E/S de l'interface du bus de terrain TM7

PDB   Bloc de distribution d'alimentation

PS1   Principale alimentation externe isolée, 24 VCC

PS2   Alimentation des E/S externes isolées, 24 VCC

La figure ci-dessous donne un aperçu de la distribution d'alimentation d'une configuration distante. Reportez-vous à la section Câblage de l'alimentation pour plus d'informations sur le câblage des connecteurs :

G-SE-0008017.3.gif-high.gif

 

(1)   Blocs d'E/S TM7

(2)   Bus d'alimentation TM7

(3...5)   Segment d'alimentation des E/S 24 VCC

TM5SBET7   Module émetteur

PDB   Bloc de distribution d'alimentation

PS1   Principale alimentation externe isolée, 24 VCC

PS2   Alimentation des E/S externes isolées, 24 VCC

Description du bus d'alimentation TM7

Le bus TM5 se compose de deux parties :

ole bus de données TM7 ;

ole bus d'alimentation TM7.

Le bus d'alimentation TM7 distribue le courant pour alimenter l'électronique des blocs d'E/S. Si nécessaire, le courant sur le bus TM7 peut être renforcé en ajoutant un PDB.

Dans une configuration distribuée, les données TM7 et les bus d'alimentation commencent par un bloc d'E/S d'interface de bus de terrain.

Dans une configuration distante, les données TM7 et les bus d'alimentation commencent par un module émetteur TM5SBET7.

NOTE : le module émetteur TM5SBET7 doit être le dernier module électronique de la configuration TM5 localeou distante que vous envisagez d'étendre.

Description du segment d'alimentation des E/S 24 VCC

Le courant est distribué aux entrées et sorties du Système TM7 via le segment d'alimentation des E/S 24 VCC.

Le segment d'alimentation des E/S 24 VCC commence par le premier composant TM7 de la configuration et se termine au point où un autre bloc d'E/S est connecté à une alimentation ou à la fin de la configuration.

Un segment est un groupe de blocs d'E/S connectés les uns aux autres par l'intermédiaire des connecteurs IN et OUT d'alimentation 24 VCC.

Les raisons qui justifient la création d'un segment sont les suivantes :

oSéparer les groupes de blocs d'E/S. Par exemple, un groupe d'entrées séparé d'un groupe de sorties.

oLe courant délivré au segment d'alimentation précédent des E/S 24 VCC est entièrement consommé par les équipements figurant sur ce segment.

Bloc d'E/S de l'interface du bus de terrain

Entre autres choses, le bloc d'E/S de l'interface du bus de terrain connecte :

ol'alimentation externe directement au segment d'alimentation des E/S 24 VCC,

ol'alimentation externe à l'alimentation interne générant le courant distribué au bus d'alimentation TM7, qui est dérivé de la connexion d'alimentation principale 24 VCC.

La figure suivante décrit les éléments alimentés par le bus d'alimentation TM7 et le segment d'alimentation des E/S 24 VCC :

Désignation

Description

Bus d'alimentation TM7

Qui dessert les blocs d'E/S d'extension de la configuration distribuée.

Segment d'alimentation des E/S 24 VCC

Dessert :

ol'électronique du bloc d'E/S,

oles capteurs et actuateurs connectés au bloc d'E/S de l'interface du bus de terrain,

oles blocs d'extension,

oles capteurs et actionneurs connectés aux blocs d'extension.

Module émetteur (TM5SBET7)

Le module émetteur TM5SBET7 fournit du courant au bus d'alimentation TM7 et relaie aussi les données du contrôleur vers les équipements d'extension distants à travers le bus de données TM7.

Selon la position de montage du module émetteur TM5SBET7, le nombre de blocs d'E/S d'extension TM7 raccordés sans PDB est limité à :

Emplacement du TM5SBET7

Nombre maximal de blocs d'E/S TM7

Horizontal

8

Vertical

6

Warning_Color.gifAVERTISSEMENT

FONCTIONNEMENT IMPREVU DE L'EQUIPEMENT

oNe connectez pas plus de 8 blocs à un TM5SBET7 installé horizontalement.

oNe connectez pas plus de 6 blocs à un TM5SBET7 installé verticalement.

Le non-respect de ces instructions peut provoquer la mort, des blessures graves ou des dommages matériels.

NOTE : pour installer plus de 6 ou 8 blocs (en fonction de l'orientation de l'installation du TM5SBET7) d'E/S distantes TM7, vous devez ajouter un bloc de distribution d'alimentation.

Bloc de distribution d'alimentation (PDB)

Les blocs de distribution d'alimentation (PDBs) permettent de renforcer les tensions et courants distribués par le bus d'alimentation TM7. Vous risquez de devoir ajouter des PDB pour renforcer le bus d'alimentation TM7 dans les cas suivants :

oAucun PDBs n'a été installé et le nombre de blocs d'E/S dépasse le nombre maximum que le module émetteur TM5SBET7 peut prendre en charge, conformément à l'orientation de l'installation. Pour plus d'informations, reportez-vous au module émetteur.

oLe module émetteur installé et les PDBs sont adaptés à la consommation de courant des blocs d'E/S et aux longueurs de câbles, mais vous souhaitez une alimentation redondante au cas où un PDB cesserait de fonctionner.

oLa consommation de courant cumulée de l'électronique des blocs d'E/S dépasse le courant de sortie maximum disponible à partir du module émetteur TM5SBET7 et des éventuels modules PDBs déjà installés. Pour plus d'informations, reportez-vous à la section Courant fourni et tables de consommation sur le bus d'alimentation TM7.

oLe nombre maximum de blocs d'E/S qui peuvent être alimentés par le module émetteur existant et les modules PDBs ont été installés, et la longueur du câble qui relie le premier bloc d'E/S au dernier est supérieure à 100 m.

NOTE : si la distance entre le premier et le dernier bloc d'E/S d'un bus d'alimentation TM7 entièrement renseigné dépasse 100 m, la perte de tension sur le câble peut réduire le nombre maximum de blocs d'E/S TM7 qu'il est possible d'alimenter. Dans ces circonstances, ajoutez un module PDB et vérifiez que la tension d'alimentation de chaque bloc d'E/S respecte les limites autorisées.

Courant fourni au bus d'alimentation TM7

Le tableau ci-dessous indique le courant maximum fourni au bus d'alimentation TM7 :

Equipement

Courant fourni au bus d'alimentation TM7 monté horizontalement

Courant fourni au bus d'alimentation TM7 monté verticalement

0 à 55 °C

55 à 60 °C

0 à 50 °C

TM5SBET7

304 mA

228 mA

228 mA

TM7SPS1A

750 mA

TM7NCOM08B

150 mA

TM7NCOM16B

750 mA

TM7NCOM16A

750 mA

Courant fourni au segment d'alimentation des E/S 24 VCC

Le tableau ci-dessous indique le courant maximum distribué au segment d'alimentation des E/S 24 VCC :

Equipement

Courant maximum

TM5SBET7

TM7SPS1A

TM7NCOM08B

4 A

TM7NCOM16B

4 A

TM7NCOM16A

4 A

Bloc d'E/S TM7(1)

8 A

(1) Lorsque vous raccordez le connecteur IN d'alimentation d'E/S 24 VCC à une alimentation externe