Caratteristiche del modulo TM2DDI8DT

Introduzione

Questa sezione descrive le caratteristiche elettriche e degli ingressi del modulo TM2DDI8DT.

Vedere anche Caratteristiche ambientali.

Warning_Color.gifAVVERTIMENTO

FUNZIONAMENTO IMPREVISTO DELL'APPARECCHIATURA

Non superare i valori nominali specificati nelle tabelle delle caratteristiche ambientali ed elettriche.

Il mancato rispetto di queste istruzioni può provocare morte, gravi infortuni o danni alle apparecchiature.

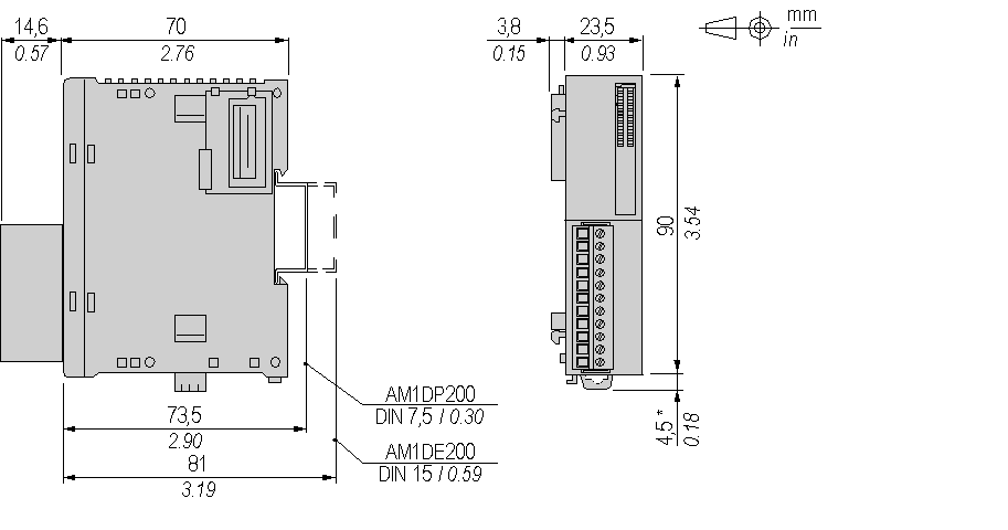
Dimensioni

Gli schemi seguenti indicano le dimensioni del modulo TM2DDI8DT.

G-RU-0010293.1.gif-high.gif

 

 

NOTA: * 8,5 mm (0.33 in) con la graffa estratta.

Caratteristiche elettriche del TM2DDI8DT

Isolamento

Tra ingresso e bus interno: 500 Vac

Tra i morsetti d'ingresso: non isolato

Durata di vita del connettore per numero di inserimenti/rimozioni

Oltre 100 volte

Assorbimento di corrente su bus interno 5 Vdc

25 mA (tutti gli ingressi attivi)

5 mA (tutti gli ingressi disattivati)

Assorbimento di corrente su bus interno 24 Vdc

0 mA (tutti gli ingressi attivi)

0 mA (tutti gli ingressi disattivati)

Caratteristiche degli ingressi del TM2DDI8DT

Numero di canali di ingresso

8

linee comuni

1

Tipo di segnali di ingresso

sink o source

Tensione di ingresso nominale

24 Vdc

Campo della tensione di ingresso

20.4...28.8 Vdc

Corrente di ingresso nominale a 24 Vdc

7 mA

Impedenza d'ingresso

3,4 kΩ

Stato OFF

U < 5 Vdc

Stato ON

U > 15 Vdc

I > 2 mA

Tempo di accensione

4 ms

Tempo di spegnimento

4 ms

Tipo di ingresso

Tipo 1 (IEC 61131-2)

Limiti di utilizzo

Quando si utilizza il TM2DDI8DT:

G-RU-0010294.3.gif

 

1   Il 90% degli ingressi può essere attivato contemporaneamente, a 55°C, tensione di ingresso 24 Vdc.

2   Tutti gli ingressi possono essere attivati contemporaneamente, a 30°C, tensione di ingresso 28,8 Vdc.