Schema di cablaggio del TMC4AI2

Introduzione

La cartuccia dispone di una morsettiera rimovibile a molla per il collegamento degli ingressi.

Cablaggio

Vedere Miglior prassi per il cablaggio.

Schema di cablaggio

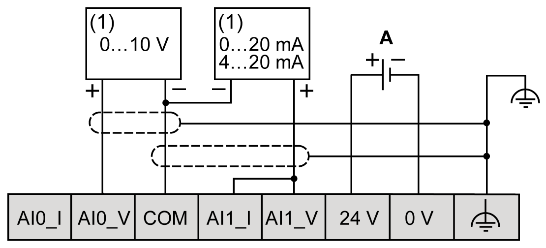
La seguente figura mostra un esempio di collegamento degli ingressi di tensione e di corrente:

G-SE-0031629.1.gif-high.gif

 

(1):   Corrente/tensione dispositivo di uscita analogico

A:   Alimentazione esterna

NOTA: Ogni ingresso può essere collegato a un ingresso di tensione o di corrente.