TM7 配电介绍

配电概述

现场总线接口 I/O 功能块是 TM7 分布式配置的配电起点,它为 24 Vdc I/O 电源段配电,并为 TM7 电源总线生成电源。

远程配置中,TM5SBET7 发射器模块为 TM7 电源总线生成电源。TM5SBET7 后的第一个远程配置 I/O 功能块为第一个 24 Vdc I/O 电源段配电。

还有其他组件为 TM7 电源总线生成补充电源,或进行配电以创建独立的 24 Vdc I/O 电源段。例如,可以在您的 I/O 配置需要时,添加配电功能块 (PDB) 以向 TM7 电源总线提供补充电源。另一个示例是将电源连接到某个 I/O 功能块,以将 24 Vdc I/O 电源段分为若干独立的 24 Vdc I/O 电源段。

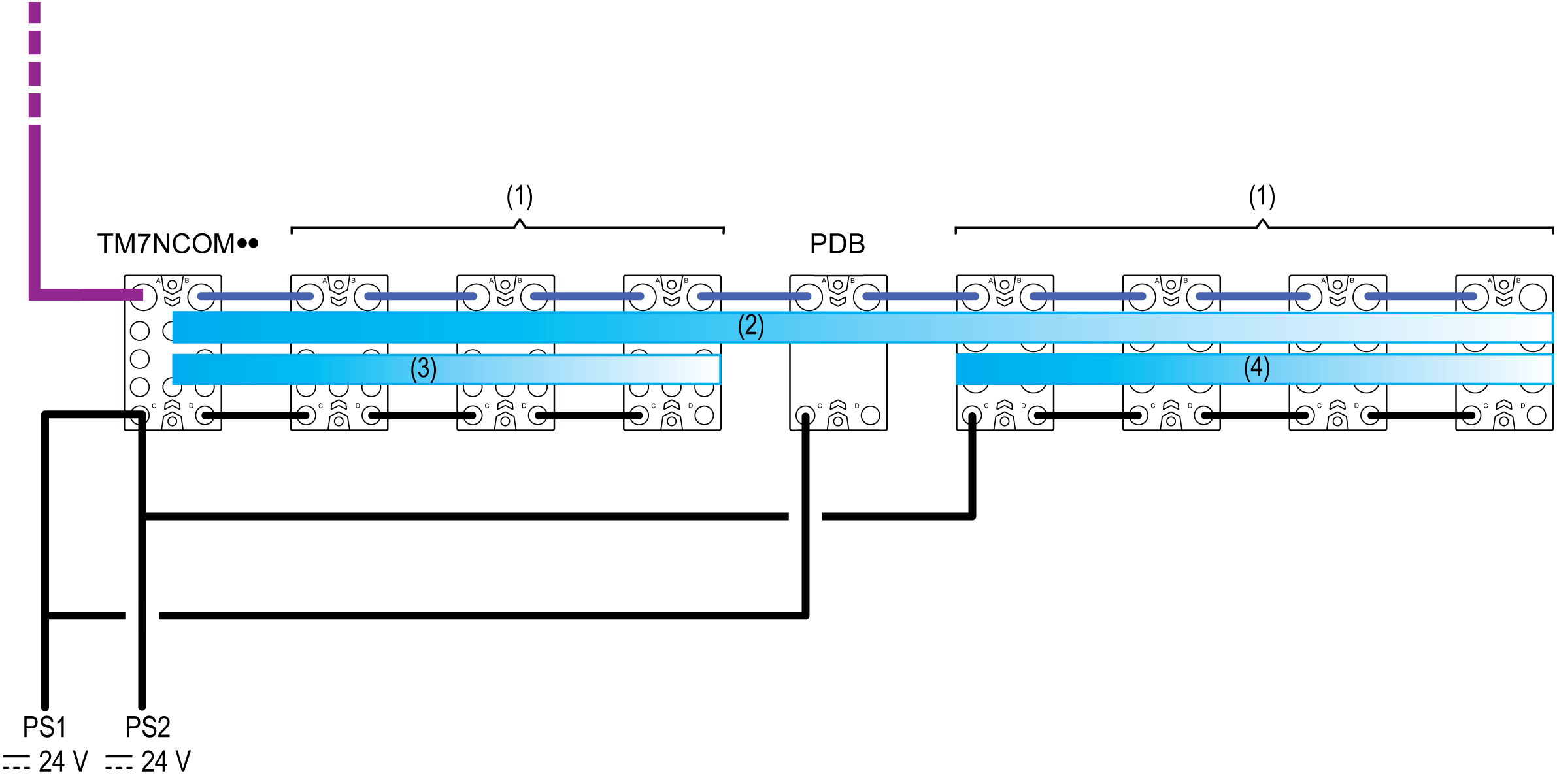
下图演示了 TM7 远程配置的配电。有关连接器接线的详细信息,请参阅对电源进行接线一节:

G-SE-0008018.1.gif-high.gif

 

(1)   TM7 I/O 功能块

(2)   TM7 电源总线

(3...4)   24 Vdc I/O 电源段

TM7NCOM••   TM7 现场总线接口 I/O 功能块

PDB   配电功能块

PS1   外部隔离主电源,24 Vdc

PS2   外部隔离 I/O 电源,24 Vdc

下图显示了远程配置的配电概述的表示形式。有关连接器接线的详细信息,请参阅对电源进行接线一节:

G-SE-0008017.3.gif-high.gif

 

(1)   TM7 I/O 功能块

(2)   TM7 电源总线

(3...5)   24 Vdc I/O 电源段

TM5SBET7   发射器模块

PDB   配电功能块

PS1   外部隔离主电源,24 Vdc

PS2   外部隔离 I/O 电源,24 Vdc

TM7 电源总线介绍

TM7 总线由两个部分组成:

oTM7 数据总线

oTM7 电源总线

TM7 电源总线分配电源以向 I/O 功能块的电子部件供电。如果需要,可以通过添加 PDB 加强 TM7 总线上的电源。

在分布式配置中,TM7 数据和电源总线始于现场总线接口 I/O 功能块。

在远程配置中,TM7 数据和电源总线始于 TM5SBET7 发射器模块。

注意: TM5SBET7 发射器模块必须是您要扩展的本地或远程 TM5 配置中的最后一个电子模块。

24 Vdc I/O 电源段介绍

通过 24 Vdc I/O 电源段向 TM7 系统 的输入和输出配电。

24 Vdc I/O 电源段始于配置的第一个 TM7 组件,止于其他 I/O 功能块与电源的连接点或配置末尾。

段是通过 24 Vdc 电源 IN 和 24 Vdc 电源 OUT 连接器相互连接的一组 I/O 功能块。

构建新段的原因:

o将 I/O 功能块组隔开。例如,将输入组与输出组隔开。

o因为向前一个 24 Vdc I/O 电源段供应的电源完全被该段上的设备所消耗。

现场总线接口 I/O 功能块

此外,现场总线接口 I/O 功能块还:

o将外部电源直接连接至 24 Vdc I/O 电源段,

o将外部电源连接到内部电源,后者会生成在 TM7 电源总线上分配的电源,这源自 24 Vdc 主电源连接。

下表描述由 TM7 电源总线和 24 Vdc I/O 电源段供电的部件:

名称

描述

TM7 电源总线

用于分布式配置的扩展 I/O 功能块。

24 Vdc I/O 电源段

用于:

oI/O 功能块的电子部件,

o连接到现场总线接口 I/O 功能块的传感器和执行器,

o扩展功能块,

o连接到扩展功能块的传感器和执行器。

发射器模块 (TM5SBET7)

TM5SBET7 发射器模块向 TM7 电源总线供电,并将来自控制器的数据通过 TM7 数据总线中继到远程扩展设备。

根据 TM5SBET7 发射器模块的安装位置,不使用 PDB 连接的 TM7 扩展 I/O 功能块数量限制为:

TM5SBET7 位置

TM7 I/O 功能块的最大数量

水平

8

垂直

6

Warning_Color.gif警告

意外的设备操作

o连接到水平安装的 TM5SBET7 的功能块不能超过 8 个。

o连接到垂直安装的 TM5SBET7 的功能块不能超过 6 个。

不遵循上述说明可能导致人员伤亡或设备损坏。

注意: 要安装 TM7 远程 I/O 的 6 个或 8 个以上的功能块(根据 TM5SBET7 的安装方向),您将需要添加配电功能块。

配电功能块 (PDB)

配电功能块 (PDBs) 用于加强 TM7 电源总线分配的电压和电流。在以下任一种情况下,您可能需要添加 PDB 以加强 TM7 电源总线:

o未安装 PDBs,且根据安装方向,I/O 功能块的数量超过了 TM5SBET7 发射器模块可支持的最大数量。有关详细信息,请参阅发射器模块

o已安装的发射器模块和 PDBs 能够充分满足 I/O 功能块电流消耗和电缆长度,但您需要冗余电源以防 PDB 出现故障。

oI/O 功能块电子部件的累积电源消耗超过已安装的 TM5SBET7 发射器模块及任何 PDBs 可提供的最大输出电流。有关详细信息,请参阅 TM7 电源总线上的供应电流和电流消耗表

o已安装可由现有发射器模块和 PDBs 供电的最大数量的 I/O 功能块,并且从第一个 I/O 功能块到最后一个 I/O 功能块的电缆长度超过 100 米(328 英尺)。

注意: 如果从完全填充的 TM7 电源总线上的第一个到最后一个 I/O 功能块之间的距离超过 100 米(328 英尺),则电缆上的电压降可能会减少可供电的 TM7 I/O 功能块的最大数量。在这些情况下,请添加 PDB 并确保每个 I/O 功能块的电源电压都处于限制范围内。

向 TM7 电源总线供电

下表提供了向 TM7 电源总线供应的最大电流:

设备

向水平安装方向的 TM7 电源总线供应的电流

向垂直安装方向的 TM7 电源总线供应的电流

0...55 °C (32...131 °F)

55...60 °C (131...140 °F)

0...50 °C (32...122 °F)

TM5SBET7

304 mA

228 mA

228 mA

TM7SPS1A

750 mA

TM7NCOM08B

150 mA

TM7NCOM16B

750 mA

TM7NCOM16A

750 mA

向 24 Vdc I/O 电源段供电

下表提供了在 24 Vdc I/O 电源段上分配的最大电流:

设备

最大电流

TM5SBET7

TM7SPS1A

TM7NCOM08B

4 A

TM7NCOM16B

4 A

TM7NCOM16A

4 A

TM7 I/O 功能块(1)

8 A

(1) 将 24 Vdc I/O 电源 IN 连接器连接到外部电源时