本节介绍 TM3SAF5R / TM3SAF5RG 安全模块的特性。
另请参阅环境特性。
|
|
|
意外的设备操作 |
|
请勿超过环境和电气特性表中指定的任何额定值。 |
|
不遵循上述说明可能导致人员伤亡或设备损坏。 |
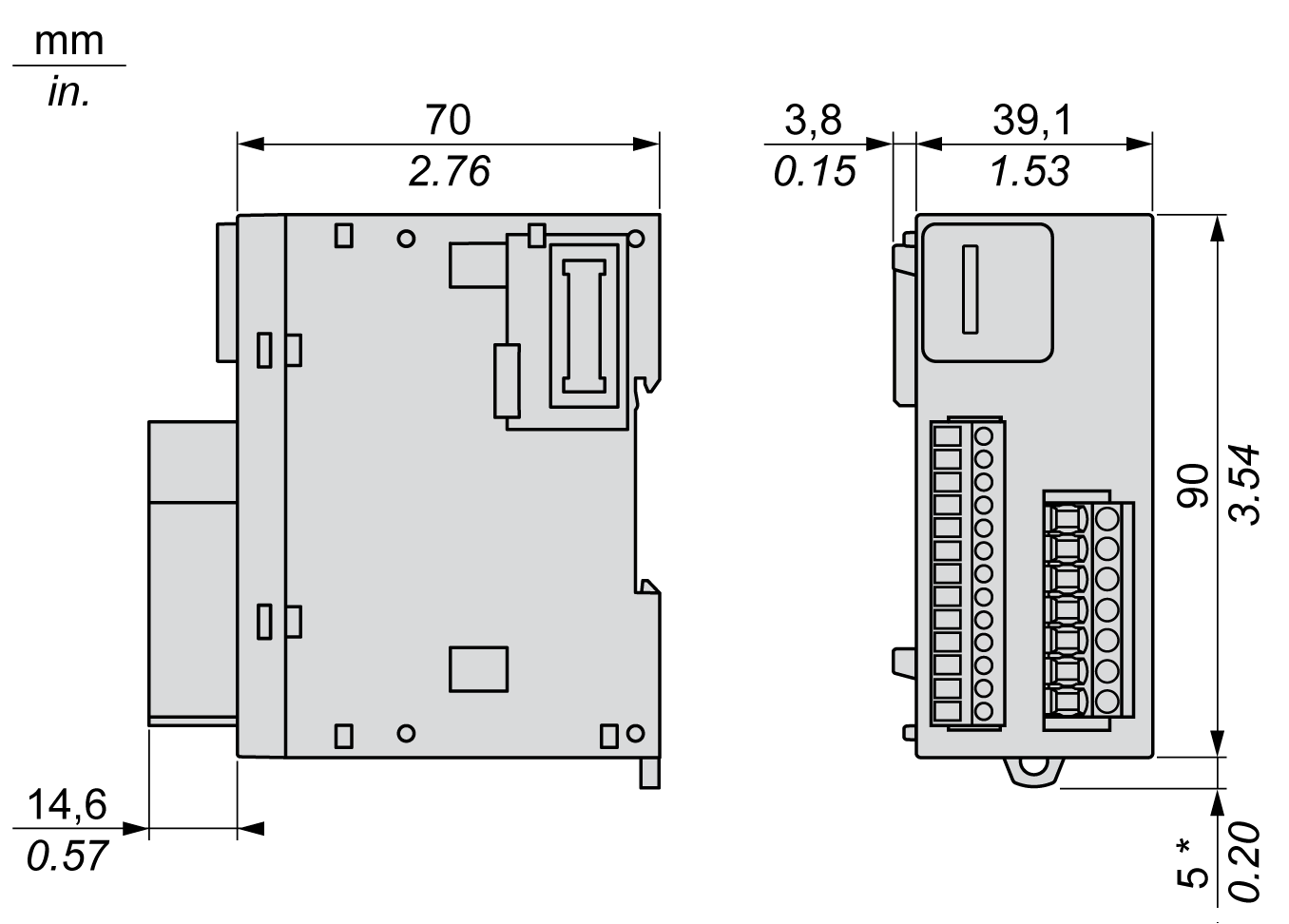
下图显示 TM3SAF5R / TM3SAF5RG 安全模块的外部尺寸:
* 拔出卡扣后为 8.5 毫米(0.33 英寸)。
TM3SAF5R• 模块属于安全模块,用于根据 ISO/EN 13849、IEC/EN 62061、IEC/EN 61058 监控防护装置上的紧急停止和限位开关。该模块具有以下安全相关特性:
|
特性 |
值 |
设计规格 |
|---|---|---|
|
安全完整性等级 (SIL) |
3 |
IEC/EN 61508-1:2010 |
|
安全完整性等级要求极限 (SILCL) |
3 |
IEC/EN 62061:2005 |
|
安全失效比率 (SFF) |
95 % |
IEC/EN 61508-1:2010 |
|
硬件容错 (HFT) |
1 |
IEC/EN 61508-1:2010 |
|
类型 |
A |
IEC/EN 61508-1:2010 |
|
操作模式 |
高需求模式 |
IEC/EN 61508-1:2010 |
|
每小时发生危险故障的概率 (PFHd) |
30 * 10-9 / h (1) |
IEC/EN 61508-1:2010 |
|
5 * 10-9 / h (2) |
||
|
平均危险故障时间 (MTTFd) |
85 年 (1) |
ISO/EN 13849-1:2008 |
|
500 年 (2) |
||
|
性能等级 (PL) 类别 (cat.) |
PL e. cat. 4 |
ISO/EN 13849-1:2008 |
|
诊断覆盖率 (DC) |
95 % |
ISO/EN 13849-1:2008 |
|
使用寿命 |
20 年 |
– |
|
响应时间 |
20 毫秒 |
– |
|
验证测试间隔 (PTI) |
无 |
– |
|
停止类别 |
0 |
IEC/EN 60204-1 |
|
启动 |
手动或自动 |
– |
|
路径 |
• 3 个启用路径 • 1 个发出信号路径 |
– |
|
反馈 |
监控外部接触器的反馈回路。 |
– |
|
定义的安全状态 |
当 TM3 安全 模块输出关闭(内部继电器未通电;输出路径断开)时,这些模块处于定义的安全状态。 |
– |
|
注意: 这些模块包含机电继电器,因此实际的 MTTFd 和 PFHd 值因应用负载和占空比而异。 (1) 在 DC-13 24 Vdc 1 A 时每小时 60 个操作循环 (2) 在 DC-13 24 Vdc 4 A 时每小时 1 个操作循环 |
||
下表介绍了 TM3 安全 模块的电源特性:
|
特性 |
值 |
|
|---|---|---|
|
电源电压 |
IEC 60038 |
24 Vdc -15...+20 % |
|
外部熔断保护(最大) |
4 A 慢断(gG 类) |
|
|
功耗 |
24 Vdc 电源电压 |
3.6 W |
|
TM3 总线 (5 Vdc) |
0.2 W |
|
下表介绍了 TM3 安全 模块的控制电路特性:
|
特性 |
值 |
|
|---|---|---|
|
触点电压 |
标称值 |
24 Vdc |
|
触点电流 |
标称值 |
35 mA |
|
最大值 |
100 mA |
|
|
响应时间 |
≤ 20 毫秒 |
|
|
延迟 |
开启 |
≤ 100 毫秒 |
|
重启 |
≤ 300 毫秒 |
|
下表介绍了 TM3 安全 模块的输出电路特性:
|
特性 |
值 |
|
|---|---|---|
|
每个输出的最大开关电流 |
AC-15:230 Vac |
5 A |
|
DC-13:24 Vdc |
4 A |
|
|
最小开关电压和电流(决不将新触点用于较高的负载) |
17 V,10 mA |
|
|
最大电流 |
每输出路径 |
6 A |
|
所有输出路径的电流总和 |
≤ 18 A |
|
|
外部熔断保护(最大) |
慢断(gG 类)熔断器 |
4 A |
|
速断熔断器 |
6 A |
|
|
最大开关操作次数 |
107 |
|