数字量 6In 电子模块配备有 6 路漏极输入。
下图显示了 6In 的 LED:
下表介绍了 6In 状态 LED:
|
LED |
颜色 |
状态 |
描述 |
|---|---|---|---|
|
r |
绿色 |
熄灭 |
无电源 |
|
一次闪烁 |
复位状态 |
||
|
闪烁 |
预操作状态 |
||
|
亮起 |
正常操作 |
||
|
e |
红色 |
熄灭 |
正常或无电源 |
|
e+r |
红色常亮/绿色一次闪烁 |
无效固件 |
|
|
0-5 |
绿色 |
熄灭 |
相应的输入已禁用 |
|
亮起 |
相应的输入已激活 |
||
|
|
|
火灾危险 |
|
仅对 I/O 通道和电源的最大电流容量使用正确的导线规格。 |
|
不遵循上述说明将导致人员伤亡。 |
|
|
|
意外的设备操作 |
|
请勿超过环境和电气特性表中指定的任何额定值。 |
|
不遵循上述说明可能导致人员伤亡或设备损坏。 |
下表描述了 6In 电子模块的输入特性:
|
输入特性 |
||
|---|---|---|
|
输入通道数 |
6 |
|
|
接线类型 |
1 或 2 线 |
|
|
输入类型 |
类型 1 |
|
|
信号类型 |
漏型 |
|
|
额定输入电压 |
24 Vdc |
|
|
输入电压范围 |
20.4...28.8 Vdc |
|
|
额定输入电流24 Vdc 时 |
3.75 mA |
|
|
输入阻抗 |
6.4 kΩ |
|
|
“关闭”状态 |
5 Vdc(最大值) |
|
|
“开启”状态 |
15 Vdc(最小值) |
|
|
输入滤波器 |
硬件 |
≤100 微秒 |
|
软件 |
缺省值为 1 毫秒,可在 0 到 25 毫秒范围内、以 0.2 毫秒为间隔进行配置。 |
|
|
隔离 |
输入与内部总线之间 |
请参见注 1 |
|
通道之间 |
未隔离 |
|
1 电子模块的隔离在 TM5 电源总线供电的电子部件与连接到电子模块的 24 Vdc I/O 电源段供电的部件之间为 500 Vac RMS。实际上,在 TM5 电源总线与 24 Vdc I/O 电源段之间有一个桥接器。两个电源电路通过为减小电磁干扰影响而设计的特定组件,参考同一个功能性接地 (FE)。这些组件的额定值为 30 Vdc 或 60 Vdc。这样可有效地降低整个系统与 500 Vac RMS 的隔离。
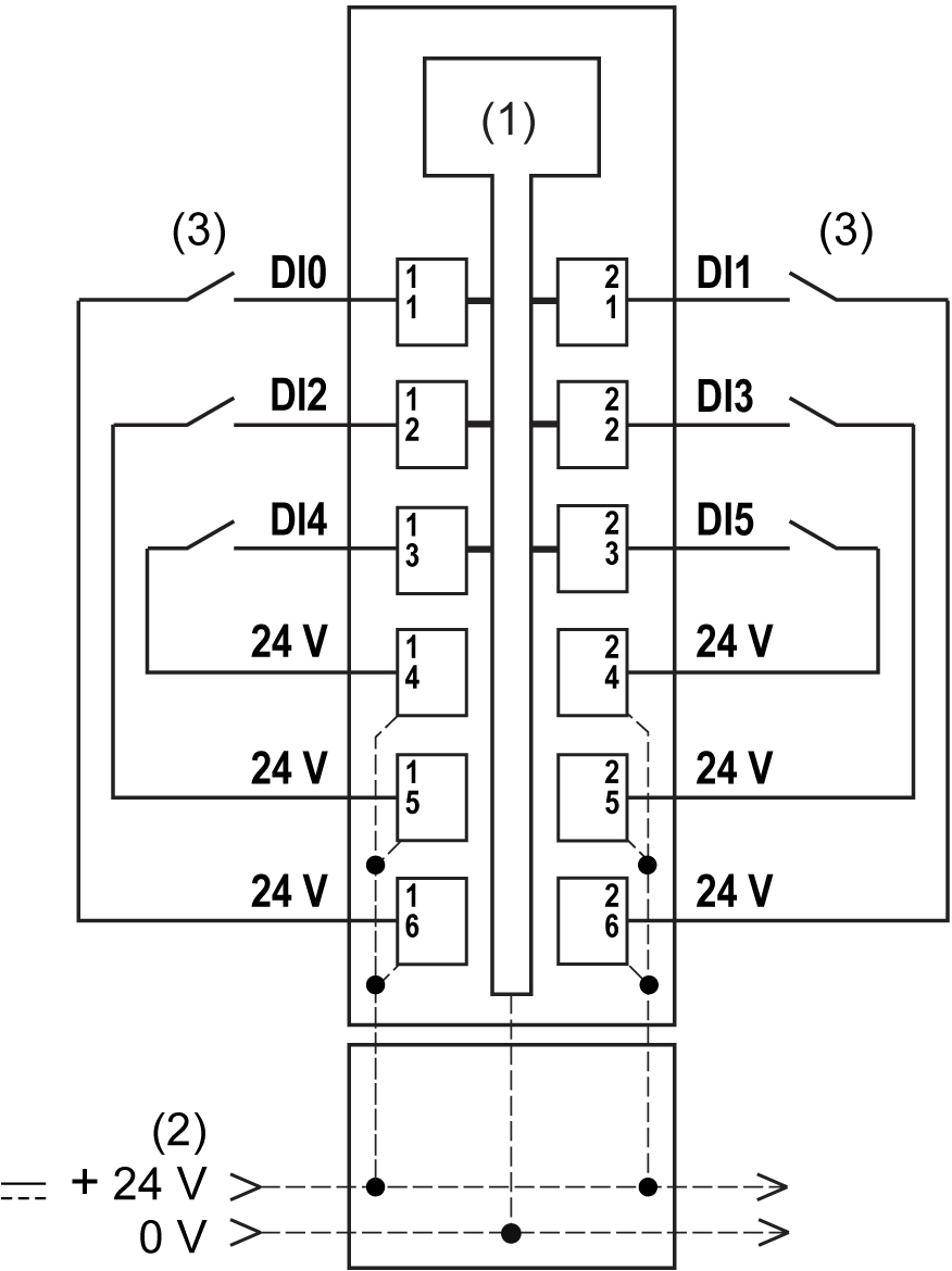
下图显示了 6In 的接线图:
1 内部电子
2 集成在总线基板上的 24 Vdc I/O 电源段
3 2 线传感器
|
|
|
意外的设备操作 |
|
请勿将导线连接至未使用的端子和/或标记为“No Connection (N.C.)”的端子。 |
|
不遵循上述说明可能导致人员伤亡或设备损坏。 |