Kenndaten des Moduls TM2DDI16DK

Einführung

Dieser Abschnitt enthält eine Beschreibung der elektrischen Kenndaten und der Eingangs­kenndaten des Moduls TM2DDI16DK.

Siehe auch Umgebungskenndaten.

Warning_Color.gifWARNUNG

UNBEABSICHTIGTER GERÄTEBETRIEB

Überschreiten Sie keinen der in den umgebungsspezifischen und elektrischen Kenndatenta­bellen angegebenen Nennwerte.

Die Nichtbeachtung dieser Anweisungen kann Tod, schwere Verletzungen oder Sachschäden zur Folge haben.

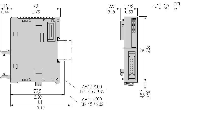
Abmessungen

Die folgenden Abbildungen zeigen die Abmessungen für das Modul TM2DDI16DK.

G-RU-0010297.1.gif-high.gif

 

 

HINWEIS: * 8,5 mm (0.33 in) bei herausgezogener Klemme.

TM2DDI16DK – Elektrische Kenndaten

Potenzialtrennung

Zwischen Eingang und internem Bus: 500 VAC

Zwischen den Eingangsklemmenleisten: nicht potenzialgetrennt

Steckverbinderhaltbarkeit (Ein-/Aussteckvorgänge)

Mehr als 100 Vorgänge

Stromaufnahme am internen 5-VDC-Bus

35 mA (alle Eingänge ein)

5 mA (alle Eingänge aus)

Stromaufnahme am internen 24-VDC-Bus

0 mA (alle Eingänge ein)

0 mA (alle Eingänge aus)

TM2DDI16DK – Eingangskenndaten

Anzahl Eingangskanäle

16

Gemeinsame Leitungen

1

Eingangssignaltyp

Senke oder Quelle

Eingangsnennspannung

24 VDC

Eingangsspannungsbereich

20.4...28.8 VDC

Nominaler Eingangsstrom bei 24 VDC

5 mA

Eingangsimpedanz

4,4 kΩ

Status AUS

U < 5 VDC

EIN-Zustand

U > 15 VDC

I > 2 mA

Einschaltzeit

4 ms

Abschaltzeit

4 ms

Eingangstyp

Typ 1 (IEC 61131-2)

Nutzungseinschränkungen

Beim Einsatz des TM2DDI16DK:

G-RU-0010298.2.gif

 

1   Begrenzen Sie bei 55 °C (131 °F) die Eingänge, die sich simultan an jedem Steckverbinder entlang der Linie einschalten.

2   Bei 30 °C (86 °F) können alle Eingänge simultan bei einer Eingangsspannung von 28,8 VDC eingeschaltet werden (siehe Linie).