Remplacement du joint de montage

Présentation

Le joint de montage offre une protection contre la poussière et la moisissure.

AVIS

VIEILLISSEMENT DU JOINT

oContrôler régulièrement l'état du joint selon l'environnement d'utilisation pour maintenir le niveau de protection IP d'origine.

oChangez le joint au moins une fois par an ou dès l’apparition de fissures ou de traces de salissures.

Le non-respect de ces instructions peut provoquer des dommages matériels.

Installation du joint de montage

NOTE : Pour savoir comment installer le joint de montage sur l'équipement HMIGTO2315/HMIGTO5315/HMIGTO6315, consultez la section Procédure de montage de panneau HMIGTO2315/HMIGTO5315/HMIGTO6315.

Etape

Description

1

Placez le écran sur une surface plate et plane, l'écran orienté vers le bas.

2

Retirez le joint du écran.

3

Mettez en place le nouveau joint dans le écran. Positionnez le joint dans la rainure de montage avec la couture en bas du écran. Tout d'abord, insérez le joint dans les 4 coins, dans l'ordre indiqué sur l'image ci-dessous. Ensuite, insérez le reste du joint dans la rainure de montage.

NOTE :

oLe centre de la rainure de montage du cadran du écran est côtelé. Assurez-vous d'insérer entièrement le joint sans accrocher les sections côtelées.

oSi vous utilisez un outil pour insérer le joint, assurez-vous qu'il n'accroche pas le joint caoutchouc et cause une déchirure.

G-SE-0016481.1.gif-high.gif

 

 

4

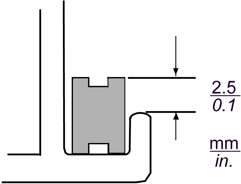
La surface supérieure du joint doit dépasser d'environ 2,0 mm (0,06 po) de la rainure. Vérifiez que le joint est correctement inséré avant d’installer l’équipement HMIGTO dans le panneau.

G-SE-0017241.2.gif-high.gif

 

 

Le joint doit être inséré correctement dans la rainure pour offrir une résistance à l'humidité de niveau IP65f au écran (résistance à l'humidité IP66k pour HMIGTO2315/HMIGTO5315/HMIGTO6315).

Caution_Color.gifATTENTION

RISQUE DE DETERIORATION DU MATERIEL

oPuisque le joint est souple mais pas élastique, faites attention de ne pas l'étirer non nécessairement.

oVeillez à ne pas insérer la couture du joint dans les coins de l'écran.

oInsérez le joint dans la rainure de montage.

Le non-respect de ces instructions peut provoquer des blessures ou des dommages matériels.