Entrées numériques

Présentation

Le Modicon M241 Logic Controller intègre les entrées numériques suivantes :

Référence

Nombre total d'entrées numériques

Entrées rapides utilisables comme des entrées HSC 200 kHz

Nombre total d'entrées normales

Entrées normales utilisables comme des entrées HSC 1 kHz

TM241C••24R

TM241C••24T

TM241C••24U

14

8

6

6

TM241C•40R

TM241C•40T

TM241C•40U

24

8

16

8

Pour plus d'informations, reportez-vous à la section Gestion des entrées.

 DANGER
RISQUE D'INCENDIE
  • Utilisez uniquement les sections de fil appropriées pour la capacité de courant maximum des voies d'E/S et des alimentations.
  • Pour le câblage des sorties relais (2 A), utilisez des conducteurs d'au moins 0,5 mm2 (AWG 20) ayant une température nominale d'au moins 80 °C (176 °F).
  • Pour les conducteurs communs du câblage des sorties relais (7 A), ou le câblage de sorties relais supérieur à 2 A, utilisez des conducteurs d'au moins 1 mm2 (AWG 16) avec une température nominale égale ou supérieure à 80 °C (176 °F).
Le non-respect de ces instructions provoquera la mort ou des blessures graves.
 AVERTISSEMENT
FONCTIONNEMENT IMPRÉVU DE L'ÉQUIPEMENT
Ne dépassez pas les valeurs nominales indiquées dans les tableaux des caractéristiques d'environnement et électriques.
Le non-respect de ces instructions peut provoquer la mort, des blessures graves ou des dommages matériels.

Voyants d'état des entrées numériques

L'illustration suivante explique l'état des voyants pour les contrôleurs TM241C••24• (les contrôleurs TM241C•40• sont similaires, avec 40 voyants) :

Diode

Couleur

Etat

Description

0 à 13

Vert

Allumé

La voie d'entrée est activée

Eteint

La voie d'entrée est désactivée

Caractéristiques des entrées normales

Le tableau suivant décrit les caractéristiques du M241 Logic Controller avec entrées normales :

Caractéristique

Valeurs

TM241C••24•

TM241C•40•

Nombre d'entrées normales

6 entrées (I8 à I13)

16 entrées (I8 à I23)

Nombre de groupes de voies

1 ligne commune pour I8 à I13

1 ligne commune pour I8 à I23

Type d'entrée

Type 1 (CEI 61131-2 édition 3)

Type de logique

Positive/négative

Plage de tension d'entrée

24 VCC

Tension d'entrée nominale

0 à 28,8 VCC

Courant d'entrée nominal

5 mA

7 mA

Impédance d'entrée

4,7 kΩ

Valeurs limites d'entrée

Tension à l'état 1

> 15 VCC (15 à 28,8 VCC)

Tension à l'état 0

< 5 VCC (0 à 5 VCC)

Courant à l'état 1

> 2,5 mA

Courant à l'état 0

< 1 mA

Réduction de charge

Pas de réduction de charge

Durée de mise sous tension

50 µs + valeur de filtre1

Durée de mise hors tension

50 µs + valeur de filtre1

Isolation

Entre l'entrée et la logique interne

500 VCA

Entre les bornes d'entrée

Non isolé

Type de connexion

Bornier à vis débrochable

Nombre moyen d'insertions/retraits de connecteur

Plus de 100

Câble

Type

Non blindé

Longueur

50 m (164 ft) max.

1 Pour plus d'informations, reportez-vous à la section Principe du filtre intégrateur.

Caractéristiques des entrées rapides

Le tableau suivant décrit les caractéristiques du M241 Logic Controller avec entrées rapides :

Caractéristique

Valeur

Nombre d'entrées transistor rapides

8 entrées (I0 à I7)

Nombre de groupes de voies

1 ligne commune pour I0 à I3

1 ligne commune pour I4 à I7

Type d'entrée

Type 1 (CEI 61131-2 édition 3)

Type de logique

Positive/négative

Tension d'entrée nominale

24 VCC

Plage de tension d'entrée

0 à 28,8 VCC

Courant d'entrée nominal

10,7 mA

Impédance d'entrée

2,81 kΩ

Valeurs limites d'entrée

Tension à l'état 1

> 15 VCC (15 à 28,8 VCC)

Tension à l'état 0

< 5 VCC (0 à 5 VCC)

Courant à l'état 1

> 5 mA

Courant à l'état 0

< 1,5 mA

Réduction de charge

Pas de réduction de charge

Durée de mise sous tension

2 µs + valeur de filtre1

Durée de mise hors tension

2 µs + valeur de filtre1

Fréquence maximale HSC

Phase A/B

100 kHz

Impulsion/Direction

200 kHz

Monophasé

200 kHz

Mode de fonctionnement HSC

  • Compteur phase A/B

  • Compteur impulsion/direction

  • Compteur monophasé/biphasé

Isolation

Entre l'entrée et la logique interne

500 VCA

Entre les bornes d'entrée

Non isolé

Type de connexion

Bornier à vis débrochable

Nombre moyen d'insertions/retraits de connecteur

Plus de 100

Câble

Type

Blindé, y compris l'alimentation 24 VCC

Longueur

10 m (32,8 ft) max.

 

1 Pour plus d'informations, reportez-vous à la section Principe du filtre intégrateur.

Dépose du bornier

Reportez-vous à Dépose du bornier.

Schémas de câblage des TM241C••24R

L'illustration suivante montre le câblage en logique positive des entrées numériques du contrôleur :

* Fusible de type T

(1) Les bornes COM0, COM1 et COM2 ne sont pas connectées en interne.

L'illustration suivante montre le câblage en logique négative des entrées numériques du contrôleur :

* Fusible de type T

(1) Les bornes COM0, COM1 et COM2 ne sont pas connectées en interne.

Câblage des entrées rapides I0 à I7 :

Schémas de câblage des TM241C•40R

L'illustration suivante montre le câblage en logique positive des entrées numériques du contrôleur :

* Fusible de type T

(1) Les bornes COM0, COM1 et COM2 ne sont pas connectées en interne.

L'illustration suivante montre le câblage en logique négative des entrées numériques du contrôleur :

* Fusible de type T

(1) Les bornes COM0, COM1 et COM2 ne sont pas connectées en interne.

Câblage des entrées rapides I0 à I7 :

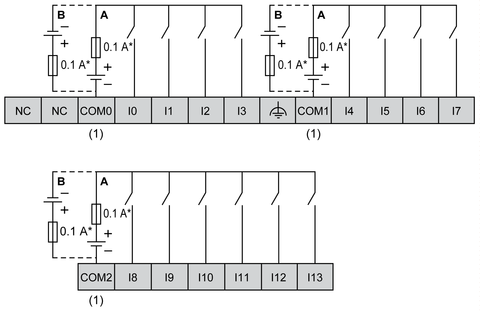
Schémas de câblage des TM241C••24T / TM241C••24U

La figure ci-après représente le raccordement des entrées numériques du contrôleur :

* Fusible de type T

(1) Les bornes COM0, COM1 et COM2 ne sont pas connectées en interne.

A Câblage à logique positive

B Câblage à logique négative

Câblage des entrées rapides I0 à I7 :

 AVERTISSEMENT
FONCTIONNEMENT IMPRÉVU DE L'ÉQUIPEMENT
Ne raccordez aucun fil à des connexions réservées, inutilisées ou portant la mention « No Connection (N.C.) ».
Le non-respect de ces instructions peut provoquer la mort, des blessures graves ou des dommages matériels.

Schémas de câblage des TM241C•40T / TM241C•40U

La figure ci-après représente le raccordement des entrées numériques du contrôleur :

* Fusible de type T

(1) Les bornes COM0, COM1 et COM2 ne sont pas connectées en interne.

A Câblage à logique positive

B Câblage à logique négative

Câblage des entrées rapides I0 à I7 :

 AVERTISSEMENT
FONCTIONNEMENT IMPRÉVU DE L'ÉQUIPEMENT
Ne raccordez aucun fil à des connexions réservées, inutilisées ou portant la mention « No Connection (N.C.) ».
Le non-respect de ces instructions peut provoquer la mort, des blessures graves ou des dommages matériels.