Schéma de câblage des TM3AQ4/TM3AQ4G

Introduction

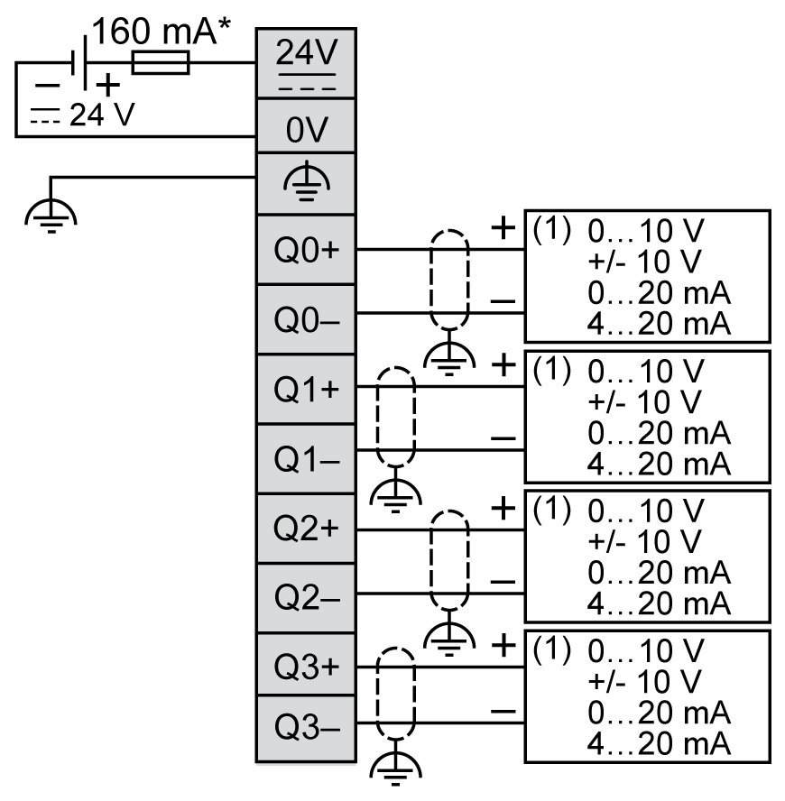
Ces modules d'extension comportent un bornier à vis ou à ressort débrochable pour la connexion des sorties et de l'alimentation.

Règles de câblage

Consultez la section Bonnes pratiques en matière de câblage.

Schéma de câblage

La figure suivante montre le raccordement entre les sorties, les actionneurs et leurs lignes communes :

* Fusible de type T

(1) Equipement d'entrée analogique courant/tension