Caractéristiques des modules TM3SAK6R / TM3SAK6RG
Cette section décrit les caractéristiques des modules de sécurité TM3SAK6R / TM3SAK6RG.
Consultez également la section Caractéristiques environnementales.
|
|
|
FONCTIONNEMENT IMPREVU DE L'EQUIPEMENT |
|
Ne dépassez pas les valeurs nominales indiquées dans les tableaux des caractéristiques d'environnement et électriques. |
|
Le non-respect de ces instructions peut provoquer la mort, des blessures graves ou des dommages matériels. |
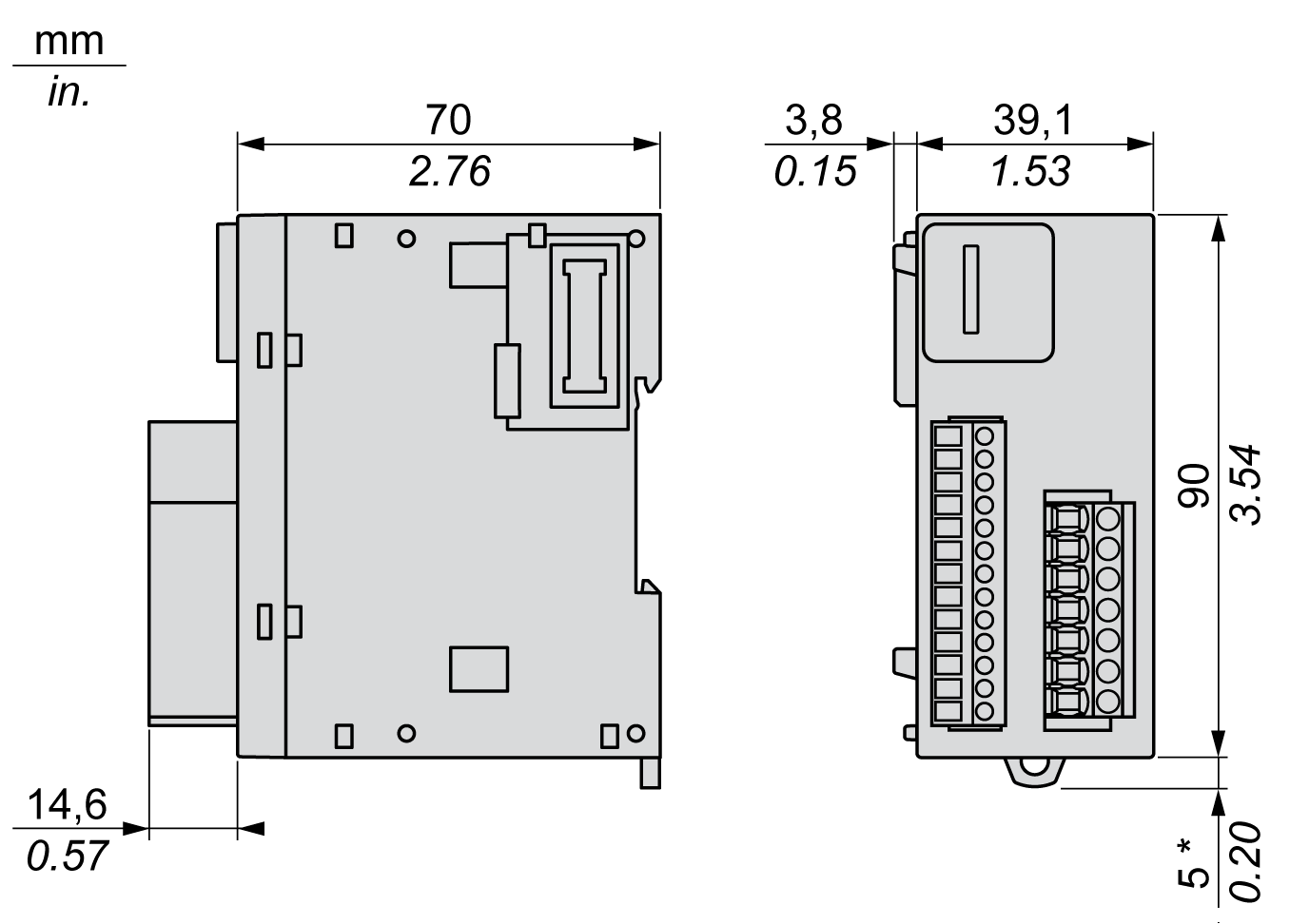
Ce schéma indique les dimensions externes des modules de sécurité TM3SAK6R/TM3SAK6RG :
* 8,5 mm (0,33 in.) lorsque la bride est tirée.
Le TM3SAK6R• est un module de sécurité conçu pour surveiller l'arrêt d'urgence, les détecteurs de limite sur protections, les barrières immatérielles de sécurité et les tapis de sécurité, conformément aux normes ISO/EN 13849, IEC/EN 62061 et IEC/EN 61058. Ce module présente les caractéristiques de sécurité suivantes :
|
Caractéristique |
Valeur |
Conçu en fonction des spécifications |
|---|---|---|
|
Niveau d'intégrité de la sécurité (SIL) |
3 |
IEC/EN 61508-1:2010 |
|
Limite de revendication du niveau d'intégrité de sécurité (SILCL) |
3 |
IEC/EN 62061:2005 |
|
Taux de défaillances non dangereuses (SFF) |
95 % |
IEC/EN 61508-1:2010 |
|
Tolérance aux défauts matériels (HFT) |
1 |
IEC/EN 61508-1:2010 |
|
Type |
A |
IEC/EN 61508-1:2010 |
|
Mode de fonctionnement |
Mode de forte sollicitation |
IEC/EN 61508-1:2010 |
|
Probabilité moyenne de défaillances dangereuses par heure (PFHd) |
30 * 10-9 / h (1) |
IEC/EN 61508-1:2010 |
|
5 * 10-9 / h (2) |
||
|
Temps moyen avant une défaillance dangereuse (MTTFd) |
85 ans (1) |
ISO/EN 13849-1:2008 |
|
500 ans (2) |
||
|
Niveau de performance (PL) catégorie (cat.) |
PL e. cat. 4 |
ISO/EN 13849-1:2008 |
|
Couverture du diagnostic (DC) |
95 % |
ISO/EN 13849-1:2008 |
|
Durée de vie |
20 ans |
– |
|
Temps de réponse |
20 ms |
– |
|
Intervalle entre essais de sûreté (PTI) |
Aucun |
– |
|
Catégorie d'arrêt |
0 |
IEC/EN 60204-1 |
|
Démarrage |
Manuel ou automatique |
– |
|
Chemins |
• 3 chemins d'activation • 1 chemin de signalisation |
– |
|
Retour d'information |
Boucle de retour pour la surveillance des contacteurs externes. |
– |
|
Etat sécurisé défini |
Les modules Sécurité TM3 sont dans l'état sécurisé défini lorsque leurs sorties sont désactivées (relais internes hors tension, chemin de sortie ouvert). |
– |
|
NOTE : Ces modules contiennent des relais électromécaniques, de sorte que les valeurs MTTFd et PFHd réelles varient en fonction de la charge de l'application et du cycle de service. (1) 60 cycles de fonctionnement par heure à DC-13 24 VCC 1 A (2) 1 cycle de fonctionnement par heure à DC-13 24 VCC 4 A |
||
Ce tableau décrit les caractéristiques d'alimentation du module Sécurité TM3 :
|
Caractéristique |
Valeur |
|
|---|---|---|
|
Tension d'alimentation |
IEC 60038 |
24 VCC -15 à +20 % |
|
Protection par fusible externe (maximum) |
4 A à fusion rapide (classe gG) |
|
|
Consommation d'énergie |
Tension d'alimentation 24 VCC |
3,6 W |
|
Bus TM3 (5 VCC) |
0,2 W |
|
Ce tableau décrit les caractéristiques du circuit de commande du module Sécurité TM3 :
|
Caractéristique |
Valeur |
|
|---|---|---|
|
Tension d'entrée (haute) (1) |
Minimum |
19,6 VCC |
|
Nominale |
24 VCC |
|
|
Maximum |
28,8 VCC |
|
|
Tension d'entrée (basse) (1) |
Minimum |
0 VCC |
|
Nominale |
0 VCC |
|
|
Maximum |
2 VCC |
|
|
Courant d'entrée (haut) (1) |
Nominale |
35 mA |
|
Maximum |
80 mA |
|
|
Courant d'entrée (bas) (1) |
Nominale |
0 mA |
|
Courant de sortie maximum des bornes du circuit de commande : S11, S31, S22 |
100 mA |
|
|
Tension nominale aux broches |
24 VCC |
|
|
Temps de réponse |
≤ 20 ms |
|
|
Retard |
Allumé |
≤ 100 ms |
|
Redémarrage |
≤ 300 ms |
|
|
(1) A la borne S12, S32 en cas d'alimentation externe |
||
Ce tableau décrit les caractéristiques du circuit de sortie du module Sécurité TM3 :
|
Caractéristique |
Valeur |
|
|---|---|---|
|
Courant de commutation maximum de chaque sortie |
AC-15 : 230 VCA |
5 A |
|
DC 13 : 24 VCC |
4 A |
|
|
Tension et courant de commutation minimum (nouveau contact jamais utilisé avec des charges supérieures) |
17 V, 10 mA |
|
|
Courant maximum |
Par chemin de sortie |
6 A |
|
Somme de l'intensité de tous les chemins de sortie |
≤ 18 A |
|
|
Protection par fusible externe (maximum) |
Fusible à fusion rapide (classe gG) |
4 A |
|
Fusible à fusion rapide |
6 A |
|
|
Nb max. d'opérations de commutation |
107 |
|