Application de tapis de sécurité

Niveaux de performance et d'intégrité de la sécurité

Le tableau ci-dessous décrit les niveaux de performance et de sécurité associés à l'application de tapis de sécurité :

Type d'application

Niveau de performance (PL) et catégorie maximale (IEC/ISO 13849-1)

Niveau d'intégrité de sécurité maximum (SIL) (IEC/EN 62061)

Application de tapis de sécurité (source de courant)

PL d, catégorie 3

SIL 2

Description

Ce tableau présente le type de module disponible dans une application de tapis de sécurité :

Référence

Voie 1

Voie 2

Démarrage + EDM 1

EDM 2

Sorties

TM3SAK6R

S21-S22

S31-S32

S33-S34

S41-S42

13-14

23-24

33-34

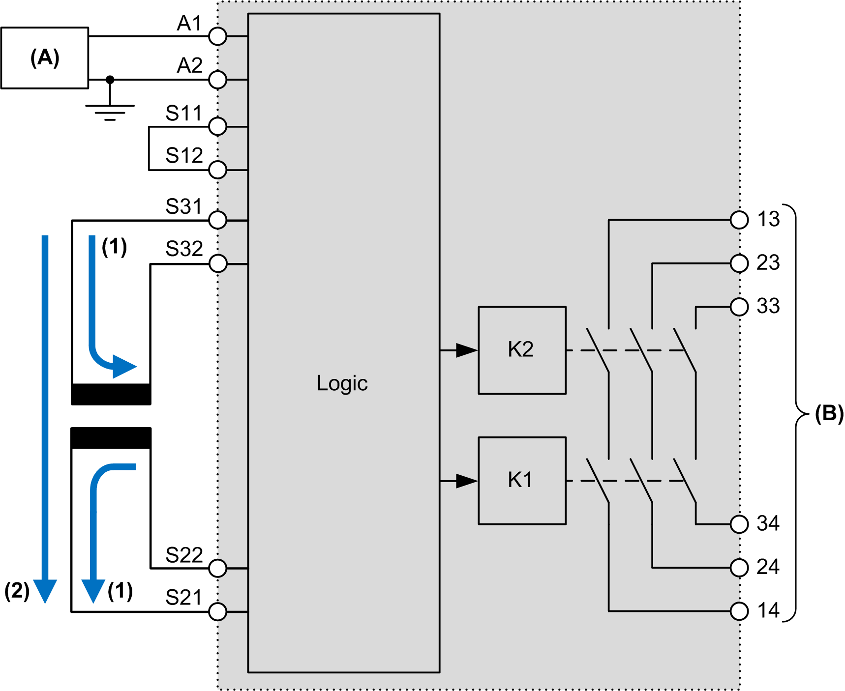
Cette figure représente le flux du courant dans un tapis de sécurité connecté à des entrées de sécurité :

G-SE-0033645.1.gif-high.gif

 

(A) :   Source du courant

(A1) :   24 VCC

(A2) :   Broche GND sortie

(B) :   Sorties

(1) :   Flux du courant lorsque le tapis n'est pas sous pression. Relais K1 et K2 alimentés.

(2) :   Flux du courant lorsque le tapis est sous pression (une personne marchant dessus). Relais K1 et K2 non alimentés (tapis fournissant un chemin de court-circuit).