Gestione delle uscite

Introduzione

Il HMISCU Controller dispone di uscite standard e di uscite veloci.

Le seguenti funzioni d'uscita sono configurabili sulle uscite veloci:

ouscita a treno di impulsi (PTO)

omodulazione ad ampiezza di impulsi (PWM)

NOTA: Per impostazione predefinita, tutte le uscite possono essere usate come uscite standard.

Disponibilità della gestione delle uscite veloci

Le seguenti informazioni si riferiscono a tutte le HMISCU Controller che dispongono di uscite veloci:

Funzione

PTO / PWM

Numero canali

Nome del canale

Uscita a transistor

FQ0

PTO0 Output0

FQ1

PTO1 Output1

Modalità di posizionamento di sicurezza (Comportamento per le uscite in stop)

Quando il controller entra nello stato STOP o EXCEPTION per qualsiasi motivo, le uscite locali vengono reimpostate ai valori del posizionamento di sicurezza. Sono disponibili 2 modalità:

Imposta tutte le uscite ai valori predefiniti: Ogni uscita è impostata al valore predefinito configurato, ossia 0 o 1 (inizialmente impostate a 0 nella configurazione).

Mantieni valori correnti: Ogni uscita mantiene il proprio stato corrente.

Le impostazioni del posizionamento di sicurezza che possono essere configurate (posizionamento di sicurezza a 0, posizionamento di sicurezza a 1 o posizionamento di sicurezza allo stato corrente) non valgono per le uscite rapide se queste sono configurate per la funzione integrata. Se un errore rilevato provoca il passaggio del controller alla modalità posizionamento di sicurezza, queste uscite assumono il valore 0 indipendentemente dall'impostazione del posizionamento di sicurezza configurata.

Warning_Color.gifAVVERTIMENTO

FUNZIONAMENTO ANOMALO DELL'APPARECCHIATURA

Progettare e programmare il sistema in modo tale che l'apparecchiatura controllata assuma uno stato di sicurezza quando il controller passa alla modalità posizione di sicurezza se si utilizzano le uscite rapide per la funzione integrata.

Il mancato rispetto di queste istruzioni può provocare morte, gravi infortuni o danni alle apparecchiature.

NOTA:

oLa configurazione del posizionamento di sicurezza per le uscite non vale se le uscite rapide vengono utilizzate per la funzione integrata. In questi casi il valore di posizionamento di sicurezza è sempre 0.

oNel caso di posizionamento di sicurezza per una funzione PTO integrata, qualunque movimento in corso viene interrotto e ritorna a 0 (funzione di arresto controllato).

Cortocircuito o sovracorrente sulle uscite

In caso di cortocircuito o di sovracorrente sulle uscite, si devono considerare 2 gruppi di uscite:

oGruppo 3: uscite veloci

oGruppo 1 e 2: uscite relè

Esiste una protezione contro i cortocircuiti per il Gruppo 1 dalle uscite a V-. Tuttavia sulle uscite non vi è un'altra protezione contro i cortocircuiti.

Per HMISCU•A5 (type DIO), in caso di cortocircuito o di sovracorrente sulle uscite, vanno fatte considerazioni diverse per i 2 gruppi di uscite:

oGruppo 3 (da FQ0 a FQ1): 2 uscite veloci

oGruppo 1 e 2 (da DQ0 a DQ7): 8 uscite standard

Per HMISCU•B5 (type DIO and AIO), in caso di cortocircuito o di sovracorrente sulle uscite, vanno fatte considerazioni diverse per i 2 gruppi di uscite:

oGruppo 3 (da FQ0 a FQ1): 2 uscite veloci

oGruppo 1 e 2 (da DQ0 a DQ5): 6 uscite standard

NOTA: I gruppi sono definiti nella descrizione della morsettiera inclusa nell'introduzione di ogni capitolo relativo al controller.

La tabella descrive il comportamento in caso di rilevamento di cortocircuito:

Se...

allora...

si verifica un cortocircuito a 0 V sul gruppo 3

il gruppo 3 passa automaticamente alla modalità di protezione termica (tutte le uscite veloci, PWM sono impostate a 0 e le uscite PTO eseguono uno stop immediato) e successivamente viene riarmato periodicamente ogni 10 secondi per testare lo stato di connessione (vedere l'avvertenza riportata sotto).

si verifica un cortocircuito a 24 V sul gruppo 3

il gruppo 3 passa automaticamente in modalità protetta e successivamente viene riarmato periodicamente ogni 200 microsecondi per testare lo stato di connessione.

NOTA: Le informazioni riportate nella tabella non valgono per le uscite relè.

Per maggiori informazioni sulla protezione delle uscite, vedere lo schema di cablaggio del controller e le regole generali di cablaggio.

NOTA: La diagnostica del cortocircuito per ogni gruppo è fornita dalla funzione GetshortcutStatus.

Le uscite standard di questa apparecchiatura non sono dotate di protezione integrata dalla polarità inversa. Il collegamento non corretto della polarità può provocare danni permanenti dei circuiti di uscita o causare il funzionamento involontario dell'apparecchiatura.

AVVISO

DANNO ALLE USCITE RAPIDE

oAccertarsi che venga utilizzata la protezione adeguata contro i cortocircuiti sull'alimentatore delle uscite rapide.

oNon collegare tensione positiva ai contatti delle uscite rapide DC.

oRispettare lo schema di cablaggio riportato dopo questa avvertenza.

Il mancato rispetto di queste istruzioni può provocare danni alle apparecchiature.

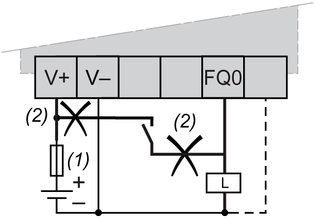
Esempio di cablaggio non corretto:

G-SE-0023207.1.gif-high.gif

 

1   Fusibile ad azione rapida da 2 A

2   Cablaggio non corretto

Warning_Color.gifAVVERTIMENTO

AVVIO IMPREVISTO DELLA MACCHINA

Impedire il riarmo automatico delle uscite se questa funzionalità è un comportamento imprevisto della macchina o del processo.

Il mancato rispetto di queste istruzioni può provocare morte, gravi infortuni o danni alle apparecchiature.

Considerazioni sul cablaggio

NOTA: L'alimentazione del circuito PTO/PWM è attiva prima che sia attiva l'alimentazione del sistema, altrimenti si verifica un errore del PTO/PWM.

Warning_Color.gifAVVERTIMENTO

FUNZIONAMENTO ANOMALO DELL'APPARECCHIATURA

Cablare le uscite correttamente in base allo schema di cablaggio.

Il mancato rispetto di queste istruzioni può provocare morte, gravi infortuni o danni alle apparecchiature.

Se il controller o modulo contiene delle uscite relè, questi tipi di uscite possono supportare fino a 240 Vac. I danni induttivi a questi tipi di uscite possono provocare la fusione dei contatti e la perdita del controllo. Ogni carico induttivo deve essere dotato di dispositivo di protezione come un circuito livellatore, un circuito RC o un diodo "flyback". I carichi capacitivi non sono supportati da questi relè.

Warning_Color.gifAVVERTIMENTO

USCITE RELÈ SALDATE CHIUSE

oProteggere sempre le uscite relè dai danni causati dai carichi induttivi in corrente alternata con un dispositivo o circuito di protezione esterno appropriato.

oNon collegare le uscite relè ai carichi capacitivi.

Il mancato rispetto di queste istruzioni può provocare morte, gravi infortuni o danni alle apparecchiature.