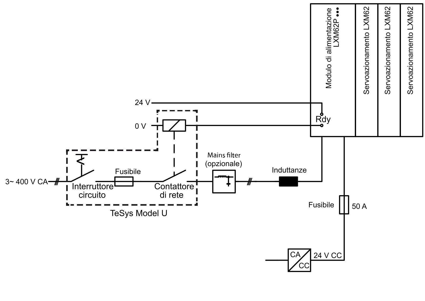
Collegamento del Lexium 62 Power Supply

Panoramica generale

NOTA: la corrente di ingresso di alimentazione 24 Vcc deve essere limitata a max 50 A, realizzabile con un fusibile da 50 A come illustrato sopra. In particolare, è obbligatorio un fusibile da 50 A se si utilizza un'alimentazione senza limitazione di corrente a 24 Vcc.

Per ulteriori informazioni, consultare Fusibili sulla connessione di rete.