Collegamento del modulo TM2ARI8LT

Requisiti di cablaggio

Vedere Requisiti di cablaggio.

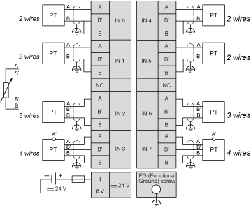
Schema di cablaggio del TM2ARI8LT

G-SA-0045262.2.gif

 

 

oCollegare un fusibile appropriato per la tensione applicata e l'assorbimento di corrente, nella posizione mostrata nello schema.

oNon collegare nessun cablaggio ai canali inutilizzati.

Per tutti i collegamenti di comunicazione e i collegamenti di ingressi e uscite analogici e ad alta velocità, usare cavi schermati e dotati di messa a terra di protezione adeguata. Se per questo tipo di collegamenti non vengono utilizzati cavi schermati, le interferenze elettromagnetiche possono compromettere i segnali. Il degrado dei segnali può provocare il funzionamento anomalo del controller o dei moduli ad esso collegati.

Warning_Color.gifAVVERTIMENTO

FUNZIONAMENTO IMPREVISTO DELL'APPARECCHIATURA

oUsare cavi schermati per tutti gli I/O veloci, gli I/O analogici e i segnali di comunicazione.

oEseguire la messa a terra della schermatura degli I/O analogici, degli I/O veloci e dei segnali di comunicazione in un unico punto1.

oInstradare i cavi di comunicazione e di I/O separatamente dai cavi di alimentazione.

Il mancato rispetto di queste istruzioni può provocare morte, gravi infortuni o danni alle apparecchiature.

1La messa a terra in più punti è permessa se i collegamenti vengono eseguiti su una piastra di messa a terra equipotenziale dimensionata per evitare danni alla schermatura dei cavi in caso di correnti di cortocircuito del sistema di alimentazione.

Warning_Color.gifAVVERTIMENTO

FUNZIONAMENTO IMPREVISTO DELL'APPARECCHIATURA

Non collegare alcun cavo a collegamenti riservati, non utilizzati o a connessioni designate come "No Connection (N.C.)".

Il mancato rispetto di queste istruzioni può provocare morte, gravi infortuni o danni alle apparecchiature.

La seguente tabella indica il collegamento della vite della massa funzionale:

G-RU-0010724.1.gif