插入触点

概述

快捷方式:Ctrl+K

FBD/LD/IL > 插入触点命令用于在 LD 网络中插入触点。FBD 和 IL 编辑器中未提供此命令,但在切换视图时将会适当转换。

插入触点

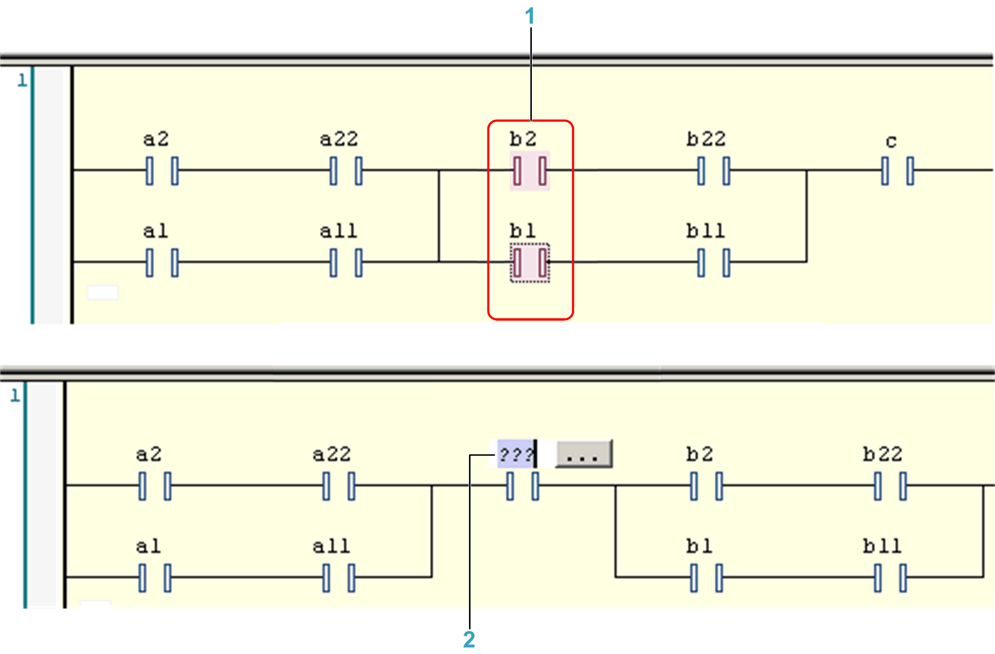
新触点将插到当前选定触点或运算块左侧的行中。如果光标位置是在当前并行连接内,则新触点元素也在其内部插入。

注: 或者,可通过从工具箱或从编辑器内的另一个位置拖动来插入触点元素。如果您不想在在当前并行连接的内部插入触点,而是想在前面、后面或之间插入触点,请使用菜单命令。为此,请选择并行连接的每个分支中的一个触点元素(按住 Ctrl 键可进行多重选择),并执行该命令。

示例

1 在按住 Ctrl 键的同时选择 b1b2

2 使用命令插入触点

另请参见命令插入并联右触点插入并联上触点插入并联下触点

新触点元素预设有文本 ???。单击此文本以将其选中。用所需变量或所需常量的名称或地址(具体取决于 FBD、LD 和 IL 编辑器的 Options 对话框中的当前设置)替换该文本。为此,您可以使用输入助手

注: 有关 FBD、LD 和 IL 网络组件的查看选项,请考虑 FBD、LD 和 IL 编辑器选项。