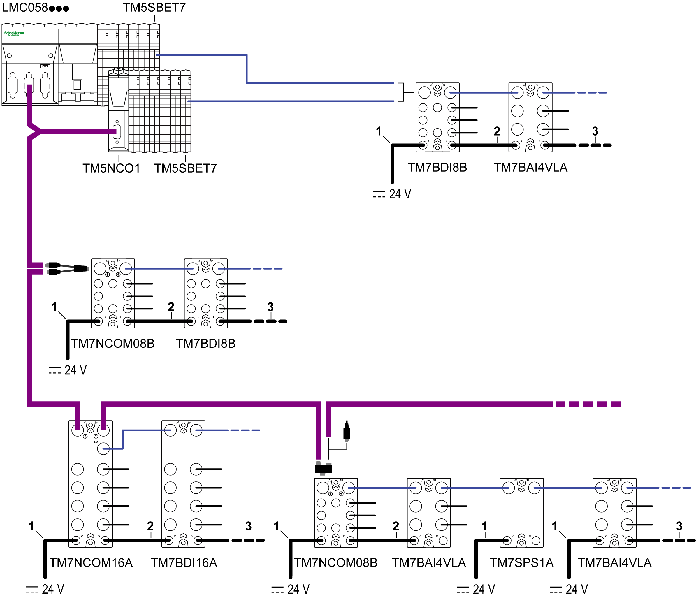
下图显示了 TM5/TM7 配置中使用的电源电缆:
1 连接 IN 电缆:用于将外部电源连接到 TM7 接口 I/O 功能块、TM7 配电功能块 (PDB) 或 TM7 I/O 功能块。
2 下线电缆:用于在两个 TM7 功能块之间进行 24 Vdc I/O 电源段布线。
3 连接 OUT 电缆:用于将 TM7 功能块连接到别的设备。
|
长度 |
简要描述,型号 |
|||||
|---|---|---|---|---|---|---|
|
子站电缆 |
连接 IN 电缆 |
连接 OUT 电缆 |
||||
|
0.3 米(1 英尺) |
TCSXCNEMEF03V |
TCSXCNDMDF03V |
– |
– |
– |
– |
|
1 米(3.3 英尺) |
TCSXCNEMEF1V |
TCSXCNDMDF1V |
TCSXCNEFNX1V |
TCSXCNDFNX1V |
TCSXCNEXNX1V |
TCSXCNDMNX1V |
|
2 米(6.6 英尺) |
TCSXCNEMEF2V |
TCSXCNDMDF2V |
– |
– |
– |
– |
|
3 米(9.8 英尺) |
– |
– |
TCSXCNEFNX3V |
TCSXCNDFNX3V |
TCSXCNEXNX3V |
TCSXCNDMNX3V |
|
5 米(16.4 英尺) |
TCSXCNEMEF5V |
TCSXCNDMDF5V |
– |
– |
– |
– |
|
10 米(32.8 英尺) |
TCSXCNEMEF10V |
TCSXCNDMDF10V |
TCSXCNEFNX10V |
TCSXCNDFNX10V |
TCSXCNEXNX10V |
TCSXCNDMNX10V |
|
15 米(49.2 英尺) |
TCSXCNEMEF15V |
TCSXCNDMDF15V |
– |
– |
– |
– |
|
25 米(82 英尺) |
– |
– |
TCSXCNEFNX25V |
TCSXCNDFNX25V |
TCSXCNEXNX25V |
TCSXCNDMNX25V |
|
尺寸和引脚分配 |
|
|
|
|
|
|
下表描述了各电缆导线的特性:
|
特性 |
规格 |
|---|---|
|
导线横截面(规格) |
0.34 mm2 (AWG 22) |
|
绝缘材料 |
聚丙烯 (PP) |
|
包括绝缘材料在内的核心直径 |
1.27 毫米(0.05 英寸)± 0.02 毫米(0.0008 英寸) |
|
电阻(在 20 °C (68 °F) 时) |
≤ 0.058 Ω/m (0.018 Ω/ft) |
|
绝缘电阻(在 20 °C (68 °F) 时) |
≥ 100 MΩ*km (328 GΩ/ft) |
|
标称电压 |
300 V |
|
测试电压导体 |
3000 Vdc x 1 s |
下表描述了电缆的一般特性:
|
特性 |
规格 |
|
|---|---|---|
|
电缆类型 |
PUR 无卤黑 |
|
|
导体材料 |
裸露的 Cu litz 电线 |
|
|
屏蔽 |
铜丝编织层电线 |
|
|
电缆外径 |
4.7 毫米(0.19 英寸) |
|
|
最小曲线半径 |
47 毫米(1.85 英寸) |
|
|
线的颜色 |
黑色、棕色、蓝色、白色 |
|
|
外部保护层,颜色 |
黑灰 RAL 7021 |
|
|
电缆重量 |
30 千克/千米(0.02 磅/英尺) |
|
|
弯曲循环数 |
4 万次 |
|
|
排线路径 |
10 米(32.8 英尺) |
|
|
排线速率 |
3 米/秒(9.8 英尺/秒) |
|
|
加速度 |
10 米/秒2(32.8 英尺/秒2) |
|
|
M8 紧固扭矩 |
最大 0.2 Nm(1.8 磅-英寸) |
|
下表描述了电缆的环境特性:
|
特性 |
规格 |
|---|---|
|
工作温度 |
–5...80 °C (23...176 °F) |
|
储存温度 |
–40...80 °C (–40...176 °F) |
|
特殊属性 |
具备柔韧的电缆导管 |
|
不含硅 |
|
|
不含阻碍使用油漆或清漆喷涂的物质 |
|
|
阻燃性 |
符合 UL-Style 20549 |
|
不含卤素 |
符合 DIN VDE 0472 部分 815 |
|
耐油性 |
符合 DIN EN 60811-2-1 |
|
其他受耐性 |
耐酸、碱溶液和溶剂 |
|
抗水解和微生物 |
|
|
WEEE/RoHS |
符合 |
|
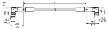
尺寸 |
||||
|---|---|---|---|---|
|
||||
|
L 基于特定型号的长度 |
|
引脚分配 |
||||
|---|---|---|---|---|
|
凸型连接器 |
引脚 |
名称 |
电线颜色 |
凹型连接器 |
|
1 |
24 Vdc |
白色 |
|
|
2 |
24 Vdc |
棕色 |
||
|
3 |
0 Vdc |
蓝色 |
||
|
4 |
0 Vdc |
黑色 |
||
|
尺寸 |
||||
|---|---|---|---|---|
|
||||
|
L 基于特定型号的长度 |
|
引脚分配 |
||||
|---|---|---|---|---|
|
凸型连接器 |
引脚 |
名称 |
电线颜色 |
凹型连接器 |
|
1 |
24 Vdc |
白色 |
|
|
2 |
24 Vdc |
棕色 |
||
|
3 |
0 Vdc |
蓝色 |
||
|
4 |
0 Vdc |
黑色 |
||
|
尺寸 |
||||
|---|---|---|---|---|
|
||||
|
L 基于特定型号的长度 |
|
引脚分配 |
||||
|---|---|---|---|---|
|
凹型连接器 |
引脚 |
名称 |
电线颜色 |
备注 |
|
1 |
24 Vdc |
白色 |
用于自定义接线 |
|
2 |
24 Vdc |
棕色 |
||
|
3 |
0 Vdc |
蓝色 |
||
|
4 |
0 Vdc |
黑色 |
||
|
尺寸 |
||||
|---|---|---|---|---|
|
||||
|
L 基于特定型号的长度 |
|
引脚分配 |
||||
|---|---|---|---|---|
|
凹型连接器 |
引脚 |
名称 |
电线颜色 |
备注 |
|
1 |
24 Vdc |
白色 |
用于自定义接线 |
|
2 |
24 Vdc |
棕色 |
||
|
3 |
0 Vdc |
蓝色 |
||
|
4 |
0 Vdc |
黑色 |
||
|
尺寸 |
||||
|---|---|---|---|---|
|
||||
|
L 基于特定型号的长度 |
|
引脚分配 |
||||
|---|---|---|---|---|
|
凸型连接器 |
引脚 |
名称 |
电线颜色 |
备注 |
|
1 |
24 Vdc |
白色 |
用于自定义接线 |
|
2 |
24 Vdc |
棕色 |
||
|
3 |
0 Vdc |
蓝色 |
||
|
4 |
0 Vdc |
黑色 |
||
|
尺寸 |
||||
|---|---|---|---|---|
|
||||
|
L 基于特定型号的长度 |
|
引脚分配 |
||||
|---|---|---|---|---|
|
凸型连接器 |
引脚 |
名称 |
电线颜色 |
备注 |
|
1 |
24 Vdc |
白色 |
用于自定义接线 |
|
2 |
24 Vdc |
棕色 |
||
|
3 |
0 Vdc |
蓝色 |
||
|
4 |
0 Vdc |
黑色 |
||