TM2DDI8DT 模块特性

简介

本节介绍 TM2DDI8DT 模块的电气与输入特性。

另请参阅环境特性

Warning_Color.gif警告

意外的设备操作

请勿超过环境和电气特性表中指定的任何额定值。

不遵循上述说明可能导致人员伤亡或设备损坏。

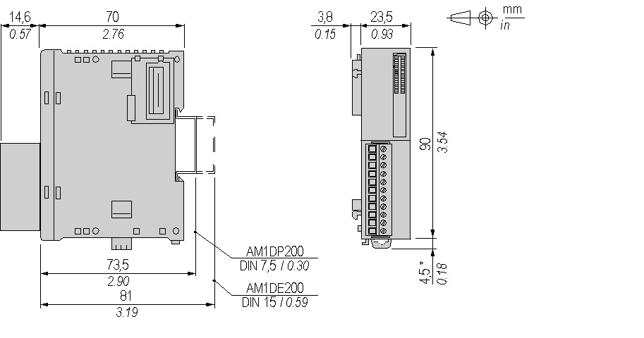
尺寸

下图所示为 TM2DDI8DT 模块的尺寸。

G-RU-0010293.1.gif-high.gif

 

 

注意: * 拔出卡扣后为 8.5 毫米(0.33 英寸)。

TM2DDI8DT 电气特性

隔离

输入与内部总线之间:500 Vac: 500 Vac

输入端子之间:未隔离

连接器插入/拔出耐久性

超过 100 次

5 Vdc 内部总线上的最大电流

25 mA(所有输入开启)

5 mA(所有输入关闭)

24 Vdc 内部总线上的最大电流

0 mA(所有输入开启)

0 mA(所有输入关闭)

TM2DDI8DT 输入特性

输入通道数

8

公共端

1

输入信号类型

漏极或源极

额定输入电压

24 Vdc

输入电压范围

20.4...28.8 Vdc

24 Vdc 时额定输入电流

7 mA

输入阻抗

3.4 kΩ

“关闭”状态

U < 5 Vdc

“开启”状态

U > 15 Vdc

I > 2 mA

接通时间

4 毫秒

断开时间

4 毫秒

输入类型

类型 1 (IEC 61131-2)

使用限制

当使用 TM2DDI8DT 时:

G-RU-0010294.3.gif

 

1   可在 55 °C、24 Vdc 输入电压条件下同时打开 90% 的输入。

2   可在 30 °C、28.8 Vdc 输入电压条件下同时打开所有输入。