Descrizione della scheda madre del Rack iPC Performance

Introduzione

La scheda madre del Rack iPC Performance è la scheda avanzata Intel® C216 utilizzata per applicazioni industriali di livello server che richiedono elevate capacità di calcolo. La scheda madre è dotata di processore Intel® 4-Core Xeon® E3. L'elevata affidabilità e prestazioni eccezionali fanno del Rack iPC la piattaforma ideale per le applicazioni di rete industriali.

Caratteristiche della scheda

La scheda madre del Rack iPCPerformance presenta le seguenti caratteristiche:

oArchitettura PCIe: il chipset Intel® C216 PCH supporta 2 slot PCIe x16 (Gen III x8 link), 2 slot PCIe x4.

oFunzionalità I/O alte prestazioni: 4 GB LAN tramite bus PCIe, 3 slot PCI 32-bit/ 33 MHz PCI, 4 porte USB 3.0,10 USB 2.0. (2 connettori USB 2.0 tipo A), 2 connettori SATA III e 4 connettori SATA II.

oFormato ATX standard con caratteristiche industriali: lunga durata di vita del prodotto, funzionamento affidabile in un campo di temperatura esteso, funzioni timer del watchdog, ecc.

oReinserzione automatica dopo interruzione dell'alimentazione: queste schede madri industriali consentono all'utente di impostare il sistema in modo che si reinserisca automaticamente dopo un'interruzione dell'alimentazione. Vedere le impostazioni dettagliate della modalità "AT".

oActive Management Technology 8.0: la soluzione hardware e firmware di base gestita dall'unità di alimentazione ausiliaria del sistema per il monitoraggio remoto.

oSistemi di rete: Intel AMT(iAMT) memorizza le informazioni hardware e software nella memoria non volatile. La gestione integrata fornisce funzionalità di gestione fuori banda, che consentono il rilevamento remoto e permettono al KVM di riparare i sistemi dopo il rilevamento di errori del sistema operativo o dopo un crash del sistema. Funzionalità di allarme e di registrazione degli eventi consentono di individuare i problemi e di ridurre i tempi di inattività, bloccando in modo proattivo le minacce esterne, isolando i client infetti prima che influenzino la rete e inviando notifiche operative all'utente quando vengono rimossi gli agenti software critici. Per l'abilitazione di iAMT, vedere la configurazione AMT. Schneider Electric fornisce uno strumento software, System Monitor, che permette di abilitare la funzione iAMT. Vedere System Monitor.

Sistema

oInterfaccia unità disco rigido SATA: sei connettori SATA onboard:

Due connettori SATA III con velocità di trasmissione dati fino a 600 MB/s e

Quattro connettori SATA III con velocità di trasmissione dati fino a 300 MB/s

con il supporto della tecnologia AHCI (Host Controller Interface) di Schneider Electric.

oChipset di sistema: Intel® C216

Memoria

RAM: fino a 32 GB in quattro slot DIMM a 240 pin che supportano SDRAM dual-channel DDR3 ECC o non-ECC 1066/1333/1600.

Ingressi/Uscite

Il chipset Intel® C216 offre:

oSlot PCIe: 2 slot di espansione PCIe x16 (x8 link) e 2 slot di espansione PCIe x4

oBus PCI: 3 slot PCI, 32 bit, 33 MHz conformi a PCI 2.2

oPorta parallela migliorata: configurata a LPT1 o disattivata. Il cavo per connettore femmina DB-25 standard è un accessorio opzionale. LPT1 supporta EPP/SPP/ECP.

oPorta seriale: due porte seriali. (COM1 si trova sul pannello di I/O posteriore, COM2 si trova sul connettore della scheda)

oTastiera e connettore del mouse PS/2: sulla staffa di montaggio si trovano 2 connettori mini-DIN a 6-pin che facilitano il collegamento con la tastiera e con il mouse PS/2.

oPorta USB: supporta fino a porte 4 USB 3.0 con velocità di trasmissione fino a 5 Gbps e 10 porte USB 2.0 con velocità di trasmissione fino a 480 Mbps/s.

oLPC: 1 connettore LPC per il supporto di moduli LPC Schneider Electric, come il modulo TPM.

oGPIO: Rack iPC Performance supporta l'interfaccia GPIO a 8-bit dai super I/O per applicazioni di controllo a scopo generale.

Grafica

oProcessore grafico Integrated Intel HD

oMemoria del display: 1 GB max. di memoria condivisa se sono installati 2 GB o più di memoria di sistema

oDVI-D: risoluzione 1920 x 1200 con frequenza di aggiornamento di 60 Hz (solo per la versione QG2)

oCRT: risoluzione 2048 x 1536 con frequenza di aggiornamento di 75 Hz

LAN Ethernet

oSupporta due/quattro porte Ethernet a 10/100/1000 Mbps/s tramite bus PCIe con velocità di trasmissione dati di MB/s.

oInterfaccia: 10/100/1000 Mbps/s

oController: LAN1: Intel 82579LM; LAN2/3/4: Intel 82574 L (LAN 3/4 sono solo per G4 SKU).

Funzionalità industriali

oTimer del watchdog: permette di generare il reset del sistema o NC. Il timer del watchdog è programmabile, con ogni unità pari a 1 secondo o 1 minuto (255 livelli).

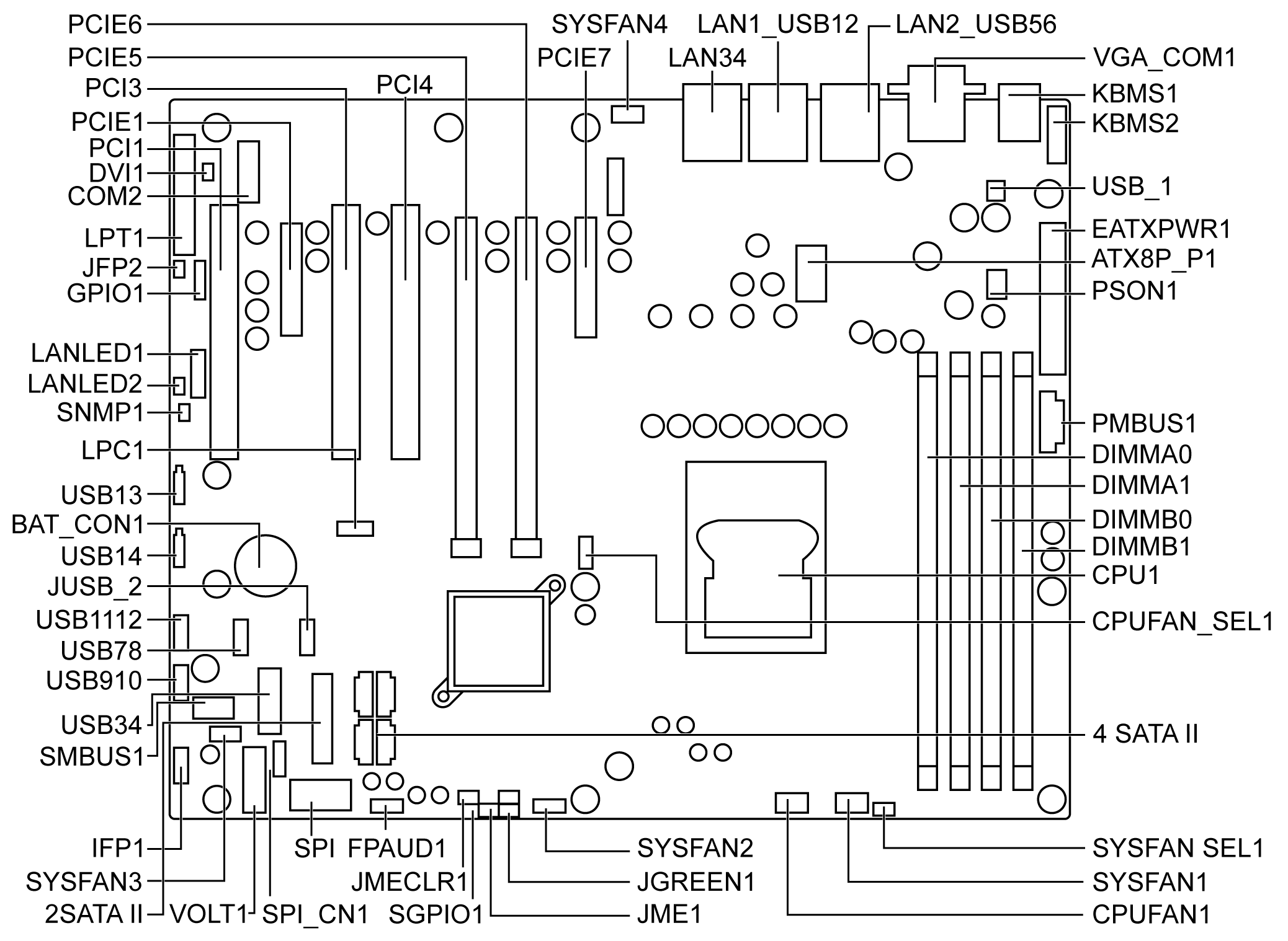
Layout della scheda

La figura mostra il layout della scheda e le posizioni dei ponticelli:

G-SE-0029168.1.gif-high.gif

 

 

La seguente tabella descrive i ponticelli e i connettori del Rack iPCPerformance e la loro funzione:

Designazione

Funzione

JCMOS1

Azzeramento CMOS

JME1

Ponticello per disattivazione Intel ME per aggiornamento ME/BIOS

JWDT1

Reset del watchdog

JGREEN1

Modalità Deep sleep Sx

JUSB_1,JUSB_2

Commutatore di alimentazione porta USB and KBMS tra +5 VSB e +5 V

CPUFAN_SEL1, SYSFAN_SEL1

FAN PWM(1-2)/selezione modalità DC(2-3)

PSON1

AT(1-2) / ATX(2-3)

La seguente tabella descrive i connettori del Rack iPC Performance e la rispettiva funzione:

Designazione

Funzione

ATX24P_P1

Connettore di alimentazione principale ATX a 24 pin (per il sistema)

ATX8P_P1

Connettore di alimentazione del processore (per il sistema)

SATA0...1

SATA III (6 Gb/s)

SATA2...5

SATA II (3 Gb/s)

USB 12

Porta USB 3.0 1, 2

USB 34

Porta USB 3.0 3, 4 (basetta terminali)

USB 56

USB 2.0 porta 5, 6

USB78, USB910, USB1112

Porta USB 2.0 7,8,9,10,11,12 (basetta terminali)

USB13, USB14

Porta USB 2.0 13, 14 (USB tipo A)

PCIE2, PCIE7

Slot PCIE x4

PCIE5, PCIE6

Slot PCIe x16 (x8 link)

DIMMA0,DIMMA1,DIMMB0,DIMMB1

Slot DDR3

CPUFAN1

Connettore ventola CPU

SYSFAN1,SYSFAN2,SYSFAN 3,SYSFAN4

Connettore ventola di sistema

LAN1_USB12,LAN2_USB56

Connettori sovrapposto LAN1 / USB 3.0 porta 1, 2 e LAN2 / USB 2.0 porta 5, 6

LAN34

Connettore sovrapposto LAN 3, 4

VGA_COM1

Connettore VGA+COM

KBMS1

Connettore per tastiera e mouse PS/2

KBMS2

Connettore per tastiera e mouse esterni (6 pin)

SPI1

Connettore femmina SPI

SPI_CN1

Basetta terminali Flash Card SPI

LANLED1,LANLED2

Connettore di estensione LED LAN

SMBUS1

Bus SM da PCH

SNMP1

Bus SM da IC monitor HW

GPIO1

Basetta terminali GPIO

FPAUD1

Basetta terminali audio pannello frontale

LPT1

Porta parallela

COM2

Porta seriale: RS-232

JFP1

Basetta terminali pannello frontale

LPC1

Connettore a piedinatura ribassata per moduli TPM LPC Schneider Electric

LANLED1

Connettore di estensione LAN1/2 LED

LANLED2

Connettore di estensione LAN3/4 LED

VOLT1

Display tensione

PMBUS1

Connettore PMBUS per la comunicazione con l'alimentazione

Diagramma a blocchi

La seguente figura mostra il diagramma a blocchi della scheda madre del Performance:

G-SE-0030944.2.gif-high.gif