更换安装衬垫

概述

安装衬垫可提供防尘防潮保护。

注意

衬垫老化

o根据操作环境的需要定期检查衬垫,以保持最初的 IP 级别。

o每年至少更换一次衬垫,或在出现明显划痕或脏污时尽快更换。

不遵循上述说明可能导致设备损坏。

安装安装衬垫

注意: 关于在使用 HMIGTO2315 / HMIGTO5315 / HMIGTO6315 时如何安装安装衬垫的指示,请参阅 HMIGTO2315 / HMIGTO5315 / HMIGTO6315 面板安装程序

阶段

说明

1

将  面板 显示屏面朝下放置在平坦的水平表面上。

2

将衬垫从  面板 中卸下。

3

将新的衬垫附加到  面板 。将衬垫放置在安装凹槽中,方便衬垫接缝在  面板 底部。首先,按照下图所示顺序将衬垫插入4个拐角中。然后,再将剩余的衬垫插入安装凹槽中。

注意:

o 面板 表面的安装凹槽中心是有棱纹的。请确保你在插入衬垫的整个过程中没有触碰到有棱部分。

o当使用工具来插入衬垫时,确保该工具没有使橡皮衬垫产生裂缝。

G-SE-0016481.1.gif-high.gif

 

 

4

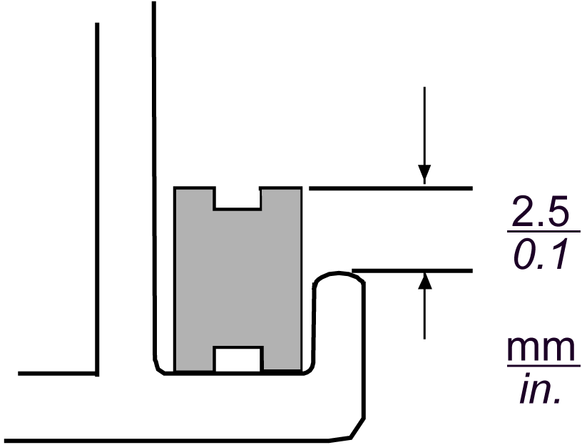
衬垫上表面应超出凹槽边沿大约 2.0 毫米(0.06 英寸)。在将 HMIGTO 安装到面板中之前,请确保衬垫已正确插入。

G-SE-0017241.2.gif-high.gif

 

 

衬垫必须正确插入凹槽中,从而为  面板 做到 IP65f 级别的防潮(对于 HMIGTO2315/HMIGTO5315/HMIGTO6315,防潮级别为 IP66k)。

Caution_Color.gif小心

设备损坏

o由于衬垫具有柔性但缺乏弹性,因此要小心,如果没有必要切勿拉扯。

o切记不要将衬垫的接缝插入  面板 的任何一个拐角。

o将衬垫插入安装凹槽。

不遵循上述说明可能导致人身伤害或设备损坏。